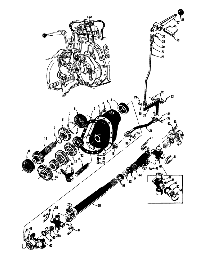
Запчасти Case 750 (060) - TWO SPEED SHIFT PARTS, HOUSING, & UNIVERSAL SHAFT (03) - TRANSMISSION

Схема запчастей Case 750 - (060) - TWO SPEED SHIFT PARTS, HOUSING, & UNIVERSAL SHAFT (03) - TRANSMISSION
22
6
23
36
19
42
43
10
55
43
26
15
27
30
16
33
41
21
41
48
12
34
51
52
5
54
49
13
4
28
46
36
24
40
31
41
37
14
35
45
25a
42
50
30
1
7
44
47
39
25
32
38
11
35
29
8
3
56
29
2
17
41
9
18
20
53
FIT
1:1
100%

Артикул

Название

Примечание

Количество

R3870

TRANSMISSION & FINAL DRIVE INSTALLATION

1шт.

1

R19217

HOUSING - two speed

1шт.

2

R15354

GASKET - two speed housing

1шт.

3

61-620

HEX SOC SCREW,3/8"-16 x 1 1/4"

SHCS 3/8 - 16 NC x 1-1/4 (R19217 mtg.)

9шт.

4

92-6

LOCK WASHER,3/8"

WASHER, LOCK, 3/8"

9шт.

5

R13881

X

SEAL - oil

1шт.

6

O1463-AB

BEARING - ball

1шт.

7

R13804

RING

- snap

1шт.

8

R15345

GEAR - high, driven

1шт.

9

R15364

SNAP RING,#152, 1.527", Ext

RING - snap

1шт.

10

R21833

SHAFT - input

1шт.

11

R11638

BEARING

- roller

1шт.

12

R11637

BEARING

- roller

1шт.

13

R15346

GEAR - high, driven

1шт.

14

30802

LINE

COLLAR - sliding

1шт.

15

R15348

HUB - shifter

1шт.

16

R21834

GEAR - low, driven

1шт.

17

R18731

FORK - shifter

1шт.

18

R18732

SHAFT - shifter

1шт.

19

40614

OIL SEAL

SEAL - oil

1шт.

20

211-12

BALL,7/16 Dia

- mesh lock

1шт.

21

74074

SPRING

- mesh lock

1шт.

22

221-31

DRAIN PLUG,Sq Soc, 1/4"-18 NPTF

PLUG - pipe, 1/4 NP

1шт.

23

R17992

END - yoke

1шт.

24

34395

SEALING WASHER

WASHER - special

1шт.

25

32601

WASHER

- yoke retaining

1шт.

25a

131-152

HARDWARE

NUT - lock (3/4 - 16 NF)

1шт.

26

R19520

ROD - range control

1шт.

27

25-116

NUT,Hex, 3/8"-24, G5

- reg. SF hex (3/8 - 24 NF)

1шт.

28

213-4

ADJUSTABLE CLEVIS,3/8"-24 x 2 1/2"

YOKE - adjustable

1шт.

29

141-4

CLEVIS PIN,3/8" x 1.060"

PIN, CLEVIS, 3/8" x 1.060"

2шт.

30

132-26

COTTER PIN

Pin, Split (Cotter), 3/32" x 3/4"

2шт.

31

R19519

LEVER - range control

1шт.

32

195-41

WASHER,5/8"

2шт.

33

132-51

COTTER PIN,1/8" x 1 3/8"

PIN - cotter, 1/8 dia. x 1-1/2

1шт.

34

R19505

ROD - range control

1шт.

35

141-6

CLEVIS PIN,1/2" x 1.360"

PIN - yoke

2шт.

36

132-48

COTTER PIN,1/8" x 1"

Pin, Split (Cotter), 1/8" x 1"

2шт.

37

R13377

LEVER

- range

1шт.

38

70213

KNOB

BALL - grip

1шт.

39

R13494

SHAFT - range lever

1шт.

40

132-48

COTTER PIN,1/8" x 1"

Pin, Split (Cotter), 1/8" x 1"

2шт.

R13345

BOLT

"U" BOLT ASS'Y

4шт.

41

R13101

"U" BOLT

1шт.

42

92-6

LOCK WASHER,3/8"

WASHER, LOCK, 3/8"

2шт.

43

25-116

NUT,Hex, 3/8"-24, G5

- reg. SF hex (3/8 - 24 NF)

2шт.

R14977

SHAFT

ASS'Y - universal

1шт.

44

R13989

LINKAGE YOKE

SLEEVE & YOKE ASS'Y - universal

1шт.

NSS

NOT SOLD SEPARAT

SLEEVE & YOKE - universal

1шт.

45

219-4

LUBE NIPPLE,1/8" - 27 NPTF

FITTING - grease

1шт.

46

R2713

BEARING ASSY

KIT - journal

1шт.

47

R13990

CROSS ASS'Y - journal

1шт.

NSS

NOT SOLD SEPARAT

CROSS - journal

1шт.

48

219-37

LUBE NIPPLE,45 Degree Elbow, 1/4" - 28 NPTF

FITTING - grease

1шт.

49

R13994

GASKET - journal

4шт.

50

R13991

BEARING ASS'Y - journal

4шт.

51

R13992

RING, SNAP

RING - snap

4шт.

52

R13995

X

CAP - dust

1шт.

53

R13996

WASHER

- steel

1шт.

54

R13997

WASHER

- cork

1шт.

R16451

SUB ASS'Y - shaft

1шт.

55

NSS

NOT SOLD SEPARAT

SHAFT ASS'Y - universal

1шт.

56

R2713

BEARING ASSY

KIT - journal (See ref. #46 for breakdown)

1шт.

Выбрано товаров: 0