Запчасти Case 750 (072) - MAIN FRAME, TORSION BARS, DRAWBAR, & MTG. PARTS (04) - UNDERCARRIAGE

Схема запчастей Case 750 - (072) - MAIN FRAME, TORSION BARS, DRAWBAR, & MTG. PARTS (04) - UNDERCARRIAGE
50
49a
34
13
3
6
26
25
18
12
43
11
45
42
2
47
27
38
53
21
39
47
40
44
32
18
9
36
10
41
17
33
4
51
15
7
46
31
3
35
20
23
48
14
22a
54
85
30
37
22
24
1
41
28
49
16
5
29
54
52
32
8
FIT
1:1
100%

Артикул

Название

Примечание

Количество

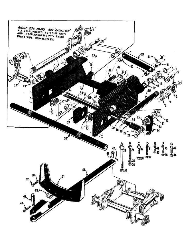
1

R10533

LEVER ASS'Y - front equalizer

2шт.

2

R18458

BUSHING

1шт.

3

R15411

LINK - torsion

4шт.

4

R18457

PIN - torsion link

4шт.

5

14-1056

BOLT,Hex, 5/8" - 18 x 3-1/2", Gr 5

HHCS 5/8 - 18 NF x 3-1/2 (R15411 mtg.)

2шт.

6

131-154

LOCK NUT,5/8"-18, GA

NUT - lock (5/8 - 18 NF)

2шт.

7

R18674

RING

- snap

2шт.

8

R18559

SHIM,.062" Thk

Equalizer .062" Thk

1шт.

9

74298

WASHER

SPACER - equalizer

1шт.

10

R15667

X

BAR - torsion

2шт.

11

R18559

SHIM,.062" Thk

Equalizer .062" Thk

1шт.

12

74298

WASHER

SPACER - equalizer

1шт.

13

72040

FITTING

ASS'Y - rear equalizer

2шт.

14

70914

BUSHING

1шт.

15

R18674

RING

- snap

2шт.

16

71676

YOKE - adjustable, RH thread

1шт.

17

71675

YOKE - adjustable, LH thread

1шт.

18

25-1116

NUT,1"-14, G5

- reg. SF hex, RH thread

1шт.

19

129-330

NUT,1"-14, G5, LH

1шт.

20

R19341

ROD

- tie

1шт.

21

71673

PIN - yoke

2шт.

22

135-764

GROOVED PIN,1/4" x 1 1/2", Type E

Pin, Grooved, 1/4" x 1 1/2", Type E

2шт.

22a

R19210

MAIN FRAME & PIVOT SHAFT ASS'Y

1шт.

23

R14205

CLAMP

- pivot shaft

2шт.

24

14-1256

BOLT,Hex, 3/4" - 16 x 3-1/2", Gr 5

HHCS 3/4 - 16 NF x 3-1/2 (R14205 mtg.)

2шт.

25

92-12

LOCK WASHER,3/4"

WASHER, LOCK, 3/4"

2шт.

26

25-1112

NUT,3/4"-16, G5

- reg. SF hex (3/4 - 16 NF)

2шт.

27

R19232

CLAMP - pivot shaft

2шт.

28

14-1296

BOLT,Hex, 3/4" - 16 x 6", Gr 5

HHCS 3/4 - 16 NF x 6 (R19232 mtg.)

2шт.

29

230-46112

LOCK NUT,3/4"-16, GA

NUT - lock (3/4 - 16 NF)

2шт.

30

R14102

SHAFT

- pivot

1шт.

31

R20786

RING

- snap

4шт.

32

70091

BUSHING

4шт.

33

14-1048

BOLT,Hex, 5/8" - 18 x 3", Gr 5

HHCS 5/8 - 18 NF x 3 (R19210 mtg.)

4шт.

34

231-46110

LOCK NUT,5/8"-18, GB

NUT - lock (5/8 - 18)

4шт.

35

14-844

BOLT,Hex, 1/2" - 20 x 2-3/4", Gr 5

HHCS 1/2 - 20 NF x 2-3/4 (R19210 mtg.)

4шт.

36

92-8

LOCK WASHER,1/2"

4шт.

37

32366

BOLT - place, 3/4 - 16 NF x 3-1/4 (Final drive mtg.)

10шт.

38

231-46112

LOCK NUT,3/4"-16, GB

NUT - lock (3/4 - 16 NF)

10шт.

39

R19203

ARM

LEVER ASS'Y - guide

2шт.

40

R13096

BUSHING

2шт.

41

R18107

PIN

- end yoke

4шт.

42

R19123

PLATE

- pin retaining

1шт.

43

R18106

PLATE

- pin retaining

2шт.

44

14-812

BOLT,Hex, 1/2" - 20 x 3/4", Gr 5

HHCS 1/2 - 20 NF x 3/4 (R18106 mtg.)

4шт.

45

92-8

LOCK WASHER,1/2"

4шт.

R3928

DRAWBAR INSTALLATION - standard (Optional)

1шт.

R3929

DRAWBAR INSTALLATION - ripper (Optional)

1шт.

46

R21978

PIN

- drawbar bracket

1шт.

47

132-152

PIN

- cotter, 1/4 x 1-3/4

2шт.

48

R21905

DRAWBAR

1шт.

49

R21979

PIN

ASS'Y - hitch

1шт.

49a

R21902

PLATE

- wear

1шт.

50

92-10

LOCK WASHER,5/8"

WASHER, LOCK, 5/8"

4шт.

51

R15785

GUIDE

- drawbar

1шт.

52

14-1028

BOLT,Hex, 5/8" - 18 x 1-3/4", Gr 5

(R15785 mtg.) Hex, 5/8"-18 x 1 3/4", G5

4шт.

53

R21857

ROD

- compression

1шт.

54

231-46110

LOCK NUT,5/8"-18, GB

NUT - lock

4шт.

Выбрано товаров: 58