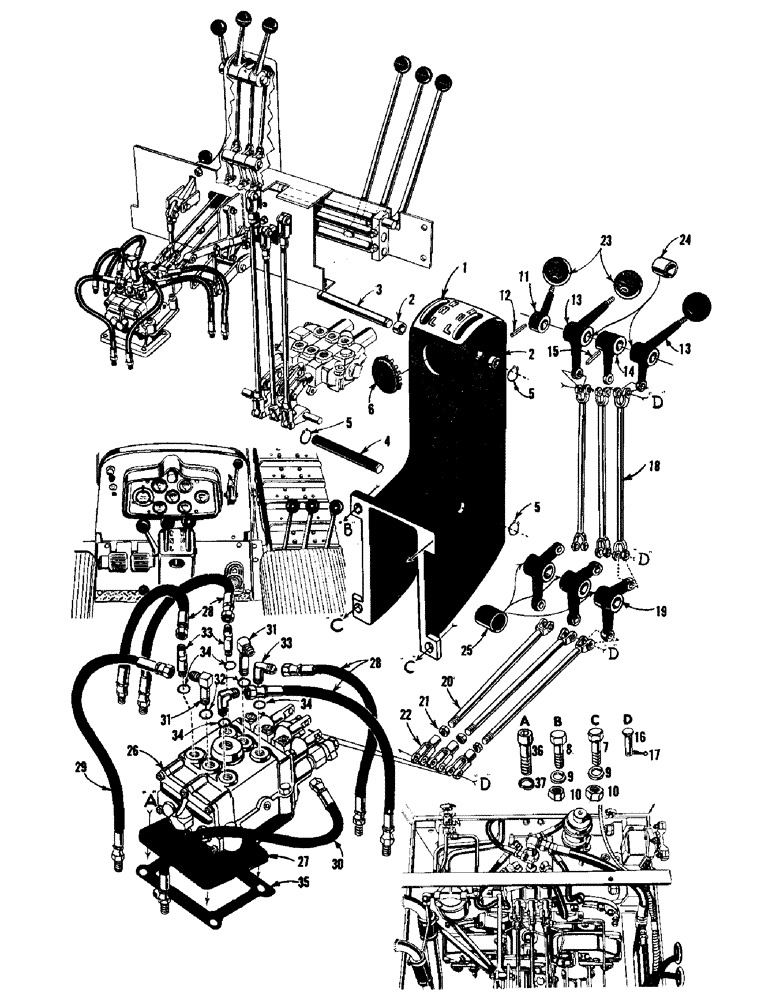
Запчасти Case 750 (066) - CONTROL TOWER, LINKAGE, HOSES, & FITTINGS (05) - UPPERSTRUCTURE CHASSIS

Схема запчастей Case 750 - (066) - CONTROL TOWER, LINKAGE, HOSES, & FITTINGS (05) - UPPERSTRUCTURE CHASSIS
28
7
25
4
29
33
13
31
5
11
9
34
1
17
10
2
31
9
21
2
18
26
19
34
13
6
5
22
24
34
36
30
23
16
27
33
37
5
32
8
28
10
14
3
12
35
20
15
FIT
1:1
100%

Артикул

Название

Примечание

Количество

1

R16099

TOWER ASS'Y - transmission control

1шт.

2

R16089

BUSHING

2шт.

3

R16091

SHAFT - lever pivot

1шт.

4

R16655

SHAFT - lever pivot

1шт.

5

W-10757-S

RING - snap

3шт.

6

30842

SPARE PART

PLUG - button

1шт.

7

14-824

BOLT,Hex, 1/2" - 20 x 1-1/2", Gr 5

HHCS 1/2 - 20 NF x 1-1/2 (R16099 mtg.)

2шт.

8

14-828

BOLT,Hex, 1/2" - 20 x 1-3/4", Gr 5

HHCS 1/2 - 20 NF x 1-3/4 (R16099 mtg.)

2шт.

9

92-8

LOCK WASHER,1/2"

4шт.

10

25-118

NUT,1/2"-20, G5

- reg. SF hex (1/2 - 20 NF)

4шт.

11

R16095

LEVER - control

1шт.

12

138-98

LOCK PIN,3/16" x 1 1/4", Slotted

PIN, 3/16" x 1 1/4", Slotted

1шт.

13

R16097

LEVER ASS'Y - control (Includes (1) ref. #24)

2шт.

14

R16090

LEVER - control

1шт.

15

138-98

LOCK PIN,3/16" x 1 1/4", Slotted

PIN, 3/16" x 1 1/4", Slotted

1шт.

16

141-3

CLEVIS PIN,5/16" x .940"

PIN, CLEVIS, , Yoke 5/16" x .940"

12шт.

17

132-24

COTTER PIN,3/32" x 1/2"

PIN, SPLIT (COTTER), 3/32" x 1/2"

12шт.

18

R19521

ROD - transmission control

3шт.

19

R16096

LEVER ASS'Y - control (Includes (1) ref. #25)

3шт.

21

25-115

NUT,5/16"-24, G5

- reg. SF hex (5/16"-24 NF)

3шт.

22

213-3

ADJUSTABLE CLEVIS,5/16"-24

YOKE - adjustable

3шт.

23

31375

WASHER

BALL - grip

3шт.

24

R16088

BUSHING

2шт.

25

R16088

BUSHING

3шт.

26

R20724

VALVE

ASS'Y - trans. control (See figure 128 for breakdown)

1шт.

27

R15350

BASE - valve mtg.

1шт.

28

R17202

X

HOSE ASS'Y - valve to transmission front

4шт.

29

R13660

HOSE

ASS'Y - valve to transmission rear

1шт.

30

13658

NUT

HOSE ASS'Y - valve to transmission rear

1шт.

31

R20739

FITTING

ELBOW - 90 degrees special

2шт.

32

218-5005

O-RING,0.078" Thk x 0.468" ID, -906, Cl 6, 90 Duro

6-1, 90 Duro, .468" ID x .078" Thk, seal

1шт.

33

218-5105

ELBOW,90 Degree Elbow, 9/16" - 18 Male JIC x 9/16" - 18 Male ORB

Special 90º, 9/16"-18, 37º x 9/16"-18, O-Ring

4шт.

34

218-5005

O-RING,0.078" Thk x 0.468" ID, -906, Cl 6, 90 Duro

6-1, 90 Duro, .468" ID x .078" Thk, seal

1шт.

35

74461

GASKET - valve mtg.

2шт.

36

14-620

BOLT,Hex, 3/8" - 24 x 1-1/4", Gr 5

HHCS 3/8 - 24 NF x 1-1/4 (R15350 & R20724 mtg.)

4шт.

61-632

HEX SOC SCREW,3/8"-16 x 2"

SHCS 3/8 - 16 NC x 2 (R15350 & R20724 mtg.)

4шт.

37

92-6

LOCK WASHER,3/8"

WASHER, LOCK, 3/8"

8шт.

Выбрано товаров: 37