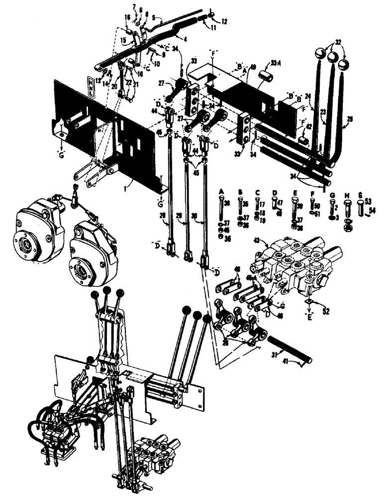
Запчасти Case 750 (068) - PARKING BRAKE & EQUIPMENT CONTROL INST. (05) - UPPERSTRUCTURE CHASSIS

Схема запчастей Case 750 - (068) - PARKING BRAKE & EQUIPMENT CONTROL INST. (05) - UPPERSTRUCTURE CHASSIS
3
53
35
47
38
13
45
45
16
52
8
33
19
48
41
6
37
25
26
34
15
4
37
45
36
36
36
18
50
2
33
43
37
51
5
23
26
32
9
22
54
44
29
38
17
45a
34
49
1
16
14
46
34
31
28
27
27
38
44
34
12
33
21
10
24
11
42
7
48
FIT
1:1
100%

Артикул

Название

Примечание

Количество

1

R19522

PLATE ASS'Y - heel

1шт.

41

132-54

COTTER PIN,1/8" x 1 3/4"

Pin, Split (Cotter), 1/8" x 1 3/4"

1шт.

2

14-820

BOLT,Hex, 1/2" - 20 x 1-1/4", Gr 5

HHCS 1/2 - 20 NF x 1-1/4 (R19522 mtg.)

2шт.

3

195-33

WASHER,1/2"

- plain

2шт.

4

R20127

HANDLE - parking brake

1шт.

5

R20189

ROD - parking brake

1шт.

6

195-18

WASHER,1/4"

- plain

1шт.

7

132-5

COTTER PIN,1/16" x 1/2"

Pin, Split (Cotter), 1/16" x 1/2"

1шт.

8

R13848

KEY

PAWL

1шт.

9

35173

PIN

1шт.

10

132-26

COTTER PIN

Pin, Split (Cotter), 3/32" x 3/4"

2шт.

11

R13850

SPRING

- parking brake

1шт.

12

R13851

BUTTON - control

1шт.

13

195-33

WASHER,1/2"

- plain

1шт.

14

132-48

COTTER PIN,1/8" x 1"

Pin, Split (Cotter), 1/8" x 1"

1шт.

15

R20125

RATCHET

1шт.

16

71029

SPACER - parking brake

2шт.

17

14-628

BOLT,Hex, 3/8" - 24 x 1-3/4", Gr 5

HHCS 3/8 - 24 NF x 1-3/4 (R20125 mtg.)

2шт.

18

92-6

LOCK WASHER,3/8"

WASHER, LOCK, 3/8"

2шт.

19

25-116

NUT,Hex, 3/8"-24, G5

- reg. SF hex (3/8 - 24 NF)

2шт.

20

R20188

ROD - parking brake

1шт.

21

141-4

CLEVIS PIN,3/8" x 1.060"

PIN, CLEVIS, 3/8" x 1.060"

2шт.

22

132-26

COTTER PIN

Pin, Split (Cotter), 3/32" x 3/4"

2шт.

23

R19425

LEVER ASS'Y - center

1шт.

24

R19426

LEVER ASS'Y - inner

1шт.

25

R19424

LEVER ASS'Y - outer (Ripper only)

1шт.

26

R18813

BELL CRANK ASS'Y

3шт.

27

R18145

LEVER - control

3шт.

28

R19393

ROD - inner

1шт.

29

R19394

ROD - center

1шт.

30

R19395

ROD - outer (Ripper only)

1шт.

31

R19386

SHAFT - lower

1шт.

32

CAS31375

KNOB

BALL - grip

3шт.

33

R19916

BLOCK ASS'Y - bearing (Ripper tractor only)

2шт.

R19927

BLOCK ASS'Y - bearing (Loader or dozer tractor only)

2шт.

33a

R18896

X

BUSHING (R19916 only)

3шт.

R18896

X

BUSHING (R19927 only)

2шт.

34

R20328

PIN - groove, 5/16 dia. x 1-1/2

7шт.

35

14-848

BOLT,Hex, 1/2" - 20 x 3", Gr 5

HHCS 1/2 - 20 NF x 3 (Bearing block mtg.)

3шт.

36

25-118

NUT,1/2"-20, G5

- reg. SF hex (1/2 - 20 NF)

7шт.

37

92-8

LOCK WASHER,1/2"

7шт.

38

R19924

BOLT - special

1шт.

39

14-844

BOLT,Hex, 1/2" - 20 x 2-3/4", Gr 5

HHCS 1/2 - 20 NF x 2-3/4 (Valve mtg.)

3шт.

40

RESERVED

1шт.

42

R19490

SPACER (With two spool valves only)

1шт.

43

R16361

VALVE ASS'Y - hydraulic (Dozer-ripper only) (See page #130 for breakdown)

1шт.

R18780

VALVE ASS'Y - hydraulic (Dozer only) (See page #130 for breakdown)

1шт.

R15936

VALVE ASS'Y - hydraulic (Loader-ripper only) (See page #130 for breakdown)

1шт.

R15950

VALVE ASS'Y - hydraulic (Loader only) (See page #130 for breakdown)

1шт.

44

213-6

ADJUSTABLE CLEVIS,1/2"-20 x 3"

YOKE - adjustable

3шт.

45

25-158

JAM NUT,Jam, 1/2"-20, G5

- hex jam (1/2 - 20 NF)

4шт.

45a

R22201

LINK - double acting

2шт.

46

R22200

LINK - float

4шт.

47

R20192

PIN

- yoke

9шт.

48

132-48

COTTER PIN,1/8" x 1"

Pin, Split (Cotter), 1/8" x 1"

9шт.

49

R19915

PLATE ASS'Y - cover

1шт.

50

14-816

BOLT,Hex, 1/2" - 20 x 1", Gr 5

HHCS 1/2 - 20 NF x 1 (R19915 mtg.)

3шт.

51

195-33

WASHER,1/2"

- plain

1шт.

92-8

LOCK WASHER,1/2"

2шт.

52

R22202

SPACER - valve mtg.

3шт.

53

R22199

PIN - yoke

3шт.

54

132-26

COTTER PIN

Pin, Split (Cotter), 3/32" x 3/4"

3шт.

Выбрано товаров: 62