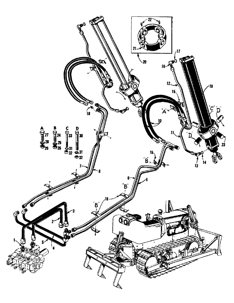
Запчасти Case 750 (110) - DOZER LIFT CYLINDERS, HOSES, TUBES, & FITTINGS (05) - UPPERSTRUCTURE CHASSIS

Схема запчастей Case 750 - (110) - DOZER LIFT CYLINDERS, HOSES, TUBES, & FITTINGS (05) - UPPERSTRUCTURE CHASSIS
32
8
25
6
16
23
20
4
30
18
13
14
31
26
11
27
3
15
17
1
22
15
24
5
29
2
9
7
10
33
12
32
28
31
21
15
19
FIT
1:1
100%

Артикул

Название

Примечание

Количество

1

218-446

HYD CONNECTOR,1-1/16" - 12 Male JIC x 3/4" - 14 Male NPTF

CONNECTOR - male, 3/4 JIC to 3/4 NP

2шт.

2

R22208

TUBE ASS'Y -, Serial Range: valve-manifold

1шт.

3

R19624

TUBE ASS'Y -, Serial Range: valve-manifold

1шт.

4

R22219

TUBE

ASS'Y - manifold

1шт.

5

R22217

TUBE

ASS'Y - manifold

1шт.

6

R19627

TUBE ASS'Y - manifold to lift cylinder

1шт.

7

R19628

TUBE ASS'Y - manifold to lift cylinder

1шт.

8

R17255

TUBE ASS'Y - manifold to lift cylinder

1шт.

9

R17253

TUBE ASS'Y - manifold to lift cylinder

1шт.

10

37405

HOSE

ASS'Y - manifold to lift cylinder

4шт.

11

R17289

TUBE ASS'Y - manifold to lift cylinder

2шт.

12

R17285

TUBE ASS'Y - manifold to lift cylinder

2шт.

13

218-5137

ELBOW,45 Degree Elbow, 7/8" - 14 Male JIC x 7/8" - 14 Male ORB

- 45 degrees special

2шт.

14

237-6010

O-RING,0.097" Thk x 0.755" ID, -910, Cl 6, 90 Duro

10-1, 90 Duro, .755" ID x .097" Thk

1шт.

15

R16916

CLAMP - tube

16шт.

16

218-5107

90 ELBOW,90 Degree Elbow, 7/8" - 14 Male JIC x 7/8" - 14 Male ORB

Special 90º, 7/8"-14, 37º x 7/8"-14, O-Ring

2шт.

17

237-6010

O-RING,0.097" Thk x 0.755" ID, -910, Cl 6, 90 Duro

10-1, 90 Duro, .755" ID x .097" Thk

1шт.

18

221-11

PLUG,Sq Hd, 1/8"-27

- pipe, ext. sq. hd., 1/8 NP

1шт.

19

R19898

CYLINDER ASS'Y - hydraulic (See figure 124 for breakdown)

2шт.

20

R11396

YOKE ASS'Y - cylinder

2шт.

21

NSS

NOT SOLD SEPARAT

YOKE - cylinder

1шт.

22

219-1

LUBE NIPPLE,1/8" - 27 NPTF

FITTING - straight grease, 1/8 NP

4шт.

23

70333

PIN

8шт.

24

14-528

BOLT,Hex, 5/16" - 24 x 1-3/4", Gr 5

(R16916 mtg.) Hex, 5/16"-24 x 1 3/4", G5

6шт.

25

92-5

LOCK WASHER,5/16"

WASHER, LOCK, 5/16"

6шт.

26

25-115

NUT,5/16"-24, G5

- reg. SF hex (5/16"-24 NF)

6шт.

27

14-532

BOLT,Hex, 5/16" - 24 x 2", Gr 5

HHCS 5/16 - 24 NF x 2 (R16916 mtg.)

2шт.

28

92-5

LOCK WASHER,5/16"

WASHER, LOCK, 5/16"

2шт.

29

25-115

NUT,5/16"-24, G5

- reg. SF hex (5/16"-24 NF)

2шт.

30

14-652

SCREW,Hex, 3/8" - 24 x 3 1/4", Gr 5

HHCS 3/8 - 24 NF x 3-1/4 (R19898 mtg.)

4шт.

31

92-6

LOCK WASHER,3/8"

WASHER, LOCK, 3/8"

8шт.

32

25-116

NUT,Hex, 3/8"-24, G5

- reg. SF hex (3/8 - 24 NF)

8шт.

33

14-672

BOLT,Hex, 3/8" - 24 x 4-1/2", Gr 5

HHCS 3/8 - 24 NF x 4-1/2 (70333 mtg.)

4шт.

Выбрано товаров: 33