Запчасти Case 750H (09-08) - FRAME, MAIN (09) - CHASSIS

Схема запчастей Case 750H - (09-08) - FRAME, MAIN (09) - CHASSIS
28
10
9
6
18
16
4
2
30
2
3
23
27
22
14
5
15
26
11
8
7
10
17
1
20
11
15
13
12
28
19
29
21
FIT
1:1
100%

Артикул

Название

Примечание

Количество

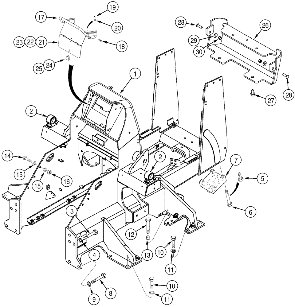
1

337199A2

FRAME

Chassis, 1524 mm (60 inch) Gauge Long Track (LT) Models

1шт.

1a

337202A2

FRAME ASSY

Chassis, 1778 mm (70 inch) Gauge Wide Track (WT) or Low Ground Pressure (LGP) Models

1шт.

2

R39922

BASE

ROPS Mounting

2шт.

3

107-91640

LOCK BOLT,Locking, 1"-8 x 2 1/2", G8

6шт.

4

D30196

WASHER

6шт.

5

413-1220

BOLT,Hex, 3/4" - 10 x 1-1/4", Gr 5

3/4 x 1-1/4, Used Without 7

4шт.

6

413-1236

BOLT,Hex, 3/4" - 10 x 2-1/4", Gr 5

Used with 7

4шт.

7

71671

PLATE ASSY.

1шт.

8

107-91640

LOCK BOLT,Locking, 1"-8 x 2 1/2", G8

4шт.

9

D30196

WASHER

4шт.

10

107-91232

LOCK BOLT,Locking, 3/4"-10 x 2", G8

12шт.

11

D34666

WASHER,33.34mm ID x 63.5mm OD x 2.38mm Thk

12шт.

12

107-91248

LOCK BOLT,Locking, 3/4"-10 x 3", G8

8шт.

13

R30398

SPACER

8шт.

14

413-1032

BOLT,Hex, 5/8" - 11 x 2", Gr 5

6шт.

15

96-21066

WASHER,21/32" x 1 5/16" x .150", HDN

21/32 x 1-5/16 x 5/32

12шт.

16

425-1010

NUT,5/8"-11, G5

6шт.

17

371771A1

HANDLED SHAFT

1шт.

18

160-103

BOLT,Hex, 3/8" - 16 x 1 1/4", Gr 8, Full Thd

4шт.

19

336371A1

PIN,4.88mm OD x 14.23mm L

4шт.

20

224-2806

SQUARE NUT,Sq, 3/8"-16, G2, Hvy

3/8

4шт.

21

372198A1

DOOR ASSY.

1шт.

22

358920A1

KNOB

1шт.

23

140-105

SCREW,Cross Pan Hd, #10 - 24 x 1/2"

1шт.

24

D93753

PADLOCK

Includes 25

1шт.

25

R29555

KEY

For Master Padlock Only

2шт.

25

D93751

SET OF 2 KEYS

For Yale Padlock Only

2шт.

26

359053A1

BUMPER

Front

1шт.

27

360-1020

BOLT,Hex, 5/8" - 11 x 1 1/4", Gr 8

5/8 x 1-1/4; 8

2шт.

28

433-828

CARRIAGE BOLT,Sq Nk, 1/2" - 13 x 1 3/4", Gr 5

1/2 x 1-3/4

2шт.

29

495-21056

WASHER,1/2"

9/16 x 1-3/8 x 7/64

2шт.

30

231-1448

NUT,1/2"-13, GB

2шт.

Выбрано товаров: 32