Запчасти Case 750H (09-34) - AIR CONDITIONING SYSTEM (09) - CHASSIS

Схема запчастей Case 750H - (09-34) - AIR CONDITIONING SYSTEM (09) - CHASSIS
23
11
12
10
25
24
26
17
16
11
21
5
8
2
1
8
7
8
19
6
20
22
4
13
5
15
3
18
14
16
8
9
8
FIT
1:1
100%

Артикул

Название

Примечание

Количество

Above Cab Roof

1шт.

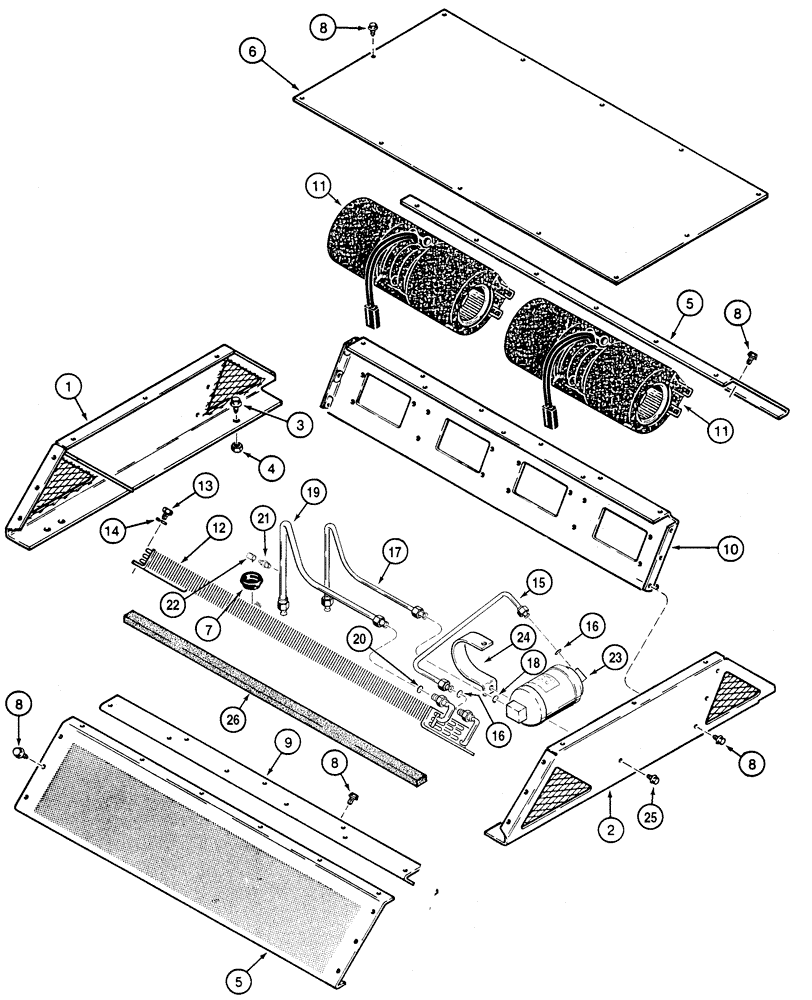
1

R48827

PANEL, SIDE

Left Hand Side

1шт.

2

1999418C1

PANEL

Right Hand Side

1шт.

3

160-106

BOLT,Hex, 1/2" - 13 x 1", Gr 8, Full Thd

4шт.

4

231-1448

NUT,1/2"-13, GB

4шт.

5

R48829

SIEVE

Front And Rear

2шт.

6

1999421C1

COVER

1шт.

7

1546466C1

GROMMET

25 mm (1 in) dia

3шт.

8

121-130

SERRATED BOLT,Hex, 5/16" - 18 x 3/4", Gr 5

46шт.

9

R48831

SUPPORT

Rear Shield Mounting

1шт.

10

R49055

SUPPORT

Blower Mounting

1шт.

11

1990972C1

BLOWER,12V, Assembly, Air Conditioning

Air Conditioning Condenser, See Page(s) 4-51

2шт.

12

1999513C1

CONDENSER

Core

1шт.

13

413-48

BOLT,Hex, 1/4" - 20 x 1/2", Gr 5

4шт.

14

492-11025

LOCK WASHER,1/4"

4шт.

Above Cab Roof

1шт.

15

1975771C2

TUBE

Lower Outlet Tube On Condenser To Receiver-Drier, Includes 16

1шт.

16

128483A1

O-RING,1.78mm Thk x 7.65mm ID, 70 Duro

5/16 ID x 1/16

2шт.

17

1975772C2

TUBE

Receiver-Drier To Roof, Includes 18

1шт.

18

128483A1

O-RING,1.78mm Thk x 7.65mm ID, 70 Duro

5/16 ID x 1/16

1шт.

19

135529A1

TUBE,0.5" OD, 266, 198 mm Length

Roof To Upper Inlet Tube On Condenser, Includes 20 - 22

1шт.

20

128484A1

O-RING,0.07" Thk x 0.426" ID, -13, Cl 5, 70 Duro

7/16 ID x 1/16

1шт.

21

1250594C2

CORE

1шт.

22

122554A1

CAP

1шт.

23

1990758C2

RECEIVER-DRYER

1шт.

24

1999510C1

STRAP

Receiver-Drier

1шт.

25

121-131

SERRATED BOLT,Hex, 5/16" - 18 x 1/2", Gr 5

2шт.

26

1999748C1

FOAM

25 x 50 x 1040 mm

2шт.

Выбрано товаров: 0