Запчасти Case 750H (09-36) - AIR CONDITIONING COMPRESSOR MOUNTING (09) - CHASSIS

Схема запчастей Case 750H - (09-36) - AIR CONDITIONING COMPRESSOR MOUNTING (09) - CHASSIS
1
17
14
5
7
21
18
2
3
20
4
16
22
19
9
15
12
7
8
10
8
16
13
6
FIT
1:1
100%

Артикул

Название

Примечание

Количество

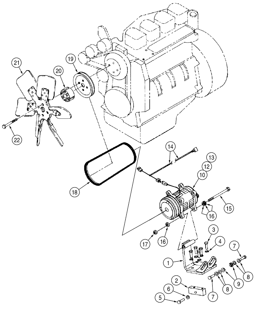
1

356319A1

SUPPORT

Compressor Mounting

1шт.

2

356694A1

SUPPORT

1шт.

4

892-11010

LOCK WASHER,M10

5шт.

5

827-10040

BOLT,Hex, M10 x 1.5 x 40mm, Cl 10.9, Full Thd

1шт.

6

892-11010

LOCK WASHER,M10

1шт.

7

627-10035

BOLT,Hex, M10 x 1.5 x 35mm, Cl 10.9, Full Thd

2шт.

9

829-2310

FLANGE NUT,M10 x 1.5, Flg, Cl 10

2шт.

10

1999755C2

COMPRESSOR

Inc. 11 - 13

1шт.

10

86993462R

REMAN-COMPRESSOR

750H; Reman For New P/N 1999755C2

1шт.

10

86993462C

CORE-COMPRESSOR

Return Part Number

1шт.

10

48017123R

REMAN-A/C COMP KIT

Reman A/C Compressor Kit

1шт.

10

48017123C

REMAN-A/C COMP KIT

Return Part Number

1шт.

10

1999755C3R

REMAN-A/C COMPRESSOR

Inc.- 8 Mounting Holes, 2 Groove Pulley, For Use w/HFC134A Refrigerant

1шт.

10

1999755C3C

CORE-COMPRESSOR

Return Part Number

1шт.

11

135324A1

CLUTCH

Not Illustrated

1шт.

12

A49667

PLUG

1шт.

13

128483A1

O-RING,1.78mm Thk x 7.65mm ID, 70 Duro

5/16 ID x 1/16

1шт.

14

REF

INSTRUCTION

Harness, See Page(s) 9-99

1шт.

15

827-10130

BOLT,Hex, M10 x 1.5 x 130mm, Cl 10.9

1шт.

17

829-2310

FLANGE NUT,M10 x 1.5, Flg, Cl 10

1шт.

18

379461A1

BELT,12.70 mm W x 950.00 mm L

Compressor Drive, Set of Two

1шт.

19

A189284

PULLEY,151mm OD

Compressor Drive

1шт.

20

A184544

SPACER

24 mm

1шт.

21

A173557

FAN

1шт.

22

193426A1

BOLT

M10 x 70

4шт.

3

627-10030

BOLT,Hex, M10 x 1.5 x 30mm, Cl 10.9, Full Thd

5шт.

8

895-11010

WASHER,11mm ID x 20mm OD x 2mm Thk

11 x 21 x 2 mm

4шт.

16

895-11010

WASHER,11mm ID x 20mm OD x 2mm Thk

11 x 21 x 2 mm

4шт.

Выбрано товаров: 28