Запчасти Case 750H (05-01) - FRAME, TRACK ROLLER AND RECOIL HOUSING (11) - TRACKS/STEERING

Схема запчастей Case 750H - (05-01) - FRAME, TRACK ROLLER AND RECOIL HOUSING (11) - TRACKS/STEERING
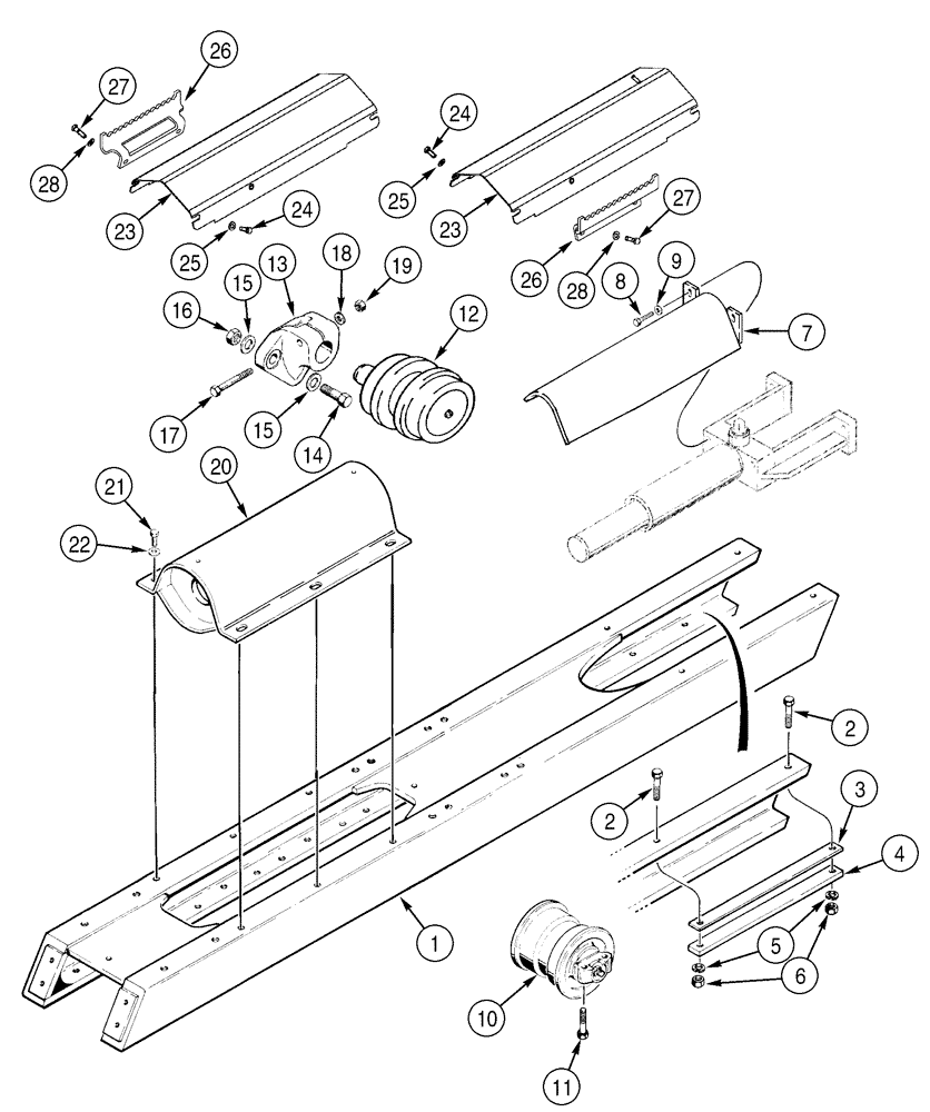
13
28
2
10
2
25
21
16
9
28
25
19
3
5
6
18
12
4
23
17
27
23
7
22
15
27
24
14
24
15
8
26
11
26
1
20
FIT
1:1
100%

Артикул

Название

Примечание

Количество

1

320981A1

FRAME ASSY

Track

2шт.

2

413-1040

BOLT,Hex, 5/8" - 11 x 2-1/2", Gr 5

8шт.

3

CASR32491

SHIM

1шт.

4

R32465

BAR

4шт.

5

492-11062

BEARING WASHER,5/8"

8шт.

6

425-1010

NUT,5/8"-11, G5

8шт.

7

R57604

GUARD

Track Adjuster

2шт.

8

107-9824

LOCK BOLT,Locking, 1/2"-13 x 1 1/2", G8

4шт.

9

496-21053

WASHER,17/32" x 1 1/16" x .134"

4шт.

10

R56593

SHIFTER ROLLER

Track, See Page(s) 5-15

12шт.

11

106-91248

LOCK BOLT,Locking, 3/4"-10 x 3", G5

48шт.

12

198941A1

ROLLER ASSY.

Carrier, Component Parts Not Serviced Separately

2шт.

13

D45485

BRACKET

2шт.

14

326-1244

BOLT,Hex, 3/4" - 10 x 2-3/4", Gr 8

4шт.

15

D34666

WASHER,33.34mm ID x 63.5mm OD x 2.38mm Thk

8шт.

16

231-41112

LOCK NUT,3/4"-10, GB

4шт.

17

326-868

BOLT,Hex, 1/2" - 13 x 4-1/4", Gr 8

1/2 x 4-1/2; 8

2шт.

18

R24323

WASHER

2шт.

19

231-1448

NUT,1/2"-13, GB

2шт.

20

334260A1

HOUSING

Recoil

1шт.

21

413-1020

BOLT,Hex, 5/8" - 11 x 1-1/4", Gr 5

12шт.

22

96-21066

WASHER,21/32" x 1 5/16" x .150", HDN

21/32 x 1-5/16 x 5/32

12шт.

23

123529A2

COVER ASSY

Recoil

1шт.

24

413-820

BOLT,Hex, 1/2" - 13 x 1-1/4", Gr 5

6шт.

25

495-11053

WASHER,1/2", SAE

(17/32" x 1-1/16" x 3/32")

6шт.

26

377910A1

STEP

Step, If Equipped

2шт.

27

413-828

BOLT,Hex, 1/2" - 13 x 1-3/4", Gr 5

Used with 26

4шт.

28

495-11053

WASHER,1/2", SAE

(17/32" x 1-1/16" x 3/32")

4шт.

29

224-2808

SQUARE NUT,Sq, 1/2"-13, G2, Hvy

4шт.

30

336371A1

PIN,4.88mm OD x 14.23mm L

4шт.

Выбрано товаров: 30