Запчасти Case 750K (04-09) - HARNESS, ENGINE (RIGHT-HAND SIDE) - ALTERNATOR (04) - ELECTRICAL SYSTEMS

Схема запчастей Case 750K - (04-09) - HARNESS, ENGINE (RIGHT-HAND SIDE) - ALTERNATOR (04) - ELECTRICAL SYSTEMS
10
12
9
5
8
11
5
14
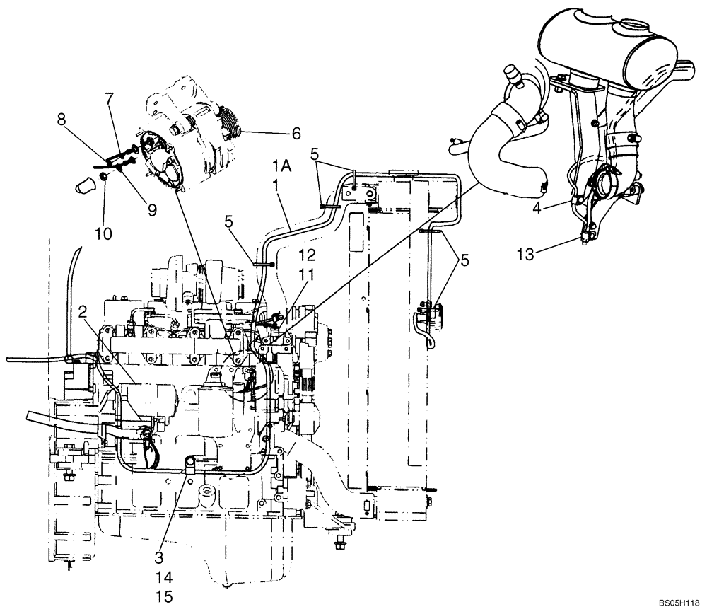
2
5
3
6
1a
15
4
13
7
1
FIT
1:1
100%

Артикул

Название

Примечание

Количество

1

87438048

WIRE HARNESS

Main, No Longer Available, For Service Order 87319008 Main Harness and 87318846 Windshield and Door Washer Harness (Models With Cab)

1шт.

1a

87319008

WIRE HARNESS

Main, Replaces 87438048

1шт.

2

86992395

STARTER MOTOR,12V, 2.7kW

See Figure 04-01

1шт.

2

86992395R

REMAN-STARTER,12V, 2.7kW

Remanufactured, STARTER

1шт.

2

86992395C

CORE-STARTER,12V, 2.7kW

Return Number

1шт.

3

515-25190

CLAMP,3/4", Insul, 1/2" Bolt

Use Existing Hardware at Lower Inner Muffler Support Bracket

1шт.

4

515-23127

CLAMP,1/2", Insul, 3/8" Bolt

1шт.

5

L18331

CABLE TIE,375.9mm L, Nylon, Black

CABLE STRAP

1шт.

6

A187873

ALTERNATOR,12V, 65A

Models Without Air Conditioning; See Figure 04-02

1шт.

6

A187623

ALTERNATOR

Models With Air Conditioning; See Figure 04-03

1шт.

6

A187623GV

ALTERNATOR

Value, Models With Air Conditioning

1шт.

7

892-11005

LOCK WASHER,M5

1шт.

8

824-1405

NUT,M5, Cl 5

1шт.

9

892-11008

LOCK WASHER,8mm ID

2шт.

10

829-1408

NUT,Hex, M8 x 1.25, Cl 10.9

1шт.

11

A166057

TEMPERATURE SENDER,1/2" - 14 NPTF

Oil Temperature

1шт.

12

193-1000

NUT,Keps, w/LW,#10-32

With External Tooth Lock Washer

1шт.

13

515-23190

CLAMP,3/4", Insul, 3/8" Bolt

Use Existing Hardware At Lower Turbo Support Bracket

1шт.

14

614-12025

BOLT,Hex, M12 x 1.75 x 25mm, Cl 8.8, Full Thd

1шт.

15

892-11012

LOCK WASHER,M12

1шт.

Выбрано товаров: 0