Запчасти Case 750K (05-10) - TRACK CHAIN, CASE LUBRICATED (11) - TRACKS/STEERING

Схема запчастей Case 750K - (05-10) - TRACK CHAIN, CASE LUBRICATED (11) - TRACKS/STEERING
32
28
26
35
20
18a
8
12
35
1
3
33
9
19
35
18b
33
30
23
15
35
25
7
31
35
35
27
6
5
35
18c
4
29
31
35
24
35
22
35
10
17
2
18
35
FIT
1:1
100%

Артикул

Название

Примечание

Количество

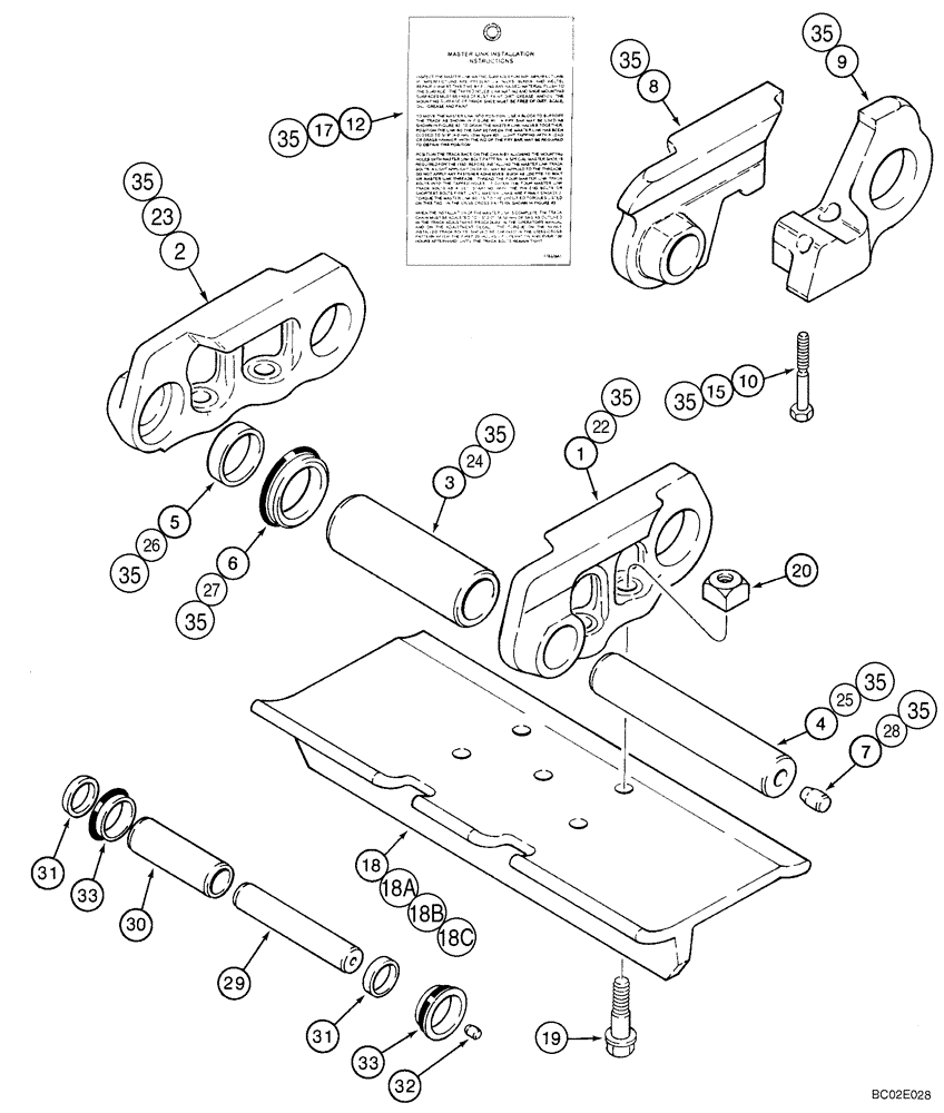
REF

INSTRUCTION

EACH MASTER LINK HAS TWO BOLT HOLES

1шт.

418603A1

TRACK CHAIN

457 mm (18 inch); Chain; Incl. Shoes; Incl. 407017A1, Ref 1 - 17; 18, 19, 20

2шт.

87404008

CRAWLER TRACK ASSY

508 mm (20 inch); Chain; Incl. Shoes; Incl. 407017A1, Ref 1 - 17; 18A, 19, 20

2шт.

418606A1

CRAWLER TRACK ASSY

610 mm (24 inch); Chain; Incl. Shoes; Incl. 407017A1, Ref 1 - 17; 18B, 19, 20

2шт.

418610A1

CRAWLER TRACK ASSY

711 mm (28 inch); Chain; Incl. Shoes; Incl. 407017A1, Ref 1 - 17; 18C, 19, 20

2шт.

407017A1

TRACK CHAIN

Incl. Ref 1 - 17; Order 418203A1, Ref 35

1шт.

1

295178A2

LINK

Right-Hand

38шт.

2

295177A2

LINK

Left-Hand

38шт.

3

R56515

BUSHING,33.8mm ID x 56.9mm OD x 109.5mm L

57 mm (2-1/4 in) OD

39шт.

4

R51131

PIN,33.48mm OD x 183.5mm L

39шт.

5

R51132

SPACER

78шт.

6

R50830

OIL SEAL

78шт.

7

R50441

PLUG

39шт.

299237A1

KIT

Master Link; Right-Hand; Incl. Ref 8 - 12

1шт.

NSS

NOT SOLD SEPARAT

Link Assy; Master; Right-Hand; Incl. Ref 8, 9

1шт.

8

NSS

NOT SOLD SEPARAT

Link; Fits Over Track Pin On Outside Of Regular Track Link

1шт.

9

NSS

NOT SOLD SEPARAT

Link; Fits Over Bushing On Inside Of Regular Track Link

1шт.

10

295325A1

BOLT,Hex, 5/8" - 18 x 3 1/4"

5/8 NF x 3-1/4

2шт.

12

178328A3

TAG

Installation Instructions

1шт.

299234A1

KIT

Master Link; Left-Hand; Incl. Ref 13 - 17

1шт.

NSS

NOT SOLD SEPARAT

Link Assy; Master; Left-Hand; Incl. Ref 13, 14

1шт.

13

NSS

NOT SOLD SEPARAT

Link; Fits Over Track Pin On Outside Of Regular Track Link; Not Illustrated

1шт.

14

NSS

NOT SOLD SEPARAT

Link; Fits Over Bushing On Inside Of Regular Track Link; Not Illustrated

1шт.

15

295325A1

BOLT,Hex, 5/8" - 18 x 3 1/4"

5/8 NF x 3-1/4

2шт.

17

178328A3

TAG

Installation Instructions

1шт.

18

295181A1

TRACK SHOE

457 mm (18 inch)

39шт.

18a

300199A1

SHOE

508 mm (20 inch)

39шт.

18b

295182A1

SHOE

610 mm (24 inch)

39шт.

18c

295183A1

SHOE

711 mm (28 inch)

39шт.

19

295318A1

BOLT,Hex, 5/8" - 18 x 2 1/8"

5/8 NF x 2-1/8

152шт.

20

R25688

SQUARE NUT

5/8 NF; Not Used On Master Link Bolts

152шт.

REF

INSTRUCTION

CHAIN UNIT KIT

1шт.

300215A2

KIT

Incl. Ref 22 - 28, Instructions

1шт.

302847A2

LINK ASSY.

Incl. Ref 22 - 24

1шт.

22

295178A2

LINK

Right-Hand

1шт.

23

295177A2

LINK

Left-Hand

1шт.

24

R56515

BUSHING,33.8mm ID x 56.9mm OD x 109.5mm L

57 mm (2-1/4 in) OD

1шт.

25

R51131

PIN,33.48mm OD x 183.5mm L

2шт.

26

R51132

SPACER

4шт.

27

R50830

OIL SEAL

4шт.

28

R50441

PLUG

2шт.

REF

INSTRUCTION

PIN AND BUSHING KIT - SERVICES COMPLETE TRACK CHAIN FOR BOTH SIDES OF TRACTOR

1шт.

434051A1

REPAIR KIT

Pin and Bushing Kit; Incl. Ref 29 - 34, Instructions

1шт.

29

R51131

PIN,33.48mm OD x 183.5mm L

80шт.

30

R56515

BUSHING,33.8mm ID x 56.9mm OD x 109.5mm L

57 mm (2-1/4 in) OD

80шт.

31

R51132

SPACER

160шт.

32

R50441

PLUG

80шт.

33

R50830

OIL SEAL

160шт.

34

345-140

SEALANT

No. 847, 1 Pint; For Link Pin Bores; Not Illustrated

1шт.

REF

INSTRUCTION

LINK KIT

1шт.

35

418203A1

TRACK CHAIN

Link Service Kit; Incl. 407017A1, Ref 1 - 17

1шт.

Выбрано товаров: 51