Запчасти Case 750L (06-05) - MOUNTING - FINAL DRIVE (06) - POWER TRAIN

Схема запчастей Case 750L - (06-05) - MOUNTING - FINAL DRIVE (06) - POWER TRAIN
6
5
9
4
10
3
5
5
2
8
6
3
10
6
6
1
7
4
8
5
7
FIT
1:1
100%

Артикул

Название

Примечание

Количество

87728954

TRANSMISSION, Long Track Models; Incl. 87724629 Final Drive and Parts On Figure 06-05

1шт.

87728951

TRANSMISSION, Wide Track or Low Ground Pressure Models; Incl. 87724630 Final Drive and Parts On Figure 06-05

1шт.

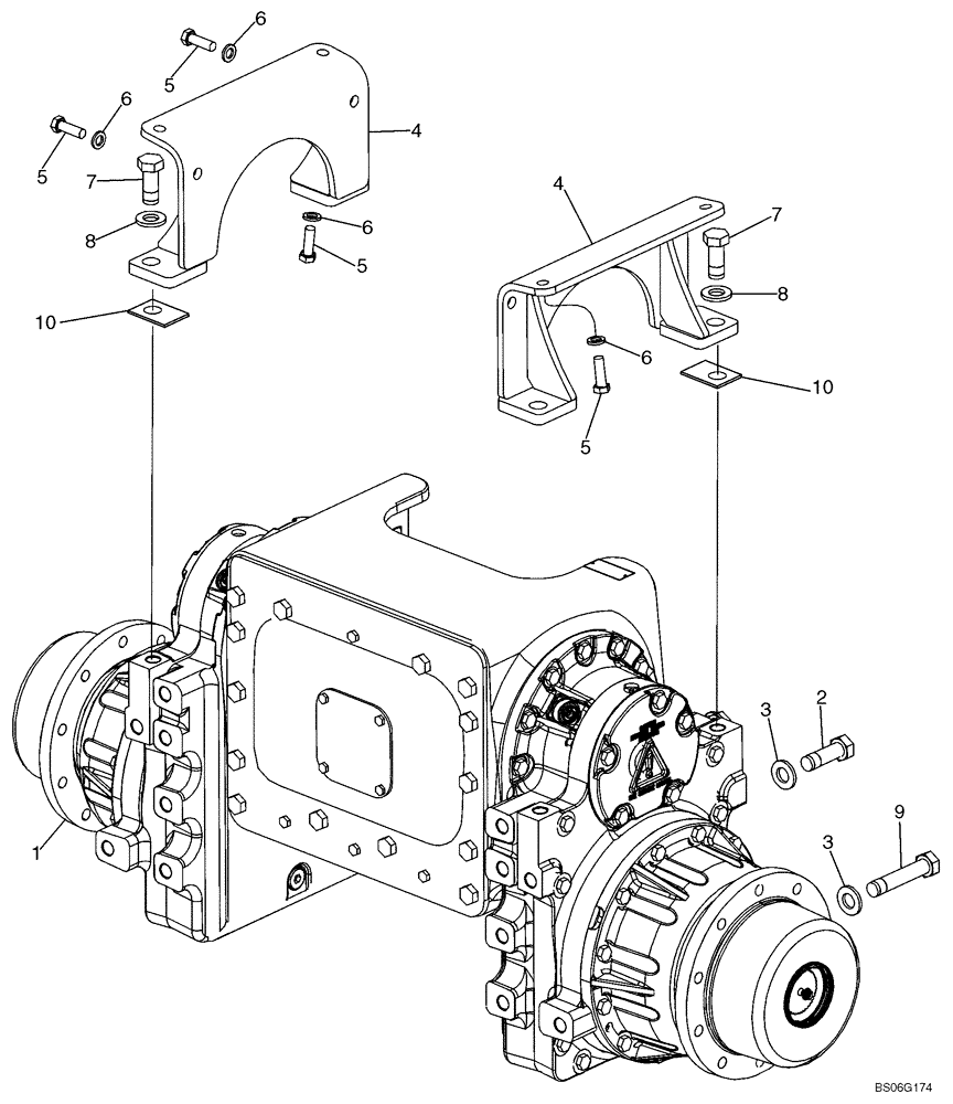
1

87724629

DRIVE ASSY.

FINAL REDUCTION GEARBOX Final Drive Assembly; 1575 mm (62 inch) Gauge Long Track (LT) Models; See Figure 06-06, 06-07

2шт.

87724629R

REMAN-AXLE

750L TIER 3 (1/08-)

2шт.

87724629C

CORE-AXLE

Return Number

1шт.

1

87724630

DRIVE ASSY.

FINAL REDUCTION GEARBOX Final Drive Assembly; 1778 mm (70 inch) Gauge Wide Track (WT) or Low Ground Pressure (LGP) Models; See Figure 06-06, 06-07

2шт.

87724630R

REMAN-FINAL DRIVE

750L TIER 3 (1/08-)

2шт.

87724630C

CORE-FINAL DRIVE

Return Number

1шт.

2

410-91640

BOLT,Hex, 1" - 8 x 2 1/2", Gr 8

6шт.

3

496-31106

WASHER,1 1/16" x 2" x .219", HDN

10шт.

4

436723A1

SUPPORT ASSY.

2шт.

5

627-16050

BOLT,Hex, M16 x 2 x 50mm, Cl 10.9, Full Thd

Use with Loctite 243

8шт.

6

896-11016

WASHER,17.5mm ID x 30mm OD x 4mm Thk

8шт.

7

410-91640

BOLT,Hex, 1" - 8 x 2 1/2", Gr 8

4шт.

8

496-31106

WASHER,1 1/16" x 2" x .219", HDN

4шт.

9

410-91640

BOLT,Hex, 1" - 8 x 2 1/2", Gr 8

4шт.

10

87532203

SHIM

Shim, Tank Frame,60 mm x 80 mm x 1.5 mm

4шт.

Выбрано товаров: 17