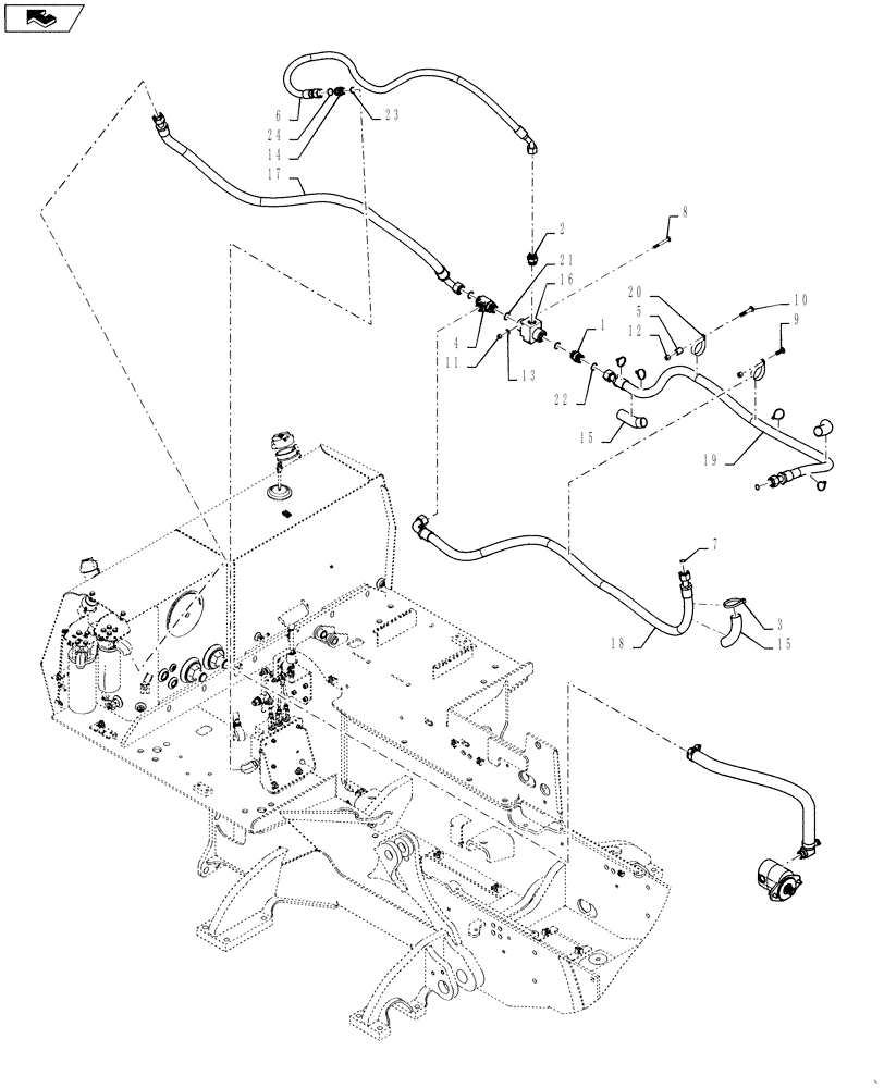
Запчасти Case 750L (08-03[02]) - HYDRAULICS, EQUIPMENT - CONTROL VALVE TO THERMAL BYPASS VALVE AND FILTER (08) - HYDRAULICS

Схема запчастей Case 750L - (08-03[02]) - HYDRAULICS, EQUIPMENT - CONTROL VALVE TO THERMAL BYPASS VALVE AND FILTER (08) - HYDRAULICS
home
18
21
15
1
24
17
14
3
20
15
10
13
7
12
19
11
9
16
4
22
8
2
6
5
23
FIT
1:1
100%

Артикул

Название

Примечание

Количество

1

201-105

HYD CONNECTOR,1-7/16" - 12 Male ORFS x 1-5/16" - 12 Male ORB

1шт.

2

201-129

HYD CONNECTOR,1-3/16" - 12 ORFS x 1-5/16" - 12 ORB

1шт.

3

L11541

CABLE TIE,203.2mm L, Nylon

CABLE STRAP

6шт.

4

201-407

TEE,1 7/16"-12 x 1 5/16"-12 Run, ORFS

1шт.

5

605210R1

SPACER,1/2" X-Strng Pipe x 1 1/8"

1шт.

6

430380A1

HOSE ASSY.

Control Valve To Thermal Bypass Valve

1шт.

7

238-6018

O-RING,0.07" Thk x 0.739" ID, -18, Cl 6, 90 Duro

2шт.

8

87301279

CARRIAGE BOLT,Sht Sq Nk, M10 x 90mm, Cl 8.8

2шт.

9

811-12040

CARRIAGE BOLT,Sht Sq Nk, M12 x 1.75 x 40mm, Cl 8.8

1шт.

10

811-12070

CARRIAGE BOLT,Sht Sq Nk, M12 x 1.75 x 70mm, Cl 8.8

1шт.

11

832-10410

NUT,M10 x 1.5, Cl 8

2шт.

12

832-10412

NUT,M12 x 1.75, Cl 8

2шт.

13

87655046

SPECIAL WASHER,10.65mm ID x 23mm OD x 2.2mm Thk

2шт.

14

9840535

HYD CONNECTOR,1-3/16" - 12 ORFS x 1-1/16" - 12 ORB

1шт.

15

82003133

SHIELD

3шт.

16

84289616

BY-PASS VALVE

Thermal Bypass Valve

1шт.

17

84291819

HOSE ASSY.

Filter To Thermal Bypass Valve

1шт.

18

84298768

HOSE ASSY.

Oil Cooler To Thermal Bypass Valve

1шт.

19

84298769

HOSE ASSY.

Thermal Bypass Valve To Oil Cooler

1шт.

20

86639009

CLAMP,63.5mm, Coat, 13.5mm Bolt Hole, P Type

2шт.

21

9824050

O-RING,0.07" Thk x 0.926" ID, -21, Cl 6, 90 Duro

3шт.

22

167268

O-RING,0.116" Thk x 1.171" ID, -916, Cl 6, 90 Duro

3шт.

23

9991976

O-RING,0.07" Thk x 0.739" ID, -18, Cl 6, 90 Duro

2шт.

24

167266

O-RING,0.116" Thk x 0.924" ID, -912, Cl 6, 90 Duro

1шт.

84384314

KIT

HYDRAULIC UPDATE KIT; Incl. Ref 1, 3, 15 - 20

1шт.

Выбрано товаров: 25