Запчасти Case 750L (09-34) - CAB - HEATER AND AIR CONDITIONING (09) - CHASSIS/ATTACHMENTS

Схема запчастей Case 750L - (09-34) - CAB - HEATER AND AIR CONDITIONING (09) - CHASSIS/ATTACHMENTS
8
44
39
36
3
17
38
20
22
9
26
37
35
43
25
28
42
15
24
32
34
2
24
30
11
26
29
39
5
12
25
16
4
6
19
40
23
38
7
1
14
41
10
21
33
31
13
27
18
23
FIT
1:1
100%

Артикул

Название

Примечание

Количество

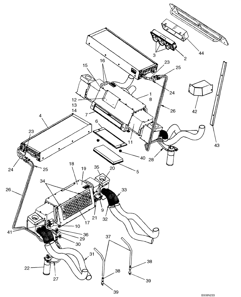
1

87691820

Heater Unit; HVAC Unit, 12V; Complete Unit with Cores, Expansion Valve, and Heater Valve

1шт.

2

87397412

CONTROL

HVAC Control, 12V; Incl. Knobs, Ref 3

1шт.

3

87058322

KNOB

3шт.

4

87550940

CONDENSER

ASSEMBLY; See Figure 09-36

1шт.

5

87691825

CAB FILTER

1шт.

6

87691827

GASKET

FILTER, Frame

1шт.

7

87615070

GASKET

Fresh Air Seal

1шт.

8

87704480

WIRE HARNESS

HVAC Unit Harness; Internal to HVAC Heater Unit, Ref 1

1шт.

9

87586951

VALVE

Water Heater

1шт.

10

87586952

VALVE

EXPANSION VALVE, TXV

1шт.

11

87587512

MOTOR

Blower Motor, 12V; Internal Fan

2шт.

12

87704482

RESISTOR

Blower

1шт.

13

87704483

THERMOSTAT

Thermostat, 12V, Electrical

1шт.

14

87704479

INSTRUMENT PANEL

1шт.

15

87586962

GROMMET

Wire

1шт.

16

87586963

GROMMET

Tube

2шт.

17

87586964

GRILLE ASSY

Recirc. Air Filter

1шт.

17

87397414

CAB FILTER

Foam

1шт.

18

87586966

CORE

Heater

1шт.

19

87586967

EVAPORATOR

Evaporator Core

1шт.

20

515-21159

CLAMP,15.9mm ID, 7.1mm Bolt Hole, P Type

1шт.

21

1954736C1

HOSE CLAMP,#24

2шт.

22

87696535

RECEIVER-DRYER,Air Conditioner

1шт.

23

87586971

HOSE ASSY.,9.53mm ID x 178.05mm L

Lower at Condenser

1шт.

24

87586972

A/C HOSE

Upper

1шт.

25

87586977

TUBE,.375" OD

From Lower Hose At Condenser

1шт.

26

87586978

TUBE,.5" OD

From Upper Hose At Condenser

1шт.

27

87586974

HOSE ASSY.

at Receiver Dryer

1шт.

28

87586973

HOSE ASSY.

at Receiver Dryer

1шт.

29

87586976

TUBE,.625" OD

Upper at Expansion Valve

1шт.

30

87586975

TUBE,.375" OD

Lower at Expansion Valve

1шт.

31

84205272

VENT

4шт.

32

84206149

HOSE,65.00 mm ID x 304.80 mm

Inner

2шт.

33

84206144

HOSE,65.00 mm ID x 228.60 mm

Outer

2шт.

34

87586960

KNOB

Holds Grill On

2шт.

35

87615072

GASKET

GASKET, Plenum Seal Top

2шт.

36

284272A3

SWITCH, A/C LOW PRES

1шт.

37

87727235

HOSE,14.30 mm ID x 675 mm

Union, Connector

2шт.

38

87727238

UNION

UNION, Connector

2шт.

39

87727241

DRAIN

DRAIN, Fitting

2шт.

40

87704478

KNOB

KNOB

2шт.

41

87586958

NUT

U Clamp M6

1шт.

42

87615104

PROTECTIVE COVER

1шт.

43

87577743

CHANNEL

1шт.

44

87281122

SLEEVE

Heater/AC Control Sleeve

1шт.

45

760-14613

SELF-TAP SCREW,Pan Hd, M6.3 x 13

Not Illustrated

25шт.

46

324023A1

HEATER HOSE,15.50 mm ID x 64.00 mm

Supply Not Illustrated

1шт.

Выбрано товаров: 47