Запчасти Case 750L (05-01) - FRAME, TRACK - ROLLER AND RECOIL HOUSING (11) - TRACKS/STEERING

Схема запчастей Case 750L - (05-01) - FRAME, TRACK - ROLLER AND RECOIL HOUSING (11) - TRACKS/STEERING
30
18
5
21
32
23
10
33
14
1
11
2
22
34
6
24
20
28
13
16
12
4
31
24
3
26
9
30
7
27
8
30
17
15
29
25
23
FIT
1:1
100%

Артикул

Название

Примечание

Количество

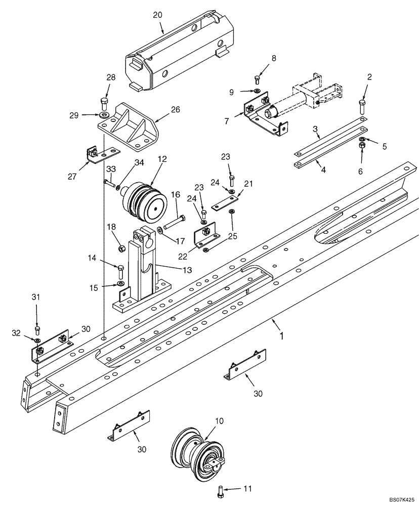
1

87566817

FRAME

FRAME, TrackTrack; U Shaped End Bolt Holes are a Distance of 449.5 mm (17 3/4 in) a part

2шт.

2

413-1040

BOLT,Hex, 5/8" - 11 x 2-1/2", Gr 5

8шт.

3

87559519

SHIM

SHIM Idler Wear Strip; Length 485 mm (19 1/8 in) a part, Bolt Holes are a Distamce of 449.5 mm (17 3/4 in) a part

1шт.

4

87559520

BAR

BAR, Idler Wear; Length 485 mm (19 1/8 in) a part, Bolt Holes are a Distamce of 449.5 mm (17 3/4 in) a part

4шт.

5

492-11062

BEARING WASHER,5/8"

8шт.

6

425-1010

NUT,5/8"-11, G5

8шт.

7

431877A1

BRACKET

Right-Hand; Track Adjuster

1шт.

7a

431795A1

BRACKET

Left-Hand; Track Adjuster; Not Illustrated

1шт.

8

413-816

BOLT,Hex, 1/2" - 13 x 1", Gr 5

4шт.

9

496-21053

WASHER,17/32" x 1 1/16" x .134"

4шт.

10

87581584

TRACK ROLLER,222mm OD x 176mm W

See Figure 05-07

12шт.

11

409-91248

BOLT,Hex, 3/4" - 10 x 3", Gr 5

46шт.

12

87353982

ROLLER

With Hole In Roller Shaft; Component Parts Not Serviced Separately

2шт.

13

87353994

BRACKET, SUPPORTING

2шт.

14

426-1032

BOLT,Hex, 5/8" - 11 x 2", Gr 8

8шт.

15

496-21066

WASHER,16.6mm ID x 33.5mm OD x 3.8mm Thk

8шт.

16

426-1064

BOLT,Hex, 5/8" - 11 x 4", Gr 8

4шт.

17

496-81004

WASHER,41/64" x 1.047" x .134", HDN

2шт.

18

232-41410

LOCK NUT,5/8"-11, GC

4шт.

20

419386A1

HOUSING ASSY.

Recoil; Component Parts Not Serviced Separately

2шт.

21

419387A1

STRAP

Plate

2шт.

22

433162A1

BRACKET

2шт.

23

413-820

BOLT,Hex, 1/2" - 13 x 1-1/4", Gr 5

8шт.

24

496-21053

WASHER,17/32" x 1 1/16" x .134"

8шт.

25

R24323

WASHER

8шт.

26

419391A2

BRACKET

Stop; Recoil

2шт.

27

433564A1

BRACKET

Right-Hand

1шт.

27a

433159A1

BRACKET

Left-Hand; Not Illustrated

1шт.

28

426-1228

BOLT,Hex, 3/4" - 10 x 1-3/4", Gr 8

8шт.

29

496-11081

WASHER,13/16" x 1 1/2" x .134", HDN

8шт.

30

430453A1

BRACKET

6шт.

31

413-820

BOLT,Hex, 1/2" - 13 x 1-1/4", Gr 5

12шт.

32

496-21053

WASHER,17/32" x 1 1/16" x .134"

12шт.

33

413-816

BOLT,Hex, 1/2" - 13 x 1", Gr 5

2шт.

34

495-91167

WASHER,13.49mm ID x 50.8mm OD x 3.4mm Thk

2шт.

Выбрано товаров: 35