Запчасти Case 750L (02-03A) - RADIATOR - FAN GUARDS (02) - ENGINE

Схема запчастей Case 750L - (02-03A) - RADIATOR - FAN GUARDS (02) - ENGINE
6
1
5
2
1
8
2
9
2
1
6
6
5
2
1
5
4
3
6
7
5
5
6
FIT
1:1
100%

Артикул

Название

Примечание

Количество

INSTRUCTION

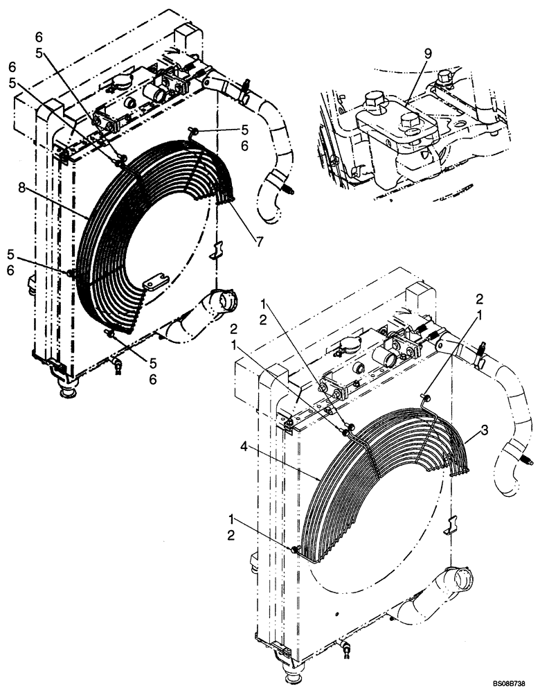
FOR UNITS WITH AIR CONDITIONING

1шт.

1

614-8025

BOLT,Hex, M8 x 1.25 x 25mm, Cl 8.8, Full Thd

5шт.

2

895-15008

WASHER,9mm ID x 20mm OD x 1.6mm Thk

5шт.

3

87482884

GUARD

GUARD, FAN - RH; Replaces 87731514

1шт.

4

87757546

GUARD

GUARD, FAN - LH; Replaces 87731515

1шт.

INSTRUCTION

FOR UNITS WITHOUT AIR CONDITIONING

1шт.

5

614-8025

BOLT,Hex, M8 x 1.25 x 25mm, Cl 8.8, Full Thd

6шт.

6

895-15008

WASHER,9mm ID x 20mm OD x 1.6mm Thk

6шт.

7

87482884

GUARD

GUARD, FAN - RH; Replaces 87731514

1шт.

8

87497505

GUARD

GUARD, FAN - LH; Replaces 87731513

1шт.

9

87731516

PLATE, Non AC Spacer; No Longer Used

1шт.

Выбрано товаров: 11