Качественные детали и логистика
Оригинальные и аналоговые запчасти с доставкой по России, Казахстану и Беларуси
©2022 PartSell ООО "Система" ИНН 2463123282 ОГРН 1212400004838
Центральный офис: г. Красноярск, Академика Киренского, д.87, пом.4
Телефон: 8 (800) 777-65-74 Email: zakaz@partsell.ru
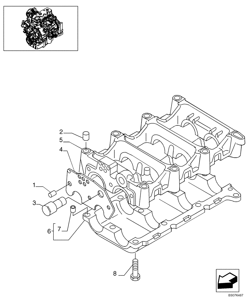
(02-28A) - DYNAMIC BALANCER, GEARS & SHAFTS
№
Артикул
Название
Примечание
Количество
2855744
HOUSING
Incl. Refs. 1 - 8
1шт.
1
2831305
DOWEL,M8 x 17 L
2
4899027
DOWEL,M14.05 x 14 L
2шт.
3
2830948
IDLE SHAFT
4
2855746
THRUST PLATE
5
2831303
6
2831302
Incl. Ref. 7
7
4891209
DOWEL,M13 x 8 L
6шт.
8
4895323
FLANGE BOLT,Hex, M8 x 1.25 x 40mm
12шт.
Выбрано товаров: 0