Запчасти Case 750L (04-15) - CONSOLE, FRONT - CANOPY, ROPS (04) - ELECTRICAL SYSTEMS

Схема запчастей Case 750L - (04-15) - CONSOLE, FRONT - CANOPY, ROPS (04) - ELECTRICAL SYSTEMS
25
3
15
26
21
22
3
9
1
2
16
29
18
8
13
14
30
19
27
20
11
24
2
23
6
13a
28
FIT
1:1
100%

Артикул

Название

Примечание

Количество

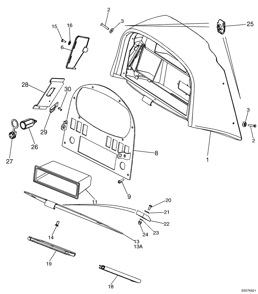
1

87565979

CONSOLE

Front Console; Canopy Models

1шт.

2

14441727

SCREW,Flat Csk Hd, M6 x 35mm, Cl 8.8

Hex Socket Flange

4шт.

3

79076208

WASHER

Nylon

4шт.

6

86984895

PROTECTIVE COVER

Outer

1шт.

8

87664065

CONSOLE

Face Plate, Front Console

1шт.

9

540-712

SCREW,Cross Pan Hd, M5 x 12

8шт.

11

4417913

CONTAINER

Storage Container

1шт.

13

87423753

DOOR

Lockup Door

1шт.

13a

87426769

BUSHING

Lockup Door

2шт.

14

843-1512

SCREW,Flat , M5 x 12mm, Cl 4.8

6шт.

15

540-712

SCREW,Cross Pan Hd, M5 x 12

1шт.

16

87428441

RETAINER

Push On, M5

1шт.

18

87423749

GUIDE

Lock Up Door; Right Hand; Use 345-199 Adhesive Thread Loctite 243

1шт.

19

87423748

GUIDE

Lock Up Door; Left Hand; Use 345-199 Adhesive Thread Loctite 243

1шт.

20

840-1410

SCREW,Pan, M4 x 10mm, Cl 4.8

1шт.

21

895-11006

WASHER,6.6mm ID x 12mm OD x 1.6mm Thk

1шт.

22

87423750

BUMPER

Rubber

1шт.

23

895-11004

WASHER,4.3mm ID x 9mm OD x 0.8mm Thk

1шт.

24

87423751

CROWN NUT

M4

1шт.

25

76047274

NUT,M6 x 1

If Used

4шт.

26

283779A1

POWER SOCKET,12V

1шт.

27

283781A1

CAP,Polyester Elastomer

For Outlet

1шт.

28

87664070

MOUNTING PLATE

PLATE, Diagnostic Mount

1шт.

29

381420A1

TOOL

Clip, Attachment

1шт.

30

86837478

RIVET,Pop, 1/8" x .650"

5шт.

Выбрано товаров: 25