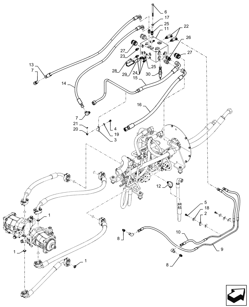
Запчасти Case 750M LT (29.218.AO[05]) - PUMP, HYDRO (29) - HYDROSTATIC DRIVE

Схема запчастей Case 750M LT - (29.218.AO[05]) - PUMP, HYDRO (29) - HYDROSTATIC DRIVE
30
28
14
8
16
1
7
20
5
10
23
24
1
27
19
12
25
1
7
21
9
22
6
27
26
18
17
8
13
3
11
15
25
29
2
4
FIT
1:1
100%

Артикул

Название

Примечание

Количество

1

238-6219

O-RING,0.139" Thk x 1.296" ID, -219, Cl 6, 90 Duro

8шт.

2

515-2495

CLAMP,3/8", Insul, 7/16" Bolt

4шт.

3

515-25190

CLAMP,3/4", Insul, 1/2" Bolt

1шт.

4

614-10020

BOLT,Hex, M10 x 1.5 x 20mm, Cl 8.8, Full Thd

1шт.

5

614-10025

BOLT,Hex, M10 x 1.5 x 25mm, Cl 8.8

2шт.

6

385427

BOLT,Hex, M12 x 1.75 x 150mm, Cl 8.8

2шт.

7

9992307

90 ELBOW,90 Degree, 13/16"-16 x 3/4"-16 Adj, ORFS

2шт.

8

9993143

HYD CONNECTOR,11/16" - 16 ORFS x 9/16" - 18 ORB

3шт.

9

47366068

HYD TUBE

LH Brake Tube

1шт.

10

47366070

HYD TUBE

RH Brake Tube

1шт.

11

84414867

HYDRAULIC MANIFOLD

Valve Assembly

1шт.

12

47468131

90 ELBOW

ELBOW, 90, 1-3/16-12 ORFS X 3/4-16 ORB

1шт.

13

84422711

HYDRAULIC HOSE

U2 Drain Hose

1шт.

14

84422712

HYDRAULIC HOSE

U1 Drain Hose

1шт.

15

84566367

HYD TUBE

LH Motor to Manifold Tube

1шт.

16

84566368

HYDRAULIC HOSE

RH Motor to Manifold Tube

1шт.

17

87655043

WASHER,M12, 13.65mm ID x 24.90mm OD x 3.20mm, HT Boron, ZNM

M12, 13.65X24.9X3.2 HTS BORON ZN

2шт.

18

87687101

WASHER,10.65mm ID x 31mm OD x 3.3mm Thk

M10, 10.65X31.0X3.0 HTS BORON ZN

2шт.

19

87713132

SPECIAL WASHER,10.7mm ID x 23mm OD x 2.2mm Thk

M10, 10.65X23.0X2.2 HTS BORON, B

1шт.

20

122958A1

SQUARE NUT

M10 X 1.5

1шт.

21

336371A1

PIN,4.88mm OD x 14.23mm L

Nut Retainer Pin

1шт.

22

9840601

ELBOW,11/16" - 16 Male ORFS x 9/16" - 18 Male ORB

2шт.

23

9993143

HYD CONNECTOR,11/16" - 16 ORFS x 9/16" - 18 ORB

1шт.

24

87681202

HYD CONNECTOR,9/16" - 18 ORFS x 7/16" - 20 ORB

1/4" ORFS- ORB 1/4"

3шт.

25

9992305

HYD CONNECTOR,13/16" - 16 ORFS x 3/4" - 16 ORB

3шт.

26

9840535

HYD CONNECTOR,1-3/16" - 12 ORFS x 1-1/16" - 12 ORB

2шт.

27

9840325

HYD CONNECTOR,1 11/16"-12 ORFS x 1 5/8"-12 ORB

3шт.

28

87403648

PRESSURE SWITCH

Circuit to Open at 267 PSI, Single Pole Single Throw

1шт.

29

87368476

PRESSURE SWITCH

Circuit to Close at 175 PSI, Single Pole Single Throw

1шт.

30

84345472

BRAKE VALVE

Park Break Solenoid

1шт.

Выбрано товаров: 30