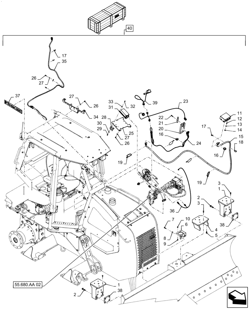
Запчасти Case 750M WT/LGP (55.680.AA[01]) - TRIMBLE READY (55) - ELECTRICAL SYSTEMS

Схема запчастей Case 750M WT/LGP - (55.680.AA[01]) - TRIMBLE READY (55) - ELECTRICAL SYSTEMS
7
29
18
2
22
38
25
5
2
8
24
27
15
33
31
16
10
26
11
27
3
38
55.680.aa 02
19
32
13
28
39
34
14
27
26
37
40
4
1
30
3
6
17
35
1
36
21
23
16
9
17
12
26
20
19
FIT
1:1
100%

Артикул

Название

Примечание

Количество

1

47411774

BRACKET

2шт.

2

47410091

BOLT

8шт.

3

9706687

BOLT,M12 x 1.75 x 30mm, Cl 8.8

12шт.

4

47411775

BRACKET

1шт.

5

86981487

BOLT,Flange, M12 x 35mm, Full, Cl 10.9 DOR

4шт.

6

47411778

BRACKET

1шт.

7

43248

BOLT,Hex, M10 x 1.5 x 40mm, Cl 10.9

2шт.

8

140028

WASHER,10.2mm ID x 18.1mm OD x 2.2mm Thk

2шт.

9

88542

BOLT,Hex, 1/4"-20 x 1/2", Gr 5

4шт.

10

87310307

CROWN NUT,Crown, 1/4"-20

4шт.

11

47411781

BRACKET

1шт.

12

86511841

BOLT,Flng, M8 x 1.25 x 16mm, Full Thd, Cl 8.8

2шт.

13

86624184

WASHER,9mm ID x 16mm OD x 1.6mm Thk

2шт.

14

43362

NUT,M8 x 1.25, Cl 10

2шт.

15

47411793

WIRE HARNESS

1шт.

16

87423314

GROMMET,1.5" ID x 2.125" ID x 0.562" Thk

2шт.

17

86010402

CLAMP,12.7mm, Coat, 10.3mm Bolt Hole, P Type

5шт.

18

L11541

CABLE TIE,203.2mm L, Nylon

6шт.

19

L18331

CABLE TIE,375.9mm L, Nylon, Black

12шт.

20

47411783

BRACKET

1шт.

21

47466111

POST

1шт.

22

86512139

HEX SOC SCREW,M10 x 40mm, Cl 12.9

2шт.

23

47411794

WIRE HARNESS

1шт.

24

47466112

WIRE HARNESS

1шт.

25

47411785

BRACKET

1шт.

26

43139

BOLT,M10 x 1.5 x 25mm, Cl 8.8

6шт.

27

86624176

WASHER,11mm ID x 20mm OD x 2mm Thk

6шт.

28

47467619

BRACKET

1шт.

29

43232

BOLT,Hex, M8 x 16mm, Cl 10.9

2шт.

30

13578378

WASHER,8.15mm ID x 24mm OD x 2mm Thk

2шт.

31

47467614

CONTROLLER

1шт.

32

87646159

BOLT,Hex, M8 x 20mm, Cl 8.8

4шт.

33

86632601

LOCK WASHER,8.4mm ID x 15mm OD x 0.8mm Thk

4шт.

34

47411780

BRACKET

1шт.

35

47411795

WIRE HARNESS

1шт.

36

47365605

WIRE HARNESS

1шт.

37

47560212

DECAL

3шт.

38

47882848

SPACER

2шт.

39

47365600

WIRE HARNESS

1шт.

40

47729755

KIT

Trimble Ready Kit, Incl 1 - 39

1шт.

Выбрано товаров: 40