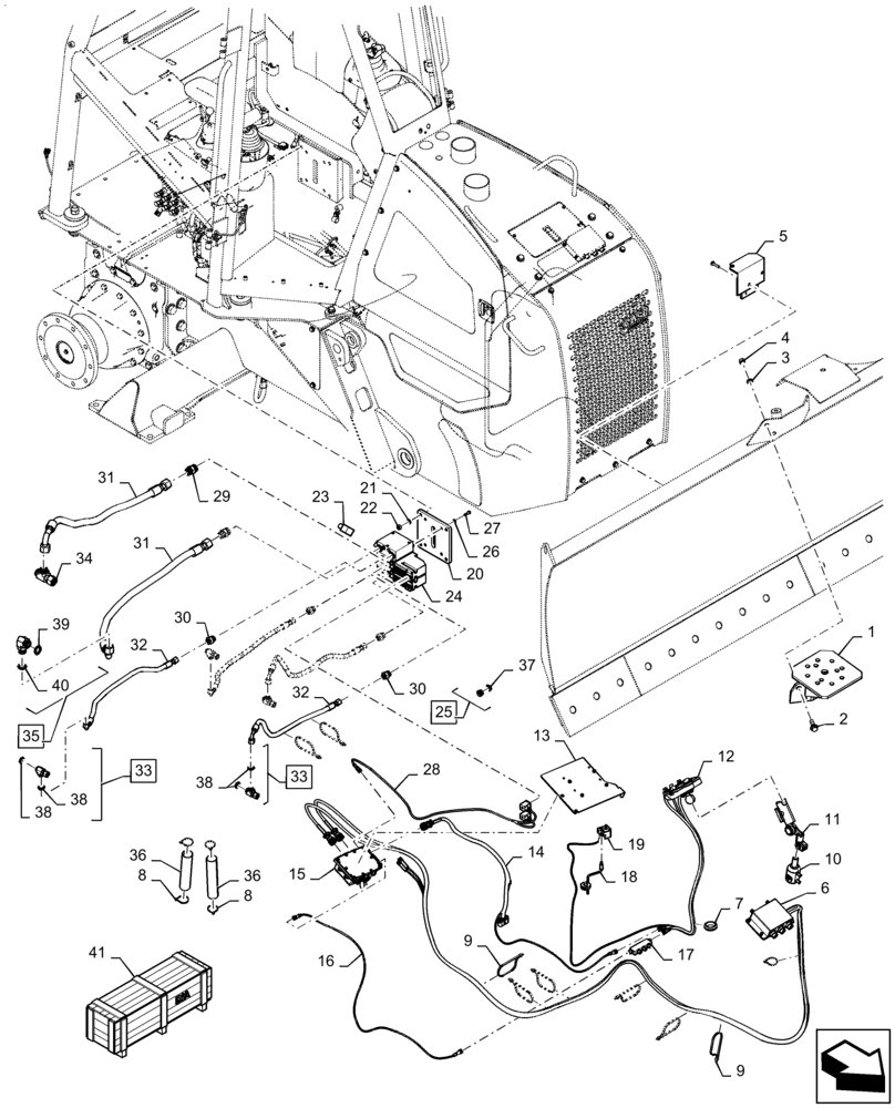
Запчасти Case 750M WT/LGP (55.680.AA[04]) - DOZER BLADE, GUIDE LEICA READY (55) - ELECTRICAL SYSTEMS

Схема запчастей Case 750M WT/LGP - (55.680.AA[04]) - DOZER BLADE, GUIDE LEICA READY (55) - ELECTRICAL SYSTEMS
32
10
38
31
17
5
38
38
8
41
8
30
18
19
21
15
34
36
36
31
33
26
4
2
33
16
22
23
20
35
11
7
27
25
28
13
9
3
29
30
1
6
39
37
9
14
24
12
32
40
FIT
1:1
100%

Артикул

Название

Примечание

Количество

1

47635923

BRACKET

Leica Center Mast

1шт.

2

87015926

BOLT,Hex, M16 x 45mm, Cl 8.8

4шт.

3

10520201

WASHER,16.4mm ID x 28mm OD x 3mm Thk

4шт.

4

392530

NUT,M16, Cl 10

4шт.

5

47408804

BRACKET

Leica DZ Slope Sensor

1шт.

6

47692472

WIRE HARNESS

Leica DZ Quick Connect

1шт.

7

87423314

GROMMET,1.5" ID x 2.125" ID x 0.562" Thk

2шт.

8

L11541

CABLE TIE,203.2mm L, Nylon

6шт.

9

L18331

CABLE TIE,375.9mm L, Nylon, Black

12шт.

10

47408806

BRACKET

Leica DZ Display Post

1шт.

11

47408796

BRACKET

Leica DZ Display Arm

1шт.

12

47693937

MODULE

Leica DZ Cradle

1шт.

13

47424058

BRACKET

Leica DZ Controller

1шт.

14

47693912

WIRE HARNESS

Leica DZ Interface

1шт.

15

47466116

MODULE

Leica Junction Box

1шт.

16

47551349

WIRE HARNESS

Leica DZ M1 Display

1шт.

17

47481723

ELEC CONNECTOR

Leica Can Splitter

1шт.

18

47481717

BRACKET

Leica DZ Switch

1шт.

19

47481721

TOGGLE SWITCH

Leica Auto / Man

1шт.

20

47365602

BRACKET

Leica DZ Control Valve

1шт.

21

140028

WASHER,10.2mm ID x 18.1mm OD x 2.2mm Thk

4шт.

22

86500689

NUT,M10 x 1.5, Cl 10

4шт.

23

283354

90 ELBOW,90 Degree, 1/2"-14 Female x 1/2"-14 Male

1шт.

24

47365603

VALVE

Leica DZ Directional Control

1шт.

25

86590562

PLUG,Hex Soc, 3/4" - 16 ORB

Incl. 37

1шт.

26

86624184

WASHER,9mm ID x 16mm OD x 1.6mm Thk

4шт.

27

9635884

BOLT,Hex, 5/16" - 18 1", Full Thd, Gr 5

4шт.

28

47365615

WIRE HARNESS

Leica DZ Control Valve

1шт.

29

47743826

HYD CONNECTOR

2шт.

30

84139327

HYD CONNECTOR

4шт.

31

47466108

HOSE

2шт.

32

47466107

HOSE

4шт.

33

84989848

TEE,11/16" - 16 ORFS x 11/16" - 16 ORFS x 11/16" - 16 JIC

Incl. (2) Ref. 38

4шт.

34

87016915

TEE,1-3/16"-12 ORFS x 13.9mm ORB

1шт.

35

9846848

90 ELBOW,1-3/16"-12 ORFS x 1-1/16"-12 ORB

Incl (1) Ref. 39 and (1) Ref. 40

1шт.

36

47606515

SLEEVE

2шт.

37

128825

O-RING,0.087" Thk x 0.644" ID, -908, Cl 6, 90 Duro

Incl W/ Ref. 25

1шт.

38

9993141

O-RING,0.07" Thk x 0.364" ID, -12, Cl 6, 90 Duro

Incl W/ Ref. 33

8шт.

39

167266

O-RING,0.116" Thk x 0.924" ID, -912, Cl 6, 90 Duro

Incl W/ Ref. 34

1шт.

40

9991976

O-RING,0.07" Thk x 0.739" ID, -18, Cl 6, 90 Duro

Incl W/ Ref. 34

1шт.

41

47762242

KIT

DIA, Leica Ready Blade Control, Inst. 47762243

1шт.

Выбрано товаров: 41