Запчасти Case 750M WT/LGP (90.150.AB [01]) - ROPS CAB (90) - PLATFORM, CAB, BODYWORK AND DECALS

Схема запчастей Case 750M WT/LGP - (90.150.AB [01]) - ROPS CAB (90) - PLATFORM, CAB, BODYWORK AND DECALS
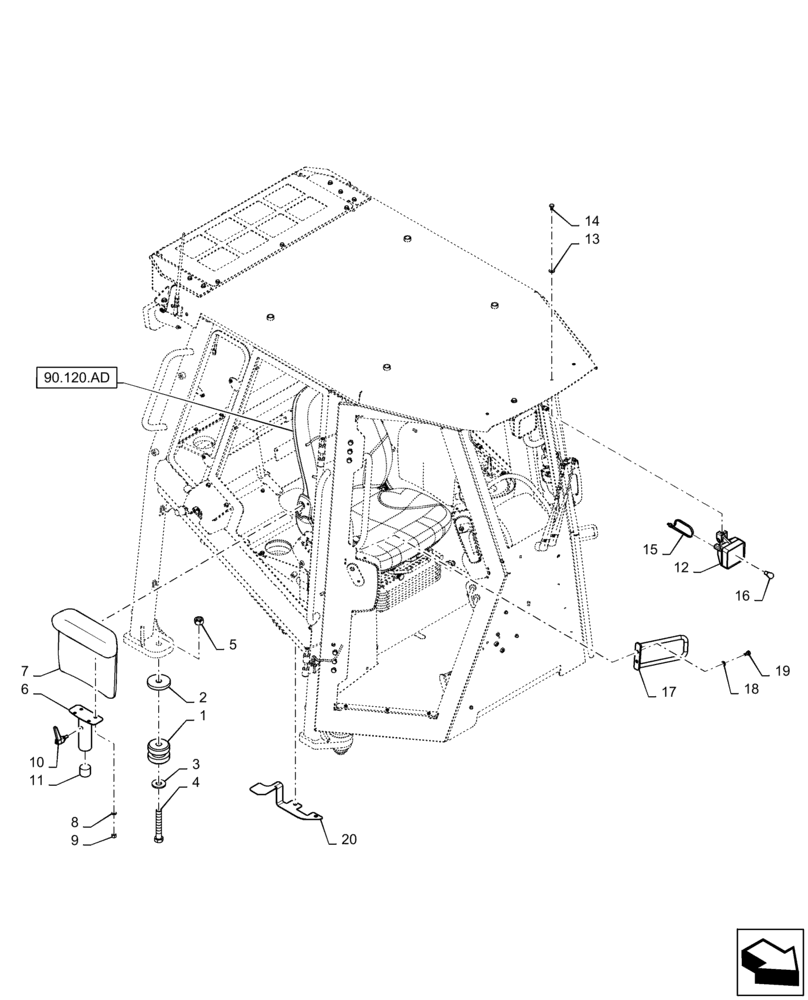
20
10
3
16
7
1
11
8
17
4
12
19
2
14
5
13
6
18
90.120.ad
15
9
FIT
1:1
100%

Артикул

Название

Примечание

Количество

1

84474297

RUBBER MOUNTING

Cab

4шт.

2

47533303

SPACER,23mm ID x 95mm OD x 12mm Thk

Cab Mounting

4шт.

3

396-41094

WASHER,23.82mm ID x 57.15mm OD x 5.56mm Thk

4шт.

4

326-1488

BOLT,Hex, 7/8" - 9 x 5-1/2", Gr 8

4шт.

5

329-1014

NUT,7/8"-9, G8

4шт.

6

84342975

TUBE

Armrest Mount

2шт.

7

87410160

ARMREST

Pad

2шт.

8

895-15008

WASHER,9mm ID x 20mm OD x 1.6mm Thk

8шт.

9

832-10408

NUT,M8 x 1.25, Cl 8.8

8шт.

10

87446967

HANDLE

2шт.

11

47512065

PANEL

Sound Absorbing, Arm Rest

2шт.

12

87555142

LIGHT ASSY.,Halogen, 24V, 65W, Clear

Housing

3шт.

12

47682624

WORK LAMP

LAMP, WORK, LED

3шт.

13

87655046

SPECIAL WASHER,10.65mm ID x 23mm OD x 2.2mm Thk

3шт.

14

614-10016

BOLT,Hex, M10 x 1.5 x 16mm, Cl 8.8, Full Thd

3шт.

15

L18331

CABLE TIE,375.9mm L, Nylon, Black

3шт.

16

87563198

BULB,24V, 65 WATT, H.D. H - 3

24 Volt 65 Watt

3шт.

17

47408831

HANDLE

1шт.

18

895-11010

WASHER,11mm ID x 20mm OD x 2mm Thk

2шт.

19

9861444

BOLT,Hex, M10 x 1.5 x 20mm, Cl 10.9

2шт.

20

47523127

PLATE

1шт.

Выбрано товаров: 21