Запчасти Case 650 (8-36) - EQUIPMENT CONTROL VALVE AND MOUNTING (08) - HYDRAULICS

Схема запчастей Case 650 - (8-36) - EQUIPMENT CONTROL VALVE AND MOUNTING (08) - HYDRAULICS
13
5
10
6
13
13
7
14
13
13
10
14
8
4
2
11
1
12
3
15
13
10
10
9
12
12
12
FIT
1:1
100%

Артикул

Название

Примечание

Количество

1

REF

INSTRUCTION

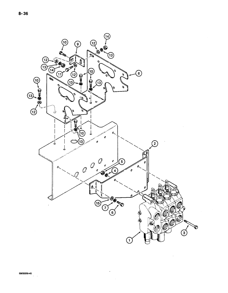
VALVE ASSEMBLY - equipment control, see Figure 8-46 or 8-48 for correct assembly and components

1шт.

2

R56654

SUPPORT

BRACKET - mounting, control valve

1шт.

3

413-544

BOLT,Hex, 5/16" - 18 x 2-3/4", Gr 5

- hex, 5/16 NC x 2-3/4 inch

3шт.

4

492-11031

LOCK WASHER,5/16"

WASHER, LOCK, 5/16"

3шт.

5

425-105

NUT,5/16"-18, G5

- hex, 5/16 inch NC

3шт.

6

413-616

BOLT,Hex, 3/8" - 16 x 1", Gr 5

- hex, 3/8 NC x 1 inch

3шт.

7

492-11038

LOCK WASHER,3/8"

3шт.

8

R56655

SUPPORT

BRACKET - mounting, linkage

1шт.

9

R41335

SUPPORT

BRACKET - angle, linkage bracket support

1шт.

10

413-616

BOLT,Hex, 3/8" - 16 x 1", Gr 5

- hex, 3/8 NC x 1 inch

5шт.

11

413-620

BOLT,Hex, 3/8" - 16 x 1-1/4", Gr 5

- hex, 3/8 NC x 1-1/4 inch

1шт.

12

495-11041

WASHER,0.406" ID x 0.812" OD x 0.065" W

(Flat, 13/32 x 13/16 x 1/16") 3/8", SAE

4шт.

13

492-11038

LOCK WASHER,3/8"

6шт.

14

425-106

NUT,3/8"-16, Cl 5

2шт.

15

D41740

WASHER

- flat, 25/64 x 1 x 7/64 inch, hardened

3шт.

Выбрано товаров: 15