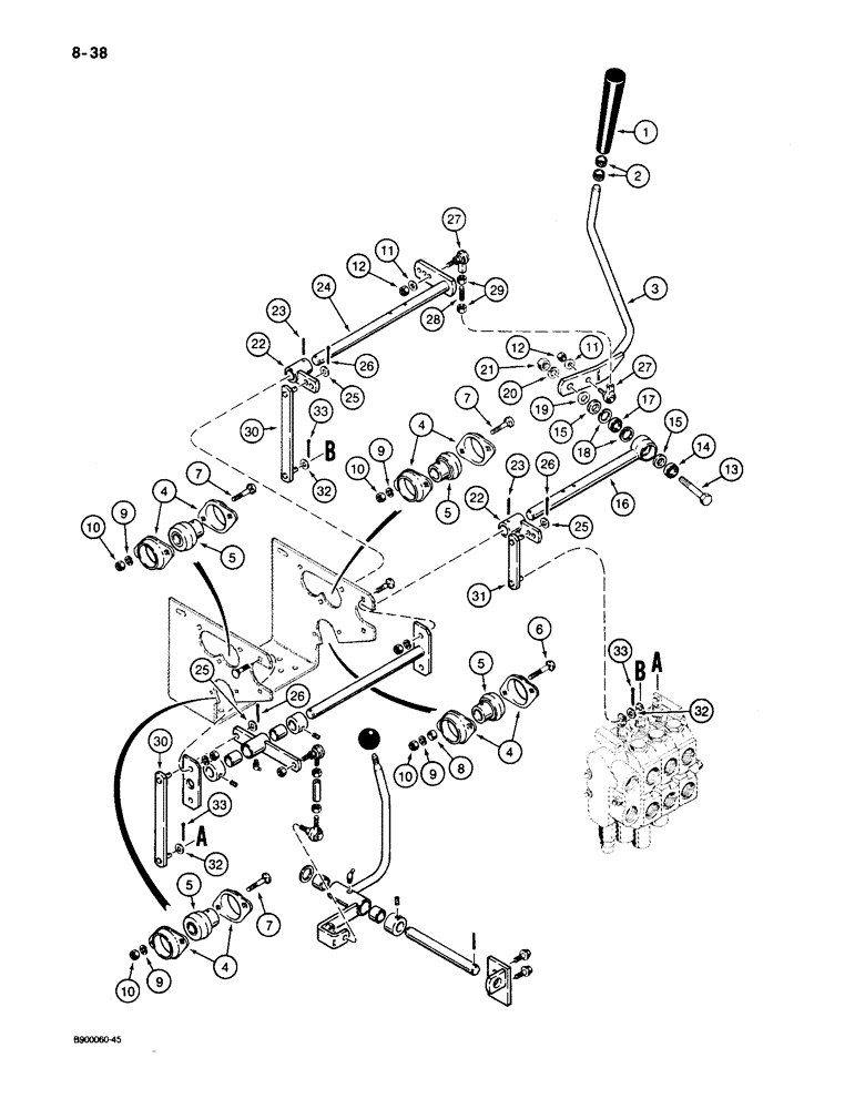
Запчасти Case 650 (8-38) - EQUIPMENT CONTROL VALVE AND LEVERS, TWO LEVERS - THREE SPOOL VALVE (08) - HYDRAULICS

Схема запчастей Case 650 - (8-38) - EQUIPMENT CONTROL VALVE AND LEVERS, TWO LEVERS - THREE SPOOL VALVE (08) - HYDRAULICS
26
23
7
30
4
5
29
10
1
10
27
3
4
10
13
25
33
7
32
25
2
31
14
33
9
6
24
19
5
32
32
12
5
22
4
7
11
9
15
26
23
11
4
17
16
25
8
12
21
9
22
30
9
15
18
10
33
5
28
26
27
20
FIT
1:1
100%

Артикул

Название

Примечание

Количество

REF

INSTRUCTION

VALVE ASSEMBLY - equipment control, for correct assembly and components see Figure 8-46 or 8-48, for mounting see Figure 8-36

1шт.

1

R38654

KNOB

- dual control lever

1шт.

2

R38655

RING

BUSHING - knob, dual control lever

2шт.

3

R56421

LEVER

- dual control (lift and tilt)

1шт.

4

469924R1

FLANGE

- ball bearing

8шт.

5

R36380

BALL BEARING,19.05 mm ID x 47 mm OD x 15, 30.96 mm

BEARING - ball, shaft

4шт.

6

411-524

CARRIAGE BOLT,Sq Nk, 5/16" - 18 x 1 1/2", Gr 2

2шт.

7

411-516

CARRIAGE BOLT,Sq Nk, 5/16" - 18 x 1", Gr 2

6шт.

8

R56431

SPACER

- ball bearing

2шт.

9

492-11031

LOCK WASHER,5/16"

WASHER, LOCK, 5/16"

8шт.

10

425-105

NUT,5/16"-18, G5

- hex, 5/16 inch NC

8шт.

11

495-21038

WASHER,5/16"

(flat, 3/8 x 7/8 x 5/64") 5/16"

2шт.

12

131-1231

LOCK NUT,5/16"-24, GC

NUT, LOCK, 5/16"-24, GC

2шт.

13

413-836

BOLT,Hex, 1/2" - 13 x 2-1/4", Gr 5

- hex, 1/2 NC x 2-1/4 inch

1шт.

14

R56407

BEARING, BALL,12.7 mm ID x 28.575 mm OD x 7.938 mm

BEARING - ball, shaft

1шт.

15

R56436

SPACER

- ball bearing

2шт.

R5662

SHAFT ASSEMBLY - control, lower, Includes: Ref. 16 - 18

1шт.

16

NSS

NOT SOLD SEPARAT

SHAFT - control, lower

1шт.

17

R56407

BEARING, BALL,12.7 mm ID x 28.575 mm OD x 7.938 mm

BEARING - ball, shaft

1шт.

18

A36277

SNAP RING,1.125", Int, #112

ball brg 1.125", Int, #112

2шт.

19

495-11053

WASHER,1/2", SAE

(17/32" x 1-1/16" x 3/32") 1/2", SAE

1шт.

20

80679

LOCK WASHER,1/20.507 CST ZND

WASHER, LOCK, 1/2"

1шт.

21

425-108

NUT,1/2" - 13, Gr 5

NUT, , Hex 1/2"-13, G5

1шт.

22

R56660

LEVER

- spool, Serial Range: link-shaft

2шт.

23

138-2053

PIN,1/4" x 1 1/4", Coiled

2шт.

24

R56665

SHAFT ASSY.

SHAFT - control, upper

1шт.

25

495-11041

WASHER,0.406" ID x 0.812" OD x 0.065" W

(Flat, 13/32 x 13/16 x 1/16") 3/8", SAE

3шт.

26

132-320

COTTER PIN,3/32" x 3/4"

PIN, SPLIT (COTTER), 3/32" x 3/4"

3шт.

27

H289652

BALL JOINT,5/16" - 24 x 1-3/8" L

JOINT - ball, female

2шт.

28

R56432

ROD,THREADED

ROD - threaded, ball joints

1шт.

29

425-115

NUT,5/16"-24, G5

- hex, 5/16 inch NF

2шт.

30

R56656

LINK

- long, at control valve spool

2шт.

31

R56658

LINK

- short, at control valve spool

1шт.

32

495-11034

WASHER,5/16", SAE

5/16" SAE (flat, 11/32 x 11/16 x 1/16")

3шт.

33

132-320

COTTER PIN,3/32" x 3/4"

PIN, SPLIT (COTTER), 3/32" x 3/4"

3шт.

Выбрано товаров: 35