Запчасти Case 650 (9-04) - DOZER LEVELING BEAM, BLADE, AND TILT CYLINDER (09) - CHASSIS/ATTACHMENTS

Схема запчастей Case 650 - (9-04) - DOZER LEVELING BEAM, BLADE, AND TILT CYLINDER (09) - CHASSIS/ATTACHMENTS
2
24
26
15
11
11
16
4
9
14
21
9
18
7
25
3
6
23
8
21
24
1
13
17
12
25
26
10
22
20
7
5
8
19
FIT
1:1
100%

Артикул

Название

Примечание

Количество

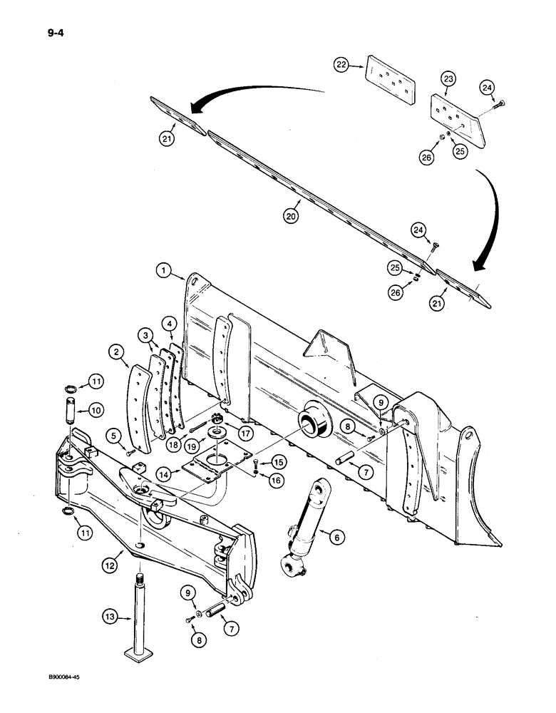
1

R57022

BULL BLADE

BLADE - dozer

1шт.

2

R36266

PLATE

- wear, blade

2шт.

3

R31646

SPACER

- wear plate

4шт.

4

R31647

SHIM,.018" Thk

1шт.

R31647 IS .016/.020" THICK

1шт.

5

413-1228

BOLT,Hex, 3/4" - 10 x 1-3/4", Gr 5

- hex, 3/4 NC x 1-3/4 inch

12шт.

6

G109485

CYLINDER ASSY.

CYLINDER ASSEMBLY - tilt, parts list Figure 8-30

1шт.

7

R50191

PIN

- tilt cylinder mounting

2шт.

8

413-1016

BOLT,Hex, 5/8" - 11 x 1", Gr 5

- hex, 5/8 NC x 1 inch

2шт.

9

70523

WASHER,16.67mm ID x 47.63mm OD x 6.35mm Thk

- flat, 21/32 x 1-7/8 x 1/4 inch thick, hardened, pin retaining

2шт.

10

R56417

PIN

- Angle cylinder mounting

2шт.

11

D25280

SNAP RING,#175, Ext

Ring, Snap, , pin #175, Ext

4шт.

12

R42554

BEAM

- leveling, blade

1шт.

13

R31968

PIN

- pivot, leveling beam

1шт.

14

R46374

SUPPORT

BRACKET - hose retaining

1шт.

15

413-816

BOLT,Hex, 1/2" - 13 x 1", Gr 5

2шт.

16

80679

LOCK WASHER,1/20.507 CST ZND

WASHER, LOCK, 1/2"

2шт.

17

25-1224

SLOTTED NUT,1 1/2"-6, G5

NUT - hex, slotted, 1-1/2 inch NC

1шт.

18

132-319

COTTER PIN,1/4" x 3"

Pin, Split (Cotter), 1/4" x 3"

1шт.

19

R26660

WASHER,40.39mm ID x 101.6mm OD x 12mm Thk

- flat, special

1шт.

20

R44600

EDGE, CUTTING

EDGE - cutting, center

1шт.

21

R42470

EDGE, CUTTING

EDGE - cutting, end, flat type, standard, if used

2шт.

22

R41351

EDGE, CUTTING

EDGE - cutting, end, curved type, heavy duty, left-hand, if used

1шт.

23

R41352

EDGE, CUTTING

EDGE - cutting, end, curved type, heavy duty, right-hand if used

1шт.

24

R56473

PLOW BOLT

BOLT - plow, 5/8 NC x 2-1/4 inch, grade 8

23шт.

25

492-11062

BEARING WASHER,5/8"

WASHER, LOCK, 5/8"

23шт.

26

29-1010

NUT,5/8"-11, G8

- hex, 5/8 inch, NC, grade 8

23шт.

Выбрано товаров: 27