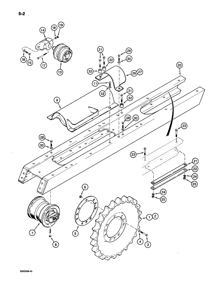
Запчасти Case 650 (5-02) - TRACK FRAME, SPROCKET, ROLLER, AND RECOIL HOUSING (11) - TRACKS/STEERING

Схема запчастей Case 650 - (5-02) - TRACK FRAME, SPROCKET, ROLLER, AND RECOIL HOUSING (11) - TRACKS/STEERING
5
23
28
7
18
6
17
30
11
30
22
2
25
3
32
24
32
15
24
32
16
23
4
12
8
19
25
13
26
27
31
1
31
14
30
20
28
29
21
9
FIT
1:1
100%

Артикул

Название

Примечание

Количество

1

R56464

DRIVE SPROCKET

SPROCKET - track drive, if used

2шт.

2

R56508

DRIVE SPROCKET

SPROCKET - relieved, if used, not shown

2шт.

3

R27954

BOLT

- hex, special

20шт.

4

D34666

WASHER,33.34mm ID x 63.5mm OD x 2.38mm Thk

- flat, 3/4 inch, hardened

20шт.

5

R46160

SHIM,.032" Thk

Sprocket .032" Thk

1шт.

6

131-1152

LOCK NUT,3/4"-10, GC

NUT, LOCK, 3/4"-10, GC

20шт.

7

R56593

SHIFTER ROLLER

ROLLER ASSEMBLY - track, parts list Figure 5-10

10шт.

8

113-2707

LOCK BOLT,Locking, 3/4"-10 x 3", G5

BOLT, Locking, 3/4"-10 x 3", G5

40шт.

9

R44850

HOUSING

- recoil, right-hand

1шт.

10

R44849

HOUSING

- recoil, left-hand, not shown

1шт.

11

413-1020

BOLT,Hex, 5/8" - 11 x 1-1/4", Gr 5

12шт.

12

96-21066

WASHER,21/32" x 1 5/16" x .150", HDN

- flat, 21/32 x 1-5/16 x 5/32 inch, hardened

12шт.

13

R33965

ROLLER

ASSEMBLY - carrier, parts list Figure 5-12

2шт.

14

D45485

BRACKET

- carrier roller

2шт.

15

113-2714

LOCK BOLT,Locking, 3/4"-10 x 2", G8

BOLT, Locking, 3/4-10 x 2", G8

4шт.

16

D34666

WASHER,33.34mm ID x 63.5mm OD x 2.38mm Thk

- flat, special

4шт.

17

326-868

BOLT,Hex, 1/2" - 13 x 4-1/4", Gr 8

- hex, 1/2 NC x 4-1/4 inch, grade 8

2шт.

18

80679

LOCK WASHER,1/20.507 CST ZND

WASHER, LOCK, 1/2"

2шт.

19

425-108

NUT,1/2" - 13, Gr 5

NUT, , Hex 1/2"-13, G5

2шт.

20

R57092

FRAME

- track

2шт.

21

CASR32491

SHIM

- 1/32 inch (0.762 mm) thick, idler, below track frame

1шт.

22

R32465

BAR

PLATE - wear, idler, lower

4шт.

23

413-1040

BOLT,Hex, 5/8" - 11 x 2-1/2", Gr 5

- hex, 5/8 NC x 2-1/2 inch

8шт.

24

492-11062

BEARING WASHER,5/8"

WASHER, LOCK, 5/8"

8шт.

25

425-1010

NUT,5/8"-11, G5

8шт.

26

R35422

COVER

- recoil housing, left-hand

1шт.

27

R35423

COVER

- recoil housing, right-hand

1шт.

28

113-2714

LOCK BOLT,Locking, 3/4"-10 x 2", G8

BOLT, Locking, 3/4-10 x 2", G8

12шт.

29

26-1224

BOLT,Hex, 3/4" - 10 x 1-1/2", Gr 8

2шт.

30

D34666

WASHER,33.34mm ID x 63.5mm OD x 2.38mm Thk

- flat, 3/4 inch, hardened

14шт.

31

26-1248

BOLT,Hex, 3/4" - 10 x 3", Gr 8

- hex, 3/4" -10 NC x 3, G8, use with Loctite 242, forward leg of main frame to track frame, inner bolts, both sides

8шт.

32

R30398

SPACER

- forward leg of main frame to track frame, inner bolts, both sides

8шт.

Выбрано товаров: 32