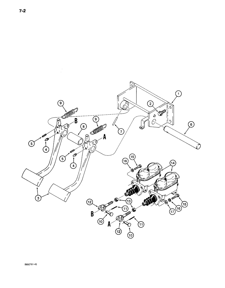
Запчасти Case 650 (7-02) - POWER BRAKE PEDALS AND MASTER CYLINDER MOUNTING (07) - BRAKES

Схема запчастей Case 650 - (7-02) - POWER BRAKE PEDALS AND MASTER CYLINDER MOUNTING (07) - BRAKES
10
12
7
17
11
14
13
9
2
15
12
1
5
4
9
10
15
16
5
16
4
6
11
8
3
FIT
1:1
100%

Артикул

Название

Примечание

Количество

1

R51378

SUPPORT

BRACKET - brake pedal and spring mounting

1шт.

2

121-429

FLANGE BOLT,Hex, 1/2" - 13 x 1 1/4", Gr 8, Full Thd

BOLT, Hex Flg, 1/2"-13 x 1 1/4", G8, Full Thd

4шт.

3

R51498

PEDAL

- brake

2шт.

4

219-1

LUBE NIPPLE,1/8" - 27 NPTF

FITTING - grease, straight, 1/8 inch NPT

2шт.

5

178-446

SET SCREW,Hex Soc, 5/16"-18 x 1"

SCREW - set, hex socket, flat point, 5/16 NC x 1 inch

2шт.

6

R51381

SHAFT

- brake pedals

1шт.

7

138-2016

PIN,1/4" x 1 7/8", Coiled

1шт.

8

R51385

SPACER

- between brake pedals

1шт.

9

D120911

SPRING

- pedal

2шт.

10

141-64

CLEVIS PIN,7/16" x 1.190"

plated 7/16" x 1.190"

2шт.

11

132-320

COTTER PIN,3/32" x 3/4"

PIN, SPLIT (COTTER), 3/32" x 3/4"

2шт.

12

D94105

YOKE

CLEVIS - 7/16 inch NF, brake pedal to master cylinder

2шт.

13

425-157

JAM NUT,Jam, 7/16"-20, G5

2шт.

14

D131596

MASTER CYLINDER

CYLINDER ASSEMBLY - master, brake, parts list Figure 7-6

2шт.

15

413-620

BOLT,Hex, 3/8" - 16 x 1-1/4", Gr 5

- hex, 3/8 NC x 1-1/4 inch

6шт.

16

492-11038

LOCK WASHER,3/8"

6шт.

17

D41740

WASHER

- flat, 3/8 inch, hardened

2шт.

Выбрано товаров: 17