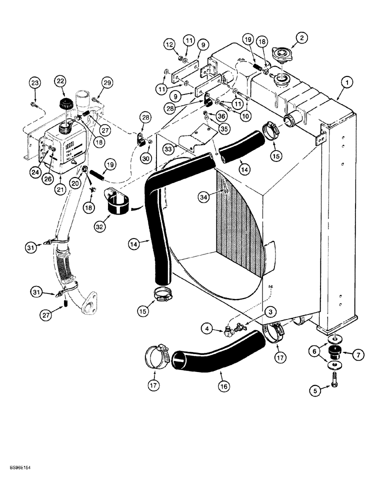
Запчасти Case 650G (2-06) - RADIATOR, HOSES, AND COOLANT RESERVOIR (02) - ENGINE

Схема запчастей Case 650G - (2-06) - RADIATOR, HOSES, AND COOLANT RESERVOIR (02) - ENGINE
11
27
9
22
30
28
11
14
29
19
31
31
26
15
36
9
20
21
7
18
17
19
11
23
32
17
24
28
14
33
35
18
10
3
2
27
4
6
15
18
5
16
34
12
1
FIT
1:1
100%

Артикул

Название

Примечание

Количество

1

R56880

RADIATOR

ASSEMBLY, engine and oil cooling, parts list Fig. 2-8

1шт.

2

A170241

RADIATOR CAP

15 psi

1шт.

3

217-92

COCK

VALVE, 1/4 inch PT, radiator

1шт.

4

221-1412

ELBOW,90 Degree, 1/4"-27, NPT

Street, radiator valve drain, if used

1шт.

5

113-2449

LOCK BOLT,Locking, 1/2"-13 x 1 3/4", G8

2шт.

6

R40262

WASHER,13.11mm ID x 47.75mm OD x 2.38mm Thk

flat, special

4шт.

7

R29799

SHOCK ABSORBER

INSULATOR rubber, radiator mounting

2шт.

9

D73500

STRAP

radiator mounting

4шт.

10

113-2279

LOCK BOLT,Locking, 3/8"-16 x 1 3/4", G5

Use with blue Loctite No. 242

4шт.

11

39519

WASHER,10.31mm ID x 34.9mm OD x 3.57mm Thk

flat, special, 3/8 inch

10шт.

12

231-1446

NUT,3/8" - 16, Gr 5

2шт.

14

R57156

RADIATOR HOSE,44.50" ID x 512.00 mm, SAE 20R4 Class C

radiator, upper

1шт.

15

214-3240

HOSE CLAMP,1-3/4" - 2-5/8", HD Worm, W/ Liner

Adj., Upper radiator hose

2шт.

16

R56956

RADIATOR HOSE,58.00 mm ID x 445.00 mm, SAE 20R4 Class C

radiator, lower

1шт.

17

214-3148

HOSE CLAMP,2-1/4" - 3-1/8", HD Worm

Adj, lower radiator hose

2шт.

18

A171099

HOSE CLAMP,13.2mm - 15.4mm

spring-type, coolant reservoir hoses

2-3шт.

19

A171087

HOSE,7.50 mm ID, 8.30 mm ID x 1275.00 mm, SAE J30

Cut from L126767 bulk hose, Radiator to coolant reservoir, Prior to Crawler P.I.N. JJG0216449

1шт.

19

A171872

HOSE,8.30 mm ID x 1000.00 mm, SAE J30, SAE 20R4 PER SAE j20e

Cut from L126767 Bulk Hose, See Below, Crawler P. I.N. JJG0216449

1шт.

20

214-1404

HOSE CLAMP,#04, 0.25" - 0.62", Type F Worm

adj., 1/4 - 5/8 inch dia., at coolant reservoir, if used

1шт.

21

L127093

RESERVOIR

coolant

1шт.

22

1547924C1

CAP

recovery bottle

1шт.

23

121-107

SERRATED BOLT,Hex, 5/16" - 18 x 1", Gr 5

4шт.

24

495-21038

WASHER,5/16"

(flat, 3/8 x 7/8 x 3/32")

4шт.

26

231-1445

NUT,5/16"-18, GB

4шт.

27

A171872

HOSE,8.30 mm ID x 1000.00 mm, SAE J30, SAE 20R4 PER SAE j20e

Cut from L126767 Bulk Hose, Coolant Reservoir Overflow

1шт.

28

515-23127

CLAMP,1/2", Insul, 3/8" Bolt

P-type

2шт.

29

121-107

SERRATED BOLT,Hex, 5/16" - 18 x 1", Gr 5

1шт.

30

231-1445

NUT,5/16"-18, GB

1шт.

31

L18337

CABLE TIE,9.95"-12.1" lg

CABLE STRAP tie, 15 inch, overflow hose to engine oil filler tube

2шт.

32

R57155

CLAMP

P-type, upper radiator hose to fan shroud

1шт.

33

R58001

BRACKET

radiator hose clamp to fan shroud

1шт.

34

413-512

BOLT,Hex, 5/16" - 18 x 3/4", Gr 5

3шт.

35

495-21038

WASHER,5/16"

(flat, 3/8 x 7/8 x 3/32")

3шт.

36

231-1445

NUT,5/16"-18, GB

3шт.

B17577

LOCTITE

No. 242, blue, 6 ml tube

1шт.

L126767

HOSE,7.9mm ID x 2336mm L, SAE 30R6

1шт.

Выбрано товаров: 0