Запчасти Case 650G (5-10) - CASE LUBRICATED TRACK CHAIN (WITH 9/16 INCH MOUNTING HARDWARE) (11) - TRACKS/STEERING

Схема запчастей Case 650G - (5-10) - CASE LUBRICATED TRACK CHAIN (WITH 9/16 INCH MOUNTING HARDWARE) (11) - TRACKS/STEERING
12
28
27
27
20
21
5
29
4
13
16
15
23
19
1
26
7
14
24
3
6
2
25
9
22
29
8
FIT
1:1
100%

Артикул

Название

Примечание

Количество

R57090

CHAIN (CE)

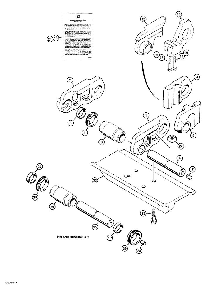
track, 36 unit, master link with one bolt hole, no longer available, order 129021A1, Includes: Ref. 1 - 21

2шт.

129021A1

TRACK CHAIN

ASSEMBLY, 36 unit, master link with two bolt holes, Includes: Ref. 1 - 21

2шт.

1

R56490

LINK

track, right hand

35шт.

Part of Link Kit, P/N 248113A1

1шт.

2

R56489

LINK

track, left hand

35шт.

Part of Link Kit, P/N 248113A1

1шт.

3

R56515

BUSHING,33.8mm ID x 56.9mm OD x 109.5mm L

track pin

36шт.

Part of Link Kit, P/N 248113A1

1шт.

4

R51131

PIN,33.48mm OD x 183.5mm L

track

36шт.

Part of Link Kit, P/N 248113A1

1шт.

5

R51132

SPACER

seal

72шт.

Part of Link Kit, P/N 248113A1

1шт.

6

R50830

OIL SEAL

track pin

72шт.

Part of Link Kit, P/N 248113A1

1шт.

7

R50441

PLUG

track pin

36шт.

Part of Link Kit, P/N 248113A1

1шт.

R57798

LINK

ASSEMBLY master, right-hand, R57090 chain assembly, Includes: Ref. 8 and 9

1шт.

8

NSS

NOT SOLD SEPARAT

LINK track, master, fits over track pin on outside of regular track link, right hand

1шт.

9

NSS

NOT SOLD SEPARAT

LINK track, master, fits over bushing on inside of regular track link, right hand

1шт.

R57797

LINK ASSY.

master, left hand, R57090 chain assembly, Includes: Ref. 10 and 11

1шт.

10

NSS

NOT SOLD SEPARAT

LINK track, master, fits over track pin on outside of regular track link, left hand, not shown

1шт.

11

NSS

NOT SOLD SEPARAT

LINK track, master, fits over bushing on inside of regular track link, left hand, not shown

1шт.

199941A1

LINK

KIT master, right hand, 129021A1 chain assembly, Includes: Ref. 12 - 16

1шт.

129019A1

LINK

ASSEMBLY master, right hand, with two bolt holes, Includes: Ref. 12 and 13

1шт.

12

NSS

NOT SOLD SEPARAT

LINK track, master, fits over track pin on outside of regular track link, right hand

1шт.

13

NSS

NOT SOLD SEPARAT

LINK track, master, fits over bushing on inside of regular track link, right hand

1шт.

14

R44189

BOLT

special, 83 mm (3-1/4 inch) long

2шт.

15

284195A1

BOLT,9/16" - 18 x 2 7/8"

special, 3-1/16 inch (78 mm) long, replaces 133796A1

2шт.

16

178328A3

TAG

installation instructions, replaces 178328A2

1шт.

199940A1

LINK

KIT master link, lefthand, 129021A1 chain assembly, Includes: Ref. 17 - 21

1шт.

129018A1

LINK ASSY.

master, lefthand, with two bolt holes, Includes: Ref. 17 and 18

1шт.

17

NSS

NOT SOLD SEPARAT

LINK track, master, fits over track pin on outside of regular track link, left hand, not shown

1шт.

18

NSS

NOT SOLD SEPARAT

LINK track, master, fits over bushing on inside of regular track link, left hand, not shown

1шт.

19

R44189

BOLT

special, 83 mm (3-1/4 inch) long

2шт.

20

284195A1

BOLT,9/16" - 18 x 2 7/8"

special, 3-1/16 inch (78 mm) long, replaces 133796A1

2шт.

21

178328A3

TAG

installation instructions, replaces 178328A2

1шт.

248113A1

KIT link, CLT, Includes: ref. nos. 1, 2, 3, 4, 5, 6, and 7, for one track link assembly and instruction sheet

1шт.

22

R56736

SHOE

track, 406 mm (16 inch), single grouser, closed, if used

72шт.

22

R56739

TRACK SHOE

457 mm (18 inch), single grouser, closed, if used, no longer available, order 178445A

72шт.

22

178445A1

TRACK SHOE

457 mm (18 inch), single grouser, closed, if used

72шт.

23

D48004

FLANGE BOLT

hex, special, 9/16 NF x 2-1/32 inch

288шт.

24

R57375

SQUARE NUT

square, special, 9/16 NF, not used on master link bolts

280шт.

R56024

SET

KIT pin and bushing, includes instruction sheet, services complete track chain for both sides of tractor, Includes: Ref. 25 - 30

1шт.

25

R51131

PIN,33.48mm OD x 183.5mm L

track, pin and bushing kit

76шт.

26

R56515

BUSHING,33.8mm ID x 56.9mm OD x 109.5mm L

track pin and bushing kit

76шт.

27

R51132

SPACER

seal, pin and bushing kit

152шт.

28

R50441

PLUG

track pin and bushing kit

76шт.

29

R50830

OIL SEAL

track pin and bushing kit

152шт.

30

345-140

SEALANT

ADHESIVE rubber, Scotch Grip No. 847, 1 pint can, not shown, pin and bushing kit

1шт.

Выбрано товаров: 49