Запчасти Case 650H (04-09) - HARNESS, FRONT (04) - ELECTRICAL SYSTEMS

Схема запчастей Case 650H - (04-09) - HARNESS, FRONT (04) - ELECTRICAL SYSTEMS
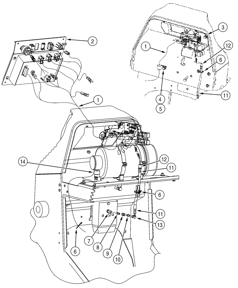
3
13
4
14
6
5
12
11
6
11
12
6
10
11
1
1
2
7
8
9
FIT
1:1
100%

Артикул

Название

Примечание

Количество

Front Harness at Cowl

1шт.

1

338943A1

HARNESS

Front

1шт.

2

REF

INSTRUCTION

Panel, Instrument, See Page(s) 4-19

1шт.

3

REF

INSTRUCTION

Mount, Fuse and Relay, See Page(s) 4-23

1шт.

4

D34033

CLAMP

1-3/16 ID

1шт.

5

160-106

BOLT,Hex, 1/2" - 13 x 1", Gr 8, Full Thd

1шт.

6

L18337

CABLE TIE,9.95"-12.1" lg

CABLE STRAP

1шт.

7

REF

INSTRUCTION

Tee, See Page(s) 7-7

1шт.

8

D36264

FITTING

1шт.

9

217-1100

UNION,1/8" - 27 NPT x 1/8" - 27 NPT

1шт.

10

218-441

HYD CONNECTOR,7/16" - 20 Male JIC x 1/8" - 27 Male NPTF

1шт.

11

370148A1

HOSE

305 mm (12 in), Pressure Accumulator

1шт.

12

336005A1

SWITCH

Transmission Pressure

1шт.

13

218-5228

ELBOW,90 Degree, 7/16"-20, 37 Degree x 7/16"-20, 37 Degree Fem Sw

1шт.

14

292740A1

RESTRICTION SWITCH

Air Restriction, See Page(s) 2-15

1шт.

Выбрано товаров: 15