Запчасти Case 650H (04-13) - HARNESSES FRONT AND REAR - TO HYDRAULIC RESERVOIR AND FUEL TANK (04) - ELECTRICAL SYSTEMS

Схема запчастей Case 650H - (04-13) - HARNESSES FRONT AND REAR - TO HYDRAULIC RESERVOIR AND FUEL TANK (04) - ELECTRICAL SYSTEMS
2
4
12
6
4
10
4
14
8
16
5
19
3
13
7
17
4
11
1
18
15
9
4
FIT
1:1
100%

Артикул

Название

Примечание

Количество

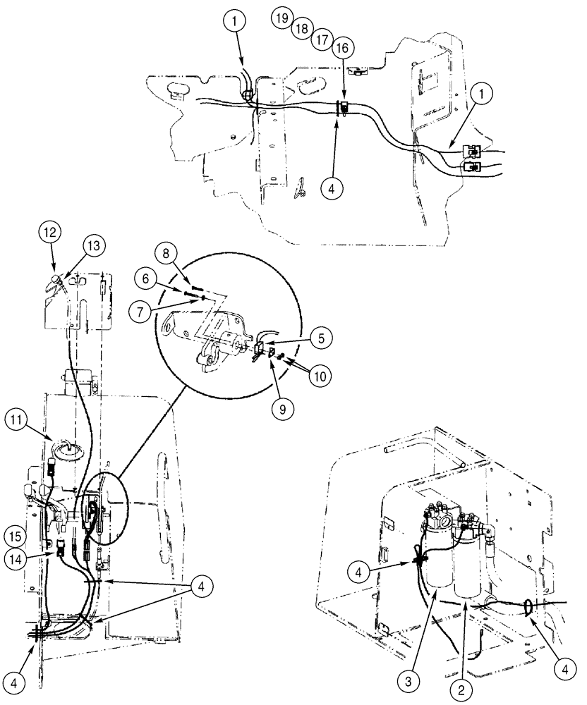
To Hydraulic Reservoir and Fuel Tank

1шт.

1

337573A1

HARNESS

Rear

1шт.

2

REF

INSTRUCTION

Filter, Oil, Transmission, See Page(s) 6-67

1шт.

3

REF

INSTRUCTION

Filter, Oil, Equipment, See Page(s) 6-67

1шт.

4

L18337

CABLE TIE,9.95"-12.1" lg

CABLE STRAP 15 in

1шт.

5

1343288C2

LIMIT SWITCH

Neutral Start

1шт.

6

440-10620

SCREW,Phillips Drive, Pan HD, #6 - 32 x 1-1/4"

No. 6 x 1-1/4

1шт.

7

495-21019

WASHER,#8

1шт.

8

440-10616

SCREW,Cross Pan Hd, #6-32 x 1"

1шт.

9

310719A1

COVER

Neutral Start Switch

1шт.

10

231-14106

NUT,#6-32, GB

No. 6

2шт.

11

326277A1

SENSOR

Fuel Level, See Page(s) 3-11

1шт.

12

R58727

SWITCH

Horn

1шт.

13

425-1510

JAM NUT,Jam, 5/8"-18, G5

1шт.

14

245483C1

ELEC CONNECTOR,Male, 2 Pin

1шт.

15

197397A2

SWITCH

Two Speed, See Page(s) 6-71

1шт.

16

338943A1

HARNESS

Front

1шт.

17

515-25190

CLAMP,3/4", Insul, 1/2" Bolt

1шт.

18

160-103

BOLT,Hex, 3/8" - 16 x 1 1/4", Gr 8, Full Thd

1шт.

19

492-11038

LOCK WASHER,3/8"

1шт.

20

425-106

NUT,3/8"-16, Cl 5

1шт.

Выбрано товаров: 21