Запчасти Case 650H (08-05) - PUMP, GEAR (08) - HYDRAULICS

Схема запчастей Case 650H - (08-05) - PUMP, GEAR (08) - HYDRAULICS
6
1
7
16
15
2
17
13
5
12
9
3
14
11
4
7
8
10
FIT
1:1
100%

Артикул

Название

Примечание

Количество

186352A1

PUMP, HYDRAULIC

Equipment, Consists Of 1 - 17

1шт.

396801A2R

REMAN-HYD PUMP

650H; Reman for New P/N 186352A1

1шт.

396801A2C

CORE-HYDRAULIC PUMP

Return Number

1шт.

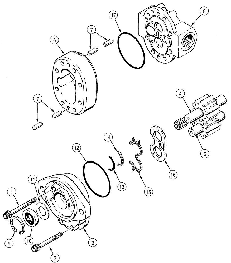
1

166-59

12 PT SCREW,Flg, 3/8" - 16 x 3 3/4", Gr 8

3/8 x 3-3/4; 8

4шт.

2

166-55

12 PT SCREW,Flg, 3/8" - 16 x 3 1/2", Gr 8

3/8 x 3-1/2; 8

4шт.

3

S301060

LARGE PLATE

PLATE, LARGE , Shaft End

1шт.

4

S301057

GEAR

Drive

1шт.

5

S301058

GEAR-SET

Idler

1шт.

S301056

GEAR

Consists Of 6, 7

1шт.

6

NSS

NOT SOLD SEPARAT

Housing

1шт.

7

NSS

NOT SOLD SEPARAT

Pin

4шт.

8

S301055

COVER

Port End

1шт.

191088A1

SEAL KIT

Consists Of 9 - 17

1шт.

9

100-21137

SNAP RING,1.375", Int, #137

1шт.

10

A25139

SEAL,22.22mm ID x 35.08mm OD x 6.91mm Thk

Shaft

1шт.

11

H104117

WASHER

1шт.

12

238-6159

O-RING,0.103" Thk x 4.977" ID, -159, Cl 6, 90 Duro

Shaft End Cover to Gear Housing

1шт.

13

1971507C1

O-RING

Molded Rubber

1шт.

14

1971506C1

SEAL

Resin

1шт.

15

S301059

GASKET

1шт.

16

1971509C1

PLATE

1шт.

17

238-6159

O-RING,0.103" Thk x 4.977" ID, -159, Cl 6, 90 Duro

Port End Cover to Gear Housing

1шт.

Выбрано товаров: 22