Запчасти Case 650K (05-04) - TRACK ADJUSTER AND IDLER - MOUNTING - 650K (11) - TRACKS/STEERING

Схема запчастей Case 650K - (05-04) - TRACK ADJUSTER AND IDLER - MOUNTING - 650K (11) - TRACKS/STEERING
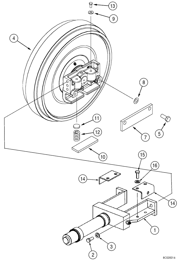
16
4
14
15
7
9
10
13
12
5
2
1
8
3
11
14
FIT
1:1
100%

Артикул

Название

Примечание

Количество

1

435383A1

YOKE

Adjuster; Right-Hand; See Figure 05-05

1шт.

1a

435384A1

YOKE

Adjuster; Left-Hand; See Figure 05-05; Not Illustrated

1шт.

2

410-9824

BOLT,Hex, 1/2" - 13 x 1 1/2", Gr 8

1/2 x 1-1/2

2шт.

3

496-21053

WASHER,17/32" x 1 1/16" x .134"

2шт.

4

427241A1

FRONT IDLER

See Figure 05-06

2шт.

5

413-1024

BOLT,Hex, 5/8" - 11 x 1-1/2", Gr 5

Used with 496-11066 Washer

8шт.

5a

496-11066

WASHER,21/32" x 1 5/16" x .095", HDN

Not Illustrated

8шт.

7

428032A1

TRACK PLATE

4шт.

8

D44330

SHIM,.031" Thk

1шт.

9

495-21044

WASHER,3/8"

(7/16 x 1 x 5/64)

8шт.

10

R58720

LARGE PLATE

PLATE, LARGE

8шт.

11

R33245

SPRING SEAT

8шт.

12

188866A1

SHOCK ABSORBER

8шт.

13

413-612

BOLT,Hex, 3/8" - 16 x 3/4", Gr 5

8шт.

14

430455A1

BRACKET

4шт.

15

413-820

BOLT,Hex, 1/2" - 13 x 1-1/4", Gr 5

8шт.

16

496-21053

WASHER,17/32" x 1 1/16" x .134"

8шт.

87416397

REPAIR KIT

Idler Wear Bar; Incl. 9 - 13, 87412378 (Shim), 87412375 (Idler Wear Bar)

1шт.

Выбрано товаров: 18