Запчасти Case 650K (05-01) - FRAME, TRACK - ROLLER AND RECOIL HOUSING (11) - TRACKS/STEERING

Схема запчастей Case 650K - (05-01) - FRAME, TRACK - ROLLER AND RECOIL HOUSING (11) - TRACKS/STEERING
15
32
2
24
21
31
10
33
23
16a
6
4
8
3
25
17
29
18
17
30
18
14
13
32
31
7
20
16
34
9
22
12a
26
1
30
11
28
5
30
13a
21
12
FIT
1:1
100%

Артикул

Название

Примечание

Количество

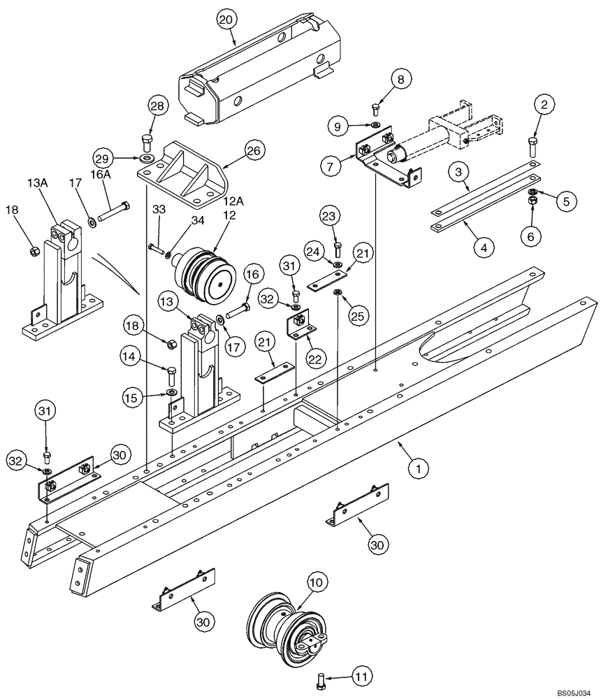
1

87412377

FRAME

Track

2шт.

2

413-1032

BOLT,Hex, 5/8" - 11 x 2", Gr 5

8шт.

3

87412378

SHIM

Idler Wear Strip

1шт.

4

87412375

BAR

Idler Wear Bar

4шт.

5

492-11062

BEARING WASHER,5/8"

8шт.

6

425-1010

NUT,5/8"-11, G5

8шт.

7

432182A1

BRACKET

Right-Hand; Track Adjuster

1шт.

7a

432179A1

BRACKET

Left-Hand; Track Adjuster; Not Illustrated

1шт.

8

413-816

BOLT,Hex, 1/2" - 13 x 1", Gr 5

4шт.

9

496-21053

WASHER,17/32" x 1 1/16" x .134"

4шт.

10

REF

INSTRUCTION

See Figure 05-07

12шт.

11

409-91024

BOLT,Hex, 5/8" - 11 x 1 1/2", Gr 5

48шт.

12

419373A1

ROLLER, TRACK

Carrier; See Figure 05-07; Solid Roller Shaft, If Used

2шт.

12a

87353982

ROLLER

With Hole In Roller Shaft; Component Parts Not Serviced Separately; If Used; Replaces 87314689

2шт.

13

419374A1

BRACKET, SUPPORTING

No Longer Used, Order 87353994, REF 13A

2шт.

13a

87353994

BRACKET, SUPPORTING

Replaces 87330862

2шт.

14

413-1032

BOLT,Hex, 5/8" - 11 x 2", Gr 5

8шт.

15

496-21066

WASHER,16.6mm ID x 33.5mm OD x 3.8mm Thk

8шт.

16

426-1048

BOLT,Hex, 5/8" - 11 x 3", Gr 8

Used With Ref 13, 419374A1 Bracket

4шт.

16a

426-1064

BOLT,Hex, 5/8" - 11 x 4", Gr 8

Used with Ref 13A 87353994 and 87330864 Brackets

4шт.

17

496-81004

WASHER,41/64" x 1.047" x .134", HDN

2шт.

18

232-41410

LOCK NUT,5/8"-11, GC

4шт.

20

419386A1

HOUSING ASSY.

Recoil; Component Parts Not Serviced Separately

2шт.

21

419387A1

STRAP

Plate

4шт.

22

430454A1

BRACKET

2шт.

23

413-824

BOLT,Hex, 1/2" - 13 x 1-1/2", Gr 5

8шт.

24

496-21053

WASHER,17/32" x 1 1/16" x .134"

8шт.

25

R24323

WASHER

8шт.

26

419391A2

BRACKET

Bracket; Stop; Recoil

2шт.

28

413-1224

BOLT,Hex, 3/4" - 10 x 1-1/2", Gr 5

8шт.

29

496-11081

WASHER,13/16" x 1 1/2" x .134", HDN

8шт.

30

430453A1

BRACKET

6шт.

31

413-816

BOLT,Hex, 1/2" - 13 x 1", Gr 5

16шт.

32

496-21053

WASHER,17/32" x 1 1/16" x .134"

16шт.

33

413-816

BOLT,Hex, 1/2" - 13 x 1", Gr 5

Used with Ref 12A, 87314690 Roller

1шт.

34

495-91167

WASHER,13.49mm ID x 50.8mm OD x 3.4mm Thk

Used With REF 12A, 87314690 Roller

1шт.

Выбрано товаров: 36