Запчасти Case 650K (05-04) - TRACK ADJUSTER AND IDLER - MOUNTING (11) - TRACKS/STEERING

Схема запчастей Case 650K - (05-04) - TRACK ADJUSTER AND IDLER - MOUNTING (11) - TRACKS/STEERING
9
7
15
5
10
16
11
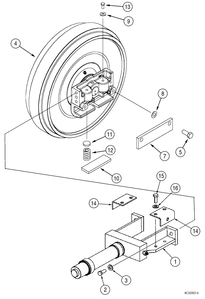
3
12
14
8
2
14
4
13
1
FIT
1:1
100%

Артикул

Название

Примечание

Количество

1

435383A1

YOKE

Adjuster; Right-Hand; See Figure 05-05

1шт.

1a

435384A1

YOKE

Adjuster; Left-Hand; See Figure 05-05; Not Illustrated

1шт.

2

410-9824

BOLT,Hex, 1/2" - 13 x 1 1/2", Gr 8

2шт.

3

496-21053

WASHER,17/32" x 1 1/16" x .134"

2шт.

4

87353988

IDLER

IDLER, FRONT; See Figure 05-06; Replaces 427241A1; Not Available As An Assembly, Order Components; Used In Production, For Service Order 389164A2 Idler/A

2шт.

5

413-1024

BOLT,Hex, 5/8" - 11 x 1-1/2", Gr 5

Used with 496-11066 washer

8шт.

5a

496-11066

WASHER,21/32" x 1 5/16" x .095", HDN

Not Illustrated

8шт.

7

428032A1

TRACK PLATE

4шт.

8

D44330

SHIM,.031" Thk

1шт.

9

495-21044

WASHER,3/8"

8шт.

10

R58720

LARGE PLATE

PLATE, LARGE

8шт.

11

R33245

SPRING SEAT

8шт.

12

188866A1

SHOCK ABSORBER

8шт.

13

413-612

BOLT,Hex, 3/8" - 16 x 3/4", Gr 5

8шт.

14

430455A1

BRACKET

4шт.

15

413-820

BOLT,Hex, 1/2" - 13 x 1-1/4", Gr 5

8шт.

16

496-21053

WASHER,17/32" x 1 1/16" x .134"

8шт.

87416397

REPAIR KIT

Idler Wear Bar; Incl. 9 - 13, 87412378 (Shim), 87412375 (Idler Wear Bar)

1шт.

Выбрано товаров: 18