Запчасти Case 650K (04-21) - GRID HEATER - CABLES (W/O TEMP. SWITCH CONNNECTIONS; IF USED) (04) - ELECTRICAL SYSTEMS

Схема запчастей Case 650K - (04-21) - GRID HEATER - CABLES (W/O TEMP. SWITCH CONNNECTIONS; IF USED) (04) - ELECTRICAL SYSTEMS
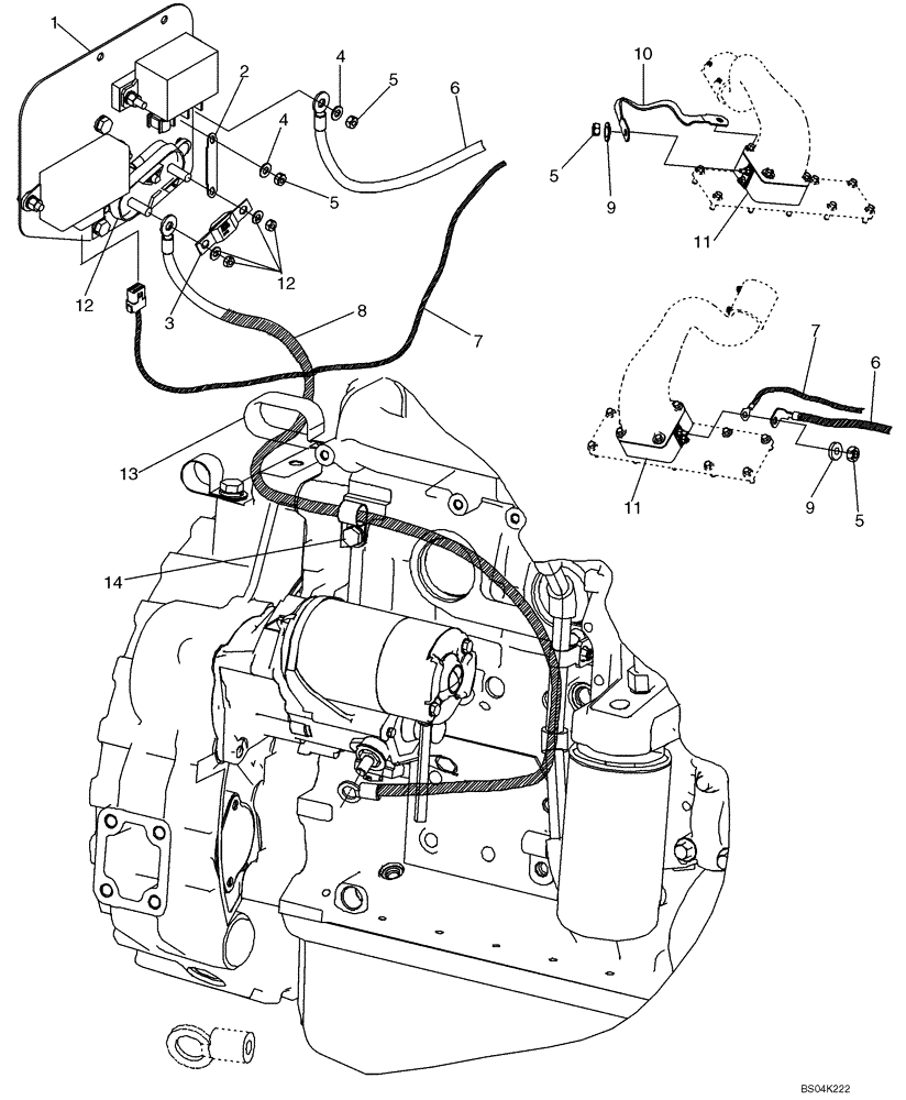
2
12
5
5
14
10
6
1
11
3
6
5
8
12
4
7
11
9
13
7
5
4
9
FIT
1:1
100%

Артикул

Название

Примечание

Количество

1

87410603

PLATE

Grid Heater

1шт.

2

87410265

BAR

90 mm Jumper Copper Plate; Fuse To Relay

1шт.

3

87410602

FUSE,300A, Blade

300 Amp

1шт.

4

322357

BELLEVILLE WASHER,M6 Bolt Size x 14mm OD x 1.3mm Thk

2шт.

5

829-1406

NUT,Hex, M6 x 1, Cl 10.9

4шт.

6

87442552

CABLE ASSY.

575 mm Wire; Relay To Grid Heater

1шт.

7

87433544

WIRE HARNESS

Controller Harness, Grid Heater Control; Attaches To Engine Harness

1шт.

8

87419615

CABLE ASSY.

1250 mm Wire; Starter To Fuse Block

1шт.

9

895-11006

WASHER,6.6mm ID x 12mm OD x 1.6mm Thk

2шт.

10

87413162

GROUND STRAP

150 mm Ground Wire

1шт.

11

82017872

HEATER

Grid

1шт.

12

440038A1

JUNCTION BLOCK

Fuse Block, Includes Hardware

1шт.

13

242999A1

CLAMP

Double

1шт.

14

515-23190

CLAMP,3/4", Insul, 3/8" Bolt

1шт.

Выбрано товаров: 14