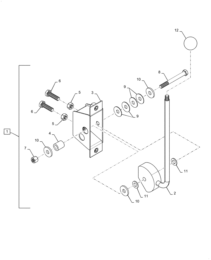
Запчасти Case 650L (33.202.04) - BRAKE, PARKING/LOCKOUT LEVERS (33) - BRAKES & CONTROLS

Схема запчастей Case 650L - (33.202.04) - BRAKE, PARKING/LOCKOUT LEVERS (33) - BRAKES & CONTROLS
10
6
5
1
6
12
4
9
5
10
2
10
8
9
7
3
11
11
FIT
1:1
100%

Артикул

Название

Примечание

Количество

1

84233901

LEVER

Control, Lockout Assy, Incl 2 - 11

1шт.

2

NSS

NOT SOLD SEPARAT

Lever, Lockout, Incl in 1

1шт.

3

NSS

NOT SOLD SEPARAT

Box Lockout Lever, Incl in 1

1шт.

4

NSS

NOT SOLD SEPARAT

Spacer, Incl in 1

1шт.

5

829-1410

NUT,M10 x 1.5, Cl 10.9

2шт.

6

614-10035

BOLT,Hex, M10 x 1.5 x 35mm, Cl 8.8, Full Thd

2шт.

7

232-1446

NUT,3/8"-16, GC

1шт.

8

413-656

BOLT,Hex, 3/8" - 16 x 3-1/2", Gr 5

1шт.

9

R58742

WASHER

9.65mm ID x 28.58mm OD x 1.35mm Thk

4шт.

10

86624186

WASHER,0.41" ID x 1.12" OD x 0.13" Thk

3шт.

11

44910565

SEALING WASHER,10.5mm ID x 20mm OD x 2mm Thk

2шт.

12

76067250

HANDLE GRIP

Lockout Lever

1шт.

Выбрано товаров: 12