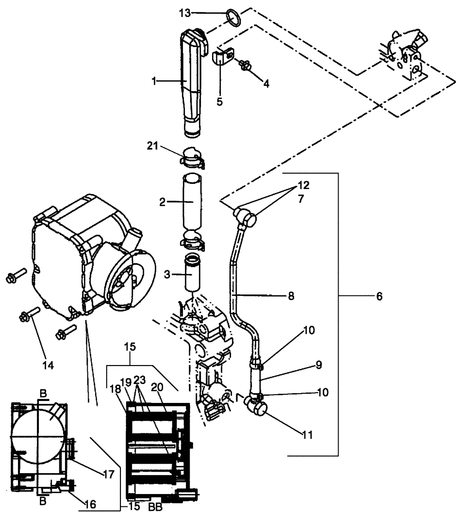
Запчасти Case 650L (10.101.04) - BREATHER - ENGINE (10) - ENGINE

Схема запчастей Case 650L - (10.101.04) - BREATHER - ENGINE (10) - ENGINE
3
5
10
10
20
2
15
14
21
17
12
18
6
1
16
9
4
23
8
11
15
7
19
13
FIT
1:1
100%

Артикул

Название

Примечание

Количество

1

4897534

TUBE

Breather

1шт.

2

4897546

RUBBER SLEEVE

Tube

1шт.

3

4897547

TUBE

Connector

1шт.

4

4897537

SCREW

1шт.

5

4897536

BRACKET

1шт.

6

4899219

TUBE

Breather, Inc. 7-12

1шт.

7

4899926

SEALING WASHER,11.8mm ID x 18.0mm OD x 1.5mm Thk

4шт.

8

NSS

NOT SOLD SEPARAT

1шт.

9

4899240

HOSE

Plain

1шт.

10

4899242

CLAMP

2шт.

11

4899243

HYD CONNECTOR

1шт.

12

4897526

SCREW

2шт.

13

4898439

O-RING,20.29mm ID x 2.62mm Width

1шт.

14

4899092

SCREW,Hex Flg, M6 x 1 x 25

3шт.

15

4892871

BREATHER

Inc. 16-23

1шт.

16

4898372

O-RING,13.11mm ID x 2.62mm Width

1шт.

17

2830304

O-RING

1шт.

18

2830302

COVER

Protective

1шт.

19

2830303

GASKET

Breather

1шт.

20

2992447

FILTER

KIT, Breather

1шт.

21

4893234

HOSE CLAMP

2шт.

22

2830301

SELF-TAP SCREW

Breather Case (Not Shown)

6шт.

23

2830307

BREATHER

Crankcase

1шт.

Выбрано товаров: 23