Запчасти Case 650L (10.254.07) - GRID HEATER WITH RESISTOR (10) - ENGINE

Схема запчастей Case 650L - (10.254.07) - GRID HEATER WITH RESISTOR (10) - ENGINE
4
2
1
10
18
13
3
15
11
11
8
20
5
6
10
16
7
12
9
8
17
19
14
9
6
8
FIT
1:1
100%

Артикул

Название

Примечание

Количество

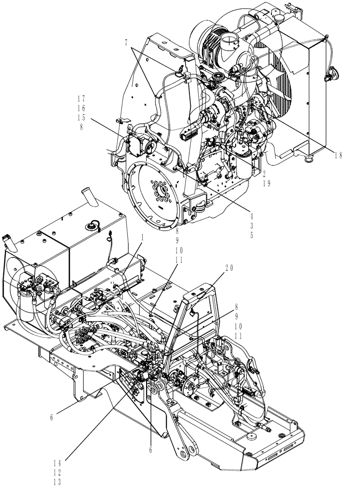
1

84245147

HARNESS

Engine

1шт.

2

515-23190

CLAMP,3/4", Insul, 3/8" Bolt

1шт.

3

896-11010

WASHER,11mm ID x 21mm OD x 2.5mm Thk

1шт.

4

892-10010

LOCK WASHER,10.4mm ID x 18.1mm OD x 3.5mm Thk

1шт.

5

626-10016

BOLT,Hex, M10 x 1.5 x 16mm, Cl 10.9, Full Thd

1шт.

6

86982400

SPACER

7шт.

7

L11541

CABLE TIE,203.2mm L, Nylon

CABLE STRAP

26шт.

8

515-25159

CLAMP,5/8", Insul, 1/2" Bolt

5шт.

9

614-12025

BOLT,Hex, M12 x 1.75 x 25mm, Cl 8.8, Full Thd

2шт.

10

896-11012

WASHER,13.5mm ID x 24mm OD x 3mm Thk

2шт.

11

832-10412

NUT,M12 x 1.75, Cl 8

2шт.

12

87403648

PRESSURE SWITCH

1шт.

13

201-426

TEE,9/16"-18 ORFS x 9/16"-18 Sw Br

1шт.

14

201-111

HYD CONNECTOR,9/16" - 18 Male ORFS x 9/16" - 18 Male ORB

1шт.

15

465593R1

SPACER,12.5mm ID x 17.14mm OD x 63.5mm L

1шт.

16

895-11010

WASHER,11mm ID x 20mm OD x 2mm Thk

1шт.

17

514-725

BOLT,Hex, M10 x 1.25 x 80mm, Cl 8.8

1шт.

18

515-23127

CLAMP,1/2", Insul, 3/8" Bolt

1шт.

19

614-8020

BOLT,Hex, M8 x 1.25 x 20mm

1шт.

20

87584645

RESISTOR,1kohm, 0.5W

1шт.

Выбрано товаров: 20