Качественные детали и логистика
Оригинальные и аналоговые запчасти с доставкой по России, Казахстану и Беларуси
©2022 PartSell ООО "Система" ИНН 2463123282 ОГРН 1212400004838
Центральный офис: г. Красноярск, Академика Киренского, д.87, пом.4
Телефон: 8 (800) 777-65-74 Email: zakaz@partsell.ru
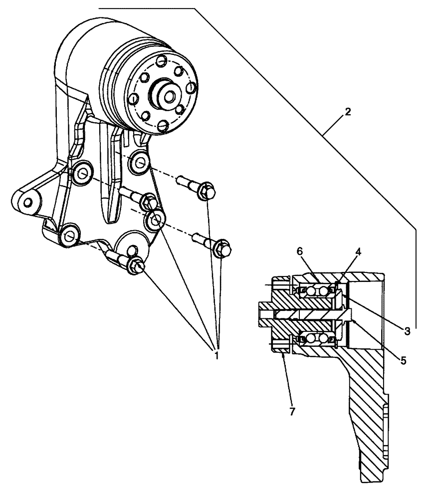
(10.414.01) - FAN DRIVE
№
Артикул
Название
Примечание
Количество
1
4899053
SCREW,Hex Flg, M8 x 45
4шт.
2
2853210
BRACKET
Fan Drive; Inc. 3-7
1шт.
3
4890732
RETAINER,11.50mm ID x 52mm OD x 7mm
4
2852171
SNAP RING
5
2852172
BOLT,Flng, M10 x 1.5 x 70mm
6
4892732
BALL BEARING,34mm ID x 64mm OD x 37mm W
7
4892426
HUB
Fan Drive
Выбрано товаров: 7