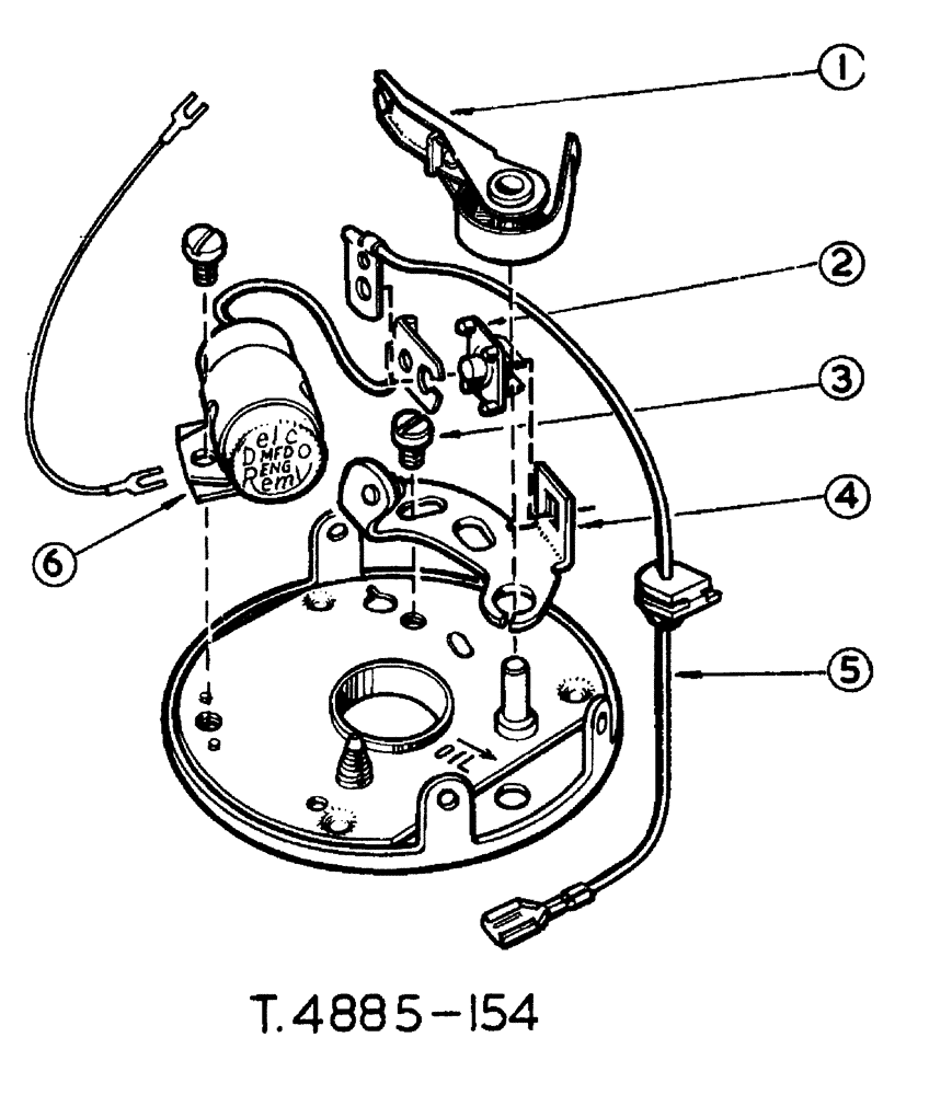
Запчасти Case 500 (12-134) - CIRCUIT BREAKER ASSEMBLY PETROL ENGINE No Description

Схема запчастей Case 500 - (12-134) - CIRCUIT BREAKER ASSEMBLY PETROL ENGINE No Description
1
4
5
3
2
6
FIT
1:1
100%

Артикул

Название

Примечание

Количество

3072997R91

BREAKER

CIRCUIT ASSY.

1шт.

3072998R91

MULTIPOLE CONNECTOR

SET contact CPTE., w/lever 3072999R91, support 3073000R91, and insulator

1шт.

NSS

NOT SOLD SEPARAT

3073001R1

1шт.

1

3072999R91

LEVER

CONTACT BREAKER ASSY.

1шт.

2

3073001R1

SPARE PART

1шт.

3

3073002R1

SCREW

contact point locking

1шт.

4

3073000R91

BREAKER POINTS

SUPPORT CONTACT ASSY.

1шт.

5

3069884R91

ELECTRICAL WIRE

WIRE L.T. w/grommet

1шт.

6

3073003R91

CONDENSER

CAPACITOR ASSY.

1шт.

7

3073004R1

SCREW

condenser mtg.

1шт.

Выбрано товаров: 10