Запчасти Case 500 (07-004) - GEAR SHIFT LEVER AND LINKAGE No Description

Схема запчастей Case 500 - (07-004) - GEAR SHIFT LEVER AND LINKAGE No Description
9
8
8
4
2
10
5
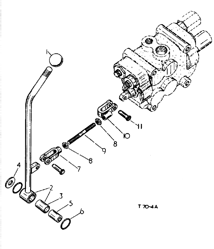
1
6
3
7
11
FIT
1:1
100%

Артикул

Название

Примечание

Количество

1

264055R2

KNOB

lever

1шт.

2

3065218R91

SPARE PART

LEVER valve control CPTE., w/bushing 3060121R1

1шт.

3

3060121R1

BUSHING

1шт.

4

106267

WASHER,5/8"

plain, 11/16 x 1-3/4 x .134

1шт.

5

3060125R1

BUSHING

TUBE valve control, lever pivot

1шт.

14-1040

BOLT,Hex, 5/8" - 18 x 2-1/2", Gr 5

hex head, 5/8 UNF x 2-1/2

1шт.

103325

LOCK WASHER,5/8"

1шт.

6

375269R1

O-RING,0.103" Thk x 1.487" ID, -128, Cl 5, 75 Duro

1-1/2 x 1-11/16, Class 5

4шт.

7

213-318

CLEVIS

rod end, adjustable, 1/2 short

1шт.

8

114496

HOURMETER,Jam, 1/2"-20, G5

NUT jam, 1/2 UNF

2шт.

9

3065220R1

ROD

con, forward and reverse

1шт.

10

104891H1

ADJUSTABLE CLEVIS

off set

1шт.

11

138086

CLEVIS PIN,1/2" x 1.360"

Rod end

2шт.

103385

COTTER PIN,1/8" x 1"

PIN, SPLIT (COTTER), , Solenoid valve assy. up to 500/1282 1/8" x 1"

2шт.

3068412R93

SWITCH

VALVE ASSY., solenoid

1шт.

929385C1

SPARE PART as required

1шт.

923901C1

FILTER, ELEMENT

ELEMENT, FILTER VALVE cartridge

1шт.

923902C1

O-RING

KIT nut, elastic stop, as required

1шт.

3114770R91

COIL

ASSY. CPTE., as required

1шт.

751686R1

SPARE PART as required

1шт.

705897R1

CONNECTOR, ELEC

CONNECTOR as required

1шт.

Выбрано товаров: 21