Запчасти Case 500 (194) - 74838 HYDRAULIC PUMP (30 G.P.M.) (07) - HYDRAULIC SYSTEM

Схема запчастей Case 500 - (194) - 74838 HYDRAULIC PUMP (30 G.P.M.) (07) - HYDRAULIC SYSTEM
FIT
1:1
100%

Артикул

Название

Примечание

Количество

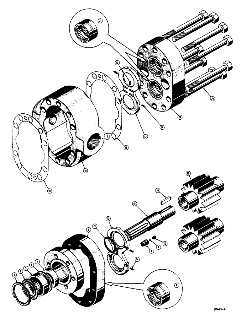
74838

PUMP - hydraulic (Commercial shearing #PD 948-BAAK15-47)

1шт.

1

71466

SNAP RING,#206, 2.190", Int, Spiral

RING - retaining

1шт.

2

71429

BEARING COVER

SHIELD - bearing

1шт.

3

18-970

BALL BEARING

BEARING - ball, drive shaft

1шт.

4

72730

SPACER

- bearing

1шт.

5

73199

COVER - pump, front

1шт.

6

71435

BEARING

- roller

1шт.

7

NLS

NO LONGER SERVICED

- oil

1шт.

8

71430

TOOL

SEAT - check valve

2шт.

9

211-7

BALL,1/4" Dia

- check 1/4" Dia

2шт.

10

71432

TOOL

RETAINER - check ball

2шт.

11

A27355

O-RING,0.139" Thk x 1.17" ID, -217, Cl 5, 75 Duro

"O" RING - seal

1шт.

12

71442

LARGE PLATE

PLATE - thrust

2шт.

13

D35673

SEAL

- pocket

2шт.

14

NLS

NO LONGER SERVICED

SEAL - pocket

8шт.

15

R15508

SHAFT

- pump drive

1шт.

16

72737

KEY - gear

1шт.

17

5464

GEAR

S - set of, drive and driven

1шт.

18

NLS

NO LONGER SERVICED

GASKET - covers to gear housing

2шт.

19

71439

HOUSING - gear

1шт.

20

D24722

X

COVER - pump, rear

1шт.

21

71435

BEARING

- roller

2шт.

22

39750

HHCS - 1/2 - 13 NC x 4-1/4

10шт.

Выбрано товаров: 23