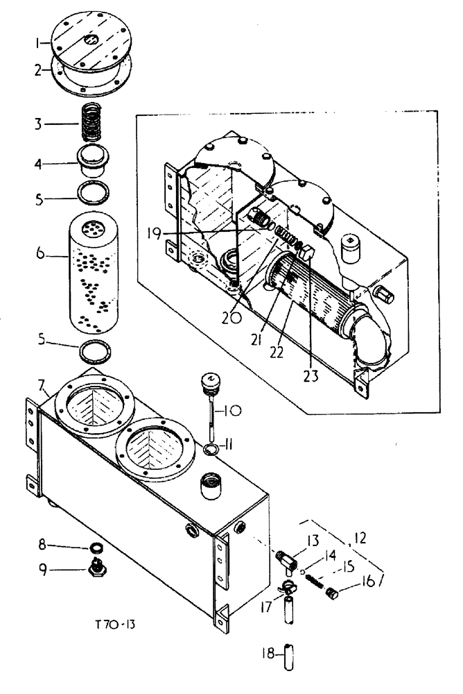
Запчасти Case 500 (10-016) - HYDRAULIC OIL RESERVIOR No Description

Схема запчастей Case 500 - (10-016) - HYDRAULIC OIL RESERVIOR No Description
11
21
15
19
5
16
8
2
10
13
18
12
6
7
4
23
14
5
1
17
22
3
9
20
FIT
1:1
100%

Артикул

Название

Примечание

Количество

1

3060116R1

COVER

hand hole

2шт.

181333

BOLT,Hex, 5/16" - 24 x 5/8", Gr 5

6шт.

114605

LOCK WASHER,Ext Tooth, 5/16"

6шт.

2

3060115R1

GASKET

hand hole, cover

2шт.

3

3062038R1

SPRING

filter

1шт.

4

3062034R91

SUPPORT

filter, CPTE.

1шт.

5

3062032R1

RING

filter sealing

2шт.

6

3062033R91

FILTER, ELEMENT

ELEMENT, FILTER

1шт.

7

3114538R1

RESERVOIR

WELDED ASSY.

1шт.

181370

BOLT,Hex, 3/8" - 24 x 1 1/4", Gr 5

hex head, 3/8 UNF x 1-1/4

2шт.

25787R1

BOLT,3/8" x 5 1/4", Gr 8

hex head, 3/8 UNF x 4-1/2

2шт.

103026

NUT,3/8"-24, G5

4шт.

103321

LOCK WASHER,3/8"

4шт.

8

3063651R1

WASHER

copper

1шт.

9

3060243R1

PLUG

drain, magnetic

1шт.

10

3114536R1

ELECTRICAL GAUGE

filler plug, combined

1шт.

11

254954R1

O-RING,0.139" Thk x 1.046" ID, -215, Cl 5, 75 Duro

1-1/16 x 1-5/16 x 1/8

1шт.

12

709831R91

VALVE

oil reservoir, pressure check, CPTE.

1шт.

13

NSS

NOT SOLD SEPARAT

BODY check valve, not serviced separately

1шт.

14

3072883R1

BALL,3/8" Dia

chrome steel, 3/8 dia.

1шт.

15

704717R1

SPRING

1шт.

16

709833R1

VALVE

CAP check valve

1шт.

17

3065292R91

CLIP

worm drive, for pipe, 5/8

1шт.

18

3111354R1

HOSE ASSY.

PIPE bulk, order length required

1шт.

19

3062039R1

DISC

relief valve

1шт.

20

3062040R1

SPRING

relief valve

1шт.

21

496-21047

WASHER

plain, 15/32 x 59/64 x .065

1шт.

22

894981H1

NUT

relief valve

1шт.

23

26193

STRAINER ASSY.

FILTER oil suction, CPTE.

1шт.

Выбрано товаров: 29