Запчасти Case 550 (2-28) - CYLINDER BLOCK, 4T-390 ENGINE (02) - ENGINE

Схема запчастей Case 550 - (2-28) - CYLINDER BLOCK, 4T-390 ENGINE (02) - ENGINE
58
50
51
46
54
45
57
44
47
56
FIT
1:1
100%

Артикул

Название

Примечание

Количество

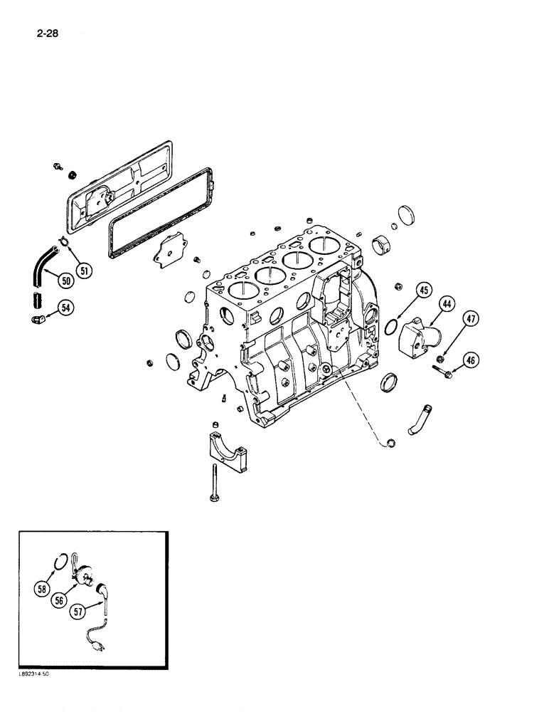
44

J903102

CONNECTION

- water inlet

1шт.

45

J906697

SEAL,Square, 5.16mm Thk x 50.17mm ID

O-RING - sealing, 50 mm ID

1шт.

46

854-10075

BOLT,Hvy Hex, M10 x 75mm, Cl 10.9

- hex flange head, 10 mm - 1.50 x 75 mm

3шт.

47

A77429

PLUG

- hex socket pipe, 1/2 inch PT

2шт.

50

J906593

HOSE

Breather

1шт.

51

J904230

CLAMP,25.4mm

- spring, hose

1шт.

54

J909670

CLIP

- retaining

1шт.

A77634

KIT

HEATER KIT - engine block, Includes: Ref. 56 and 57

1шт.

56

NSS

NOT SOLD SEPARAT

ELEMENT - engine block heater, 12 volt

1шт.

57

J905113

CABLE

- engine block heater

1шт.

58

J910517

O-RING

- heater sealing, engine block

1шт.

Выбрано товаров: 11