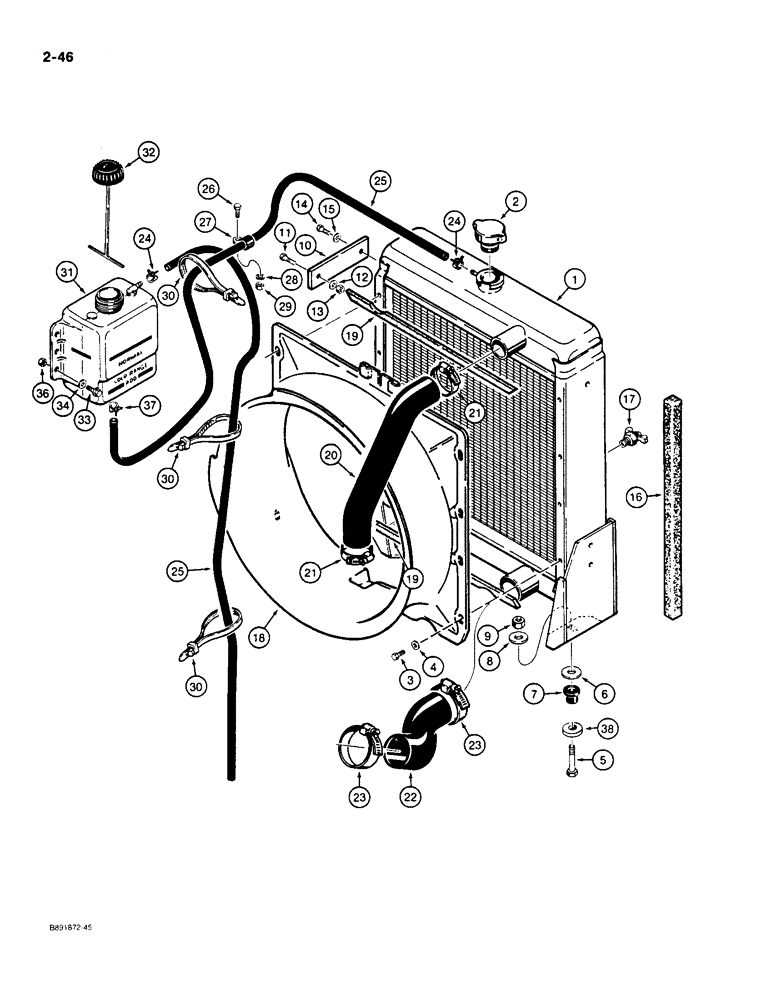
Запчасти Case 550 (2-46) - RADIATOR, HOSES, AND COOLANT BOTTLE (02) - ENGINE

Схема запчастей Case 550 - (2-46) - RADIATOR, HOSES, AND COOLANT BOTTLE (02) - ENGINE
28
3
23
26
20
36
22
10
32
13
25
4
7
33
34
16
2
1
24
12
21
5
8
15
18
9
23
31
29
11
6
30
19
24
27
30
37
38
25
19
14
17
30
21
FIT
1:1
100%

Артикул

Название

Примечание

Количество

1

A172867

RADIATOR

- standard, if used

1шт.

1

A172869

RADIATOR

- antisandblast, if used

1шт.

2

A170241

RADIATOR CAP

CAP, RADIATOR, Filler, 15 psi

1шт.

3

814-8016

BOLT,Hex, M8 x 1.25 x 16mm, Cl 8.8, Full Thd

- hex, 8 - 1.25 x 16 mm

8шт.

4

H272880

WASHER

- flat, special

8шт.

5

413-836

BOLT,Hex, 1/2" - 13 x 2-1/4", Gr 5

- hex, 1/2 NC x 2-1/4 inch

2шт.

6

R40262

WASHER,13.11mm ID x 47.75mm OD x 2.38mm Thk

- flat, hardened, special

2шт.

7

R29799

SHOCK ABSORBER

INSULATOR - rubber, radiator mounting

2шт.

8

196-15

WASHER,17/32" x 1 1/6" x .134"

- flat, hardened, 1/2 inch

2шт.

9

131-1116

LOCK NUT,1/2"-13, GB

NUT, LOCK, 1/2"-13, GB

2шт.

10

A170665

STABILIZER

STRAP - radiator mounting

2шт.

11

413-620

BOLT,Hex, 3/8" - 16 x 1-1/4", Gr 5

- hex, 3/8 NC x 1-1/4 inch

2шт.

12

39519

WASHER,10.31mm ID x 34.9mm OD x 3.57mm Thk

- flat, 3/8 inch

2шт.

13

131-179

LOCK NUT,3/8"-16, GA

NUT - hex, self-locking, 3/8 inch NC

2шт.

14

814-8020

BOLT,Hex, M8 x 1.25 x 20mm, Cl 8.8, Full Thd

use with Loctite 242 Hex, M8 x 20, 8.8

2шт.

15

495-11034

WASHER,5/16", SAE

5/16" SAE (flat, 11/32 x 11/16 x 1/16")

2шт.

16

R53691

FILLING STRIP

PAD - radiator baffle, 23-13/16 inch (580 mm) long, cut from A139751 bulk strip, see below

2шт.

17

217-92

COCK

VALVE - drain, 1/4 inch PT

1шт.

18

A173459

SHROUD

- fan

1шт.

19

A171318

SEAL

SEAL - fan shroud, adhesive-backed

2шт.

20

A170239

RADIATOR HOSE,45.00 mm ID x 265.00 mm, SAE 20R4 CLASS C PER SAE J20 OR SAE 20R4 CLASS D1

45.00 mm ID x 265.00 mm , SAE 20R4, Upper

1шт.

21

214-175

HOSE CLAMP,1-1/4" - 2-1/8", HD Worm

adjustable - upper radiator hose 1.25/2.125 HD Worm

2шт.

22

A170633

RADIATOR HOSE,58.00 mm ID x 220.00 mm, SAE 20R4 PER SAE J20 OR SAE 20R4 CLASS D1

58.00 mm ID x 220.00 mm, SAE 20R4 per SAE J20, Lower

1шт.

23

214-177

CLIP

CLAMP - lower radiator hose, adjustable

2шт.

24

A171099

HOSE CLAMP,13.2mm - 15.4mm

CLAMP - spring-type, coolant bottle hoses

2шт.

25

A171872

HOSE,8.30 mm ID x 1000.00 mm, SAE J30, SAE 20R4 PER SAE j20e

7.50 mm ID, 8.30 mm ID x 1000.00 mm, SAE J30 - Cut from A172261 hose, Radiator to Coolant Bottle and Bottle Overflow

2шт.

26

413-616

BOLT,Hex, 3/8" - 16 x 1", Gr 5

- hex, 3/8 NC x 1 inch

1шт.

27

49838

CLAMP

- coolant hose, at hood and side shield support

1шт.

28

492-11038

LOCK WASHER,3/8"

1шт.

29

425-106

NUT,3/8"-16, Cl 5

1шт.

30

L18337

CABLE TIE,9.95"-12.1" lg

STRAP - tie, 15 inch, nylon fill tube

1шт.

31

L127093

RESERVOIR

BOTTLE - coolant (replaces A184373)

1шт.

32

A184079

CAP

- coolant bottle, with tether

1шт.

33

121-107

SERRATED BOLT,Hex, 5/16" - 18 x 1", Gr 5

4шт.

34

495-11034

WASHER,5/16", SAE

5/16" SAE (flat, 11/32 x 11/16 x 1/16")

4шт.

36

131-176

LOCK NUT,Prev Torque, Hex, 5/16" - 18, Gr A

NUT - hex, self locking, 5/16 inch NC

4шт.

37

214-274

HOSE CLAMP,#04, 0.25" - 0.62", Type F Worm

- adj., coolant bottle inlet #4, 0.25/0.62 Type F Worm

1шт.

38

D25022

WASHER

- special, radiator mounting

2шт.

A139751

FILLING STRIP

PAD - bulk strip, 75 inch (1905 mm) long

1шт.

A172261

HOSE,7.92mm ID x 1820mm L, SAE 30R6

7.50 mm ID, 8.30 mm ID x 1820.00 mm, SAE 30R6 per J30

1шт.

Выбрано товаров: 40