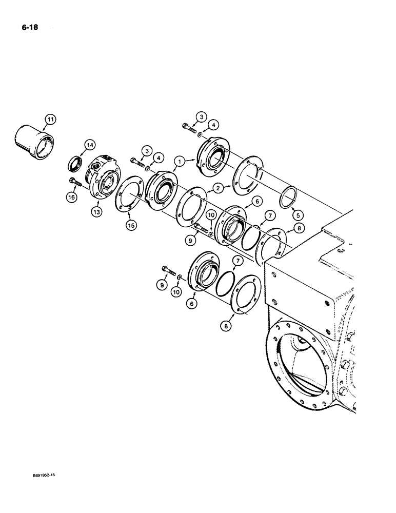
Запчасти Case 550 (6-18) - TRANSMISSION REAR COVERS (06) - POWER TRAIN

Схема запчастей Case 550 - (6-18) - TRANSMISSION REAR COVERS (06) - POWER TRAIN
6
10
5
9
1
15
7
4
4
8
3
14
16
3
11
10
13
6
7
9
8
2
FIT
1:1
100%

Артикул

Название

Примечание

Количество

1

A50271

COVER

- clutch shaft

2шт.

2

A50348

SHIM,.003" Thk

Cover .003" Thk

1шт.

2

A50272

SHIM,.005" Thk

Cover .005" Thk

1шт.

2

CASA50347

SHIM

- cover, .010 inch thick

1шт.

3

26-620

BOLT,Hex, 3/8" - 16 x 1-1/4", Gr 8

use with Loctite 242 Hex, 3/8"-16 x 1 1/4", G8, Full Thd

8шт.

4

D32117

COPPER WASHER

WASHER, COPPER, 3/8 inch, if used

8шт.

5

G100338

SHIM,.028" Thk

Rear bearing, Clutch shaft .028" Thk

1шт.

6

G103644

COVER ASSY

COVER - pinion shaft

2шт.

7

G104780

O-RING,0.103" Thk x 2.987" ID, -151, Cl 5, 75 Duro

- pinion shaft cover

2шт.

8

G103645

SHIM,.003" Thk

Pinion shaft cover .003" Thk

1шт.

8

G103647

SHIM,.010" Thk

Pinion shaft cover .010" Thk

1шт.

9

26-620

BOLT,Hex, 3/8" - 16 x 1-1/4", Gr 8

use with Loctite 242 Hex, 3/8"-16 x 1 1/4", G8, Full Thd

8шт.

10

D32117

COPPER WASHER

WASHER, COPPER, 3/8 inch, if used

8шт.

11

G101696

PROTECTIVE COVER

COVER - guard, main shaft

1шт.

13

G109371

RETAINER

COVER - inner, main shaft, with ports

1шт.

14

A54107

OIL SEAL,38.1mm ID x 8mm Thk

- oil, main shaft cover

1шт.

15

G109319

BLOCK

SHIM - cover, .003 inch thick

1шт.

15

G109320

BLOCK

SHIM - cover, .005 inch thick

1шт.

15

G109321

BLOCK

SHIM - cover, .010 inch thick

1шт.

16

26-620

BOLT,Hex, 3/8" - 16 x 1-1/4", Gr 8

use with Loctite 242 Hex, 3/8"-16 x 1 1/4", G8, Full Thd

5шт.

Выбрано товаров: 0