Запчасти Case 550E (8-42) - TILT, ANGLE, AND AUXILIARY SECTIONS (08) - HYDRAULICS

Схема запчастей Case 550E - (8-42) - TILT, ANGLE, AND AUXILIARY SECTIONS (08) - HYDRAULICS
14
11
16
7
10
16
7
12
15
8
5
13
1
4
9
8
2
3
14
5
6
6
13
FIT
1:1
100%

Артикул

Название

Примечание

Количество

100803A1

KNIFE SECTION

SECTION ASSEMBLY - ripper

1шт.

100802A1

KNIFE SECTION

SECTION ASSEMBLY - dozer blade tilt and angle

2шт.

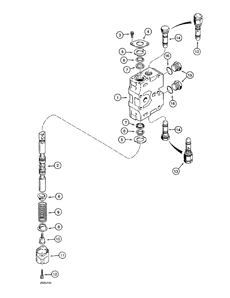
1

NSS

NOT SOLD SEPARAT

HOUSING - section

1шт.

2

NSS

NOT SOLD SEPARAT

SPOOL - section

1шт.

3

61-3258

HEX SOC SCREW,1/4"-20 x 1/2"

BOLT - hex socket, 1/4 NC x 1/2 inch

2шт.

4

N8194

LARGE PLATE

PLATE - retainer

1шт.

5

136898A1

RETAINER

- spool seals

2шт.

REF 5, 6, 7: 136898A1, 136900A1, 136902A1 - RETROFIT KIT TO GO BACK TO ORING SEAL/BACK-UP RING IS 352796A1. 2/15/99 BW CAM

1шт.

6

136900A1

WIPER SEAL

WIPER - spool

2шт.

7

136902A1

SEAL

- lip, spool

2шт.

8

H267591

SPRING SEAT

SEAT - spring

2шт.

9

100854A1

SPRING

- centering

1шт.

10

N14593

STEP BOLT

BOLT - special, retainer, use Loctite 242

1шт.

11

S301092

FLANGE COVER CAP

CAP - spool, lower

1шт.

12

102201A1

HEX SOC SCREW,1/4" - 20 x 7/8", W/ Nylon Patch

SCREW, , Special, self-locking Hex Soc Hd, 1/4"-20 x 7/8"

2шт.

13

N8950

VALVE

ASSEMBLY - circuit relief, ripper section, parts list figure 8-46

2шт.

14

D87307

VALVE

ASSEMBLY - load check, dozer tilt and angle sections, parts list figure 8-44

2шт.

15

86512512

PLUG,7/8" - 14 ORB

- hex, 7/8-14 inch O-ring boss, O-ring boss, 4 spool to 3 spool, if used

2шт.

16

237-6010

O-RING,0.097" Thk x 0.755" ID, -910, Cl 6, 90 Duro

10-1, 90 Duro, .755" ID x .097" Thk

1шт.

Выбрано товаров: 19