Запчасти Case 550E (9-06) - RIPPER (09) - CHASSIS/ATTACHMENTS

Схема запчастей Case 550E - (9-06) - RIPPER (09) - CHASSIS/ATTACHMENTS
23
17
4
13
34
31
4
24
18
8
22
6
10
25
20
8
25
9
33
12
15
30
5
28
29
6
1
26
7
2
11
3
19
32
14
21
3
16
27
FIT
1:1
100%

Артикул

Название

Примечание

Количество

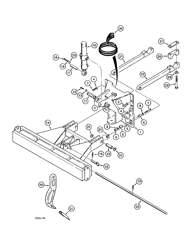
1

R54403

LARGE PLATE

SUPPORT ASSEMBLY - ripper mounting

1шт.

2

D32890

BUSHING

- cylinder mounting

2шт.

3

326-1220

BOLT,Hex, 3/4" - 10 x 1-1/4", Gr 8

4шт.

4

D34666

WASHER,33.34mm ID x 63.5mm OD x 2.38mm Thk

- flat, special

8шт.

5

326-1236

BOLT,Hex, 3/4" - 10 x 2-1/4", Gr 8

4шт.

6

D34678

BLOCK

- wedge

4шт.

7

413-836

BOLT,Hex, 1/2" - 13 x 2-1/4", Gr 5

- hex, 1/2 NC x 2-1/4 inch

2шт.

8

D34705

WASHER

- special, 1/2 inch

4шт.

9

231-4118

LOCK NUT,1/2"-13, GB

NUT - hex, self-locking, 1/2 inch NC

2шт.

10

REF

INSTRUCTION

CYLINDER ASSEMBLY - ripper, parts list figure 8-26

1шт.

11

D34706

PIN,31.75mm OD x 60.33mm L

- cylinder to ripper support

2шт.

12

413-1016

BOLT,Hex, 5/8" - 11 x 1", Gr 5

- hex, 5/8 NC x 1 inch

2шт.

13

70523

WASHER,16.67mm ID x 47.63mm OD x 6.35mm Thk

- flat, special

2шт.

14

D35886

FRAME

- ripper

1шт.

15

D34715

PIN

- self-locking, ripper frame to ripper support

1шт.

16

136-162

HAIR PIN COTTER,Int, 1/2" x .250"

PIN - hair, 1/2 x 3-1/4 inch, internal type

1шт.

17

D36174

AXLE PIN,31.75mm OD x 123.83mm L

PIN - cylinder to ripper frame

1шт.

18

413-812

BOLT,Hex, 1/2" - 13 x 3/4", Gr 5

- hex, 1/2 NC x 3/4 inch

2шт.

19

80679

LOCK WASHER,1/20.507 CST ZND

WASHER, LOCK, 1/2"

2шт.

20

D25022

WASHER

- flat, special

2шт.

21

R47375

ARM

- left-hand, ripper frame mounting

1шт.

22

R47376

ARM

- right-hand, ripper frame mounting

1шт.

23

D36614

PIN,38.1mm OD x 107.95mm L

- to mounting arms

2шт.

24

R15389

SPACER

- pin

2шт.

25

103-16125

SNAP RING,#125, Ext

Ring, Snap, , Pin #125, Ext

4шт.

26

D34663

CLAMP

- mounting arm to pivot shaft

2шт.

27

D34722

BLOCK

- tapped

2шт.

28

413-14120

BOLT,Hex, 7/8" - 9 x 7-1/2", Gr 5

- hex, 7/8 NC x 7-1/2 inch, use with Loctite "CV"

4шт.

29

D34667

WASHER,23.02mm ID x 38.1mm OD x 3.57mm Thk

- special

4шт.

30

D35885

SHANK

- tooth, ripper

3шт.

31

R33815

POINT

TOOTH - ripper

3шт.

32

D35900

ROD

- attaching, ripper teeth

1шт.

33

136-162

HAIR PIN COTTER,Int, 1/2" x .250"

PIN - hair, 1/2 x 3-1/4 inch, internal type

2шт.

34

D43403

LINING

TRIM - edge, 5 inch (127 mm) long, hose protector, at ripper support, cut from F42827 bulk roll, see below

1шт.

F42827

TRIM,2946.4mm L

TRIM - edge, bulk, 116 inch (2946 mm) long, for use on Ref. 34

1шт.

Выбрано товаров: 35