Запчасти Case 550E (9-18) - RADIATOR SHROUD, GRILLE, AND SCREEN (09) - CHASSIS/ATTACHMENTS

Схема запчастей Case 550E - (9-18) - RADIATOR SHROUD, GRILLE, AND SCREEN (09) - CHASSIS/ATTACHMENTS
13
30
2
11
6
26
34
32
25
5
23
b
16
3
20
26
17
24
31
28
10
35
a
4
21
18
12
22
22
36
27
35
9
29
a
33
19
15
21
8
14
3
1
25
7
b
FIT
1:1
100%

Артикул

Название

Примечание

Количество

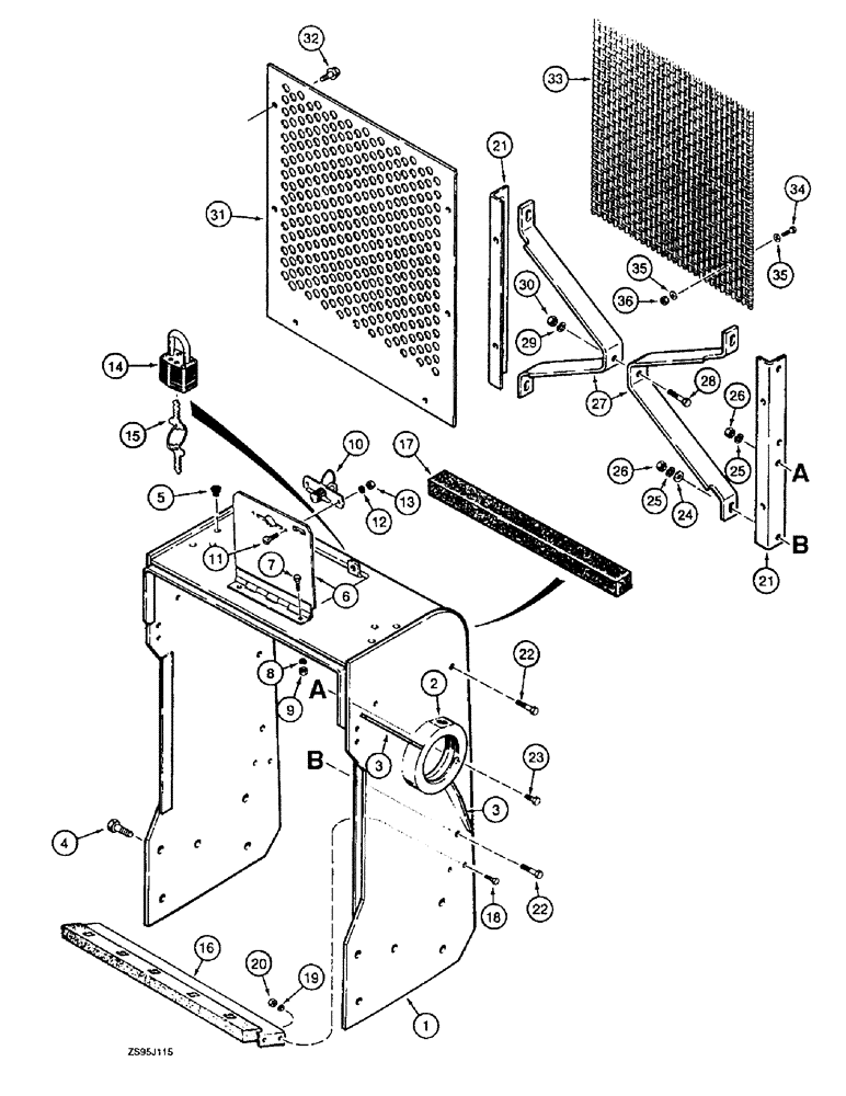
1

R58479

SHROUD

ASSEMBLY - radiator, service with R58288 shroud and 321-3596 decal

1шт.

2

D31317

RACE

- lift trunnion

2шт.

3

R42367

GUSSET

- trunnion race

4шт.

4

413-1224

BOLT,Hex, 3/4" - 10 x 1-1/2", Gr 5

- hex, 3/4 NC x 1-1/2 inch

10шт.

5

R38089

CUSHION ASSY.

PLUG - rubber

6шт.

6

R58131

COVER

- radiator access

1шт.

7

413-416

BOLT,Hex, 1/4" - 20 x 1", Gr 5

- hex, 1/4 NC x 1 inch

2шт.

8

492-11025

LOCK WASHER,1/4"

WASHER, LOCK, 1/4"

2шт.

9

425-104

NUT,1/4"-20, Cl 5

- hex, 1/4 inch NC

2шт.

10

L102515

LATCH

FASTENER - access door, radiator

1шт.

11

70-1108

SCREW,Pan HD, #10 - 24 x 1/2"

- machine, pan head slotted, No. 10 NC x 1/2 inch

2шт.

12

492-11010

LOCK WASHER,#10

WASHER, LOCK, #10

2шт.

13

225-14110

NUT,#10-24

2шт.

14

D93753

PADLOCK

- includes keys

1шт.

15

R29555

KEY

- for Master padlock only

2шт.

15

D93751

SET OF 2 KEYS

KEY - for Yale padlock only

2шт.

16

R51465

BRACKET

BAFFLE - radiator, lower, includes pad

1шт.

17

R46759

PROTECTION STRIP

PAD - radiator baffle, upper

1шт.

18

413-620

BOLT,Hex, 3/8" - 16 x 1-1/4", Gr 5

- hex, 3/8 NC x 1-1/4 inch

4шт.

19

492-11038

LOCK WASHER,3/8"

4шт.

20

425-106

NUT,3/8"-16, Cl 5

4шт.

21

R49206

SUPPORT

BRACKET - mounting, and brace mounting

2шт.

22

413-832

BOLT,Hex, 1/2" - 13 x 2", Gr 5

Upper and lower holes Hex, 1/2"-13 x 2", G5

4шт.

23

413-820

BOLT,Hex, 1/2" - 13 x 1-1/4", Gr 5

- hex, 1/2 NC x 1-1/4 inch, Center holes

2шт.

24

495-21056

WASHER,1/2"

- flat, 9/16 x 1-3/8 x 7/64 inch, upper and lower holes

4шт.

25

80679

LOCK WASHER,1/20.507 CST ZND

WASHER, LOCK, 1/2"

6шт.

26

425-108

NUT,1/2" - 13, Gr 5

NUT, , Hex 1/2"-13, G5

6шт.

27

R49207

SUPPORT

BRACE - grille, and shroud support

2шт.

28

413-1028

BOLT,Hex, 5/8" - 11 x 1-3/4", Gr 5

- hex, 5/8 NC x 1-3/4 inch

1шт.

29

492-11062

BEARING WASHER,5/8"

WASHER, LOCK, 5/8"

1шт.

30

425-1010

NUT,5/8"-11, G5

1шт.

31

R58286

GRILLE

- radiator brush

1шт.

32

160-107

BOLT,Hex, 1/2" - 13 x 1 1/4", Gr 8, Full Thd

6шт.

33

R49212

GRILLE ASSY

SCREEN - radiator, if used

1шт.

34

413-624

BOLT,Hex, 3/8" - 16 x 1-1/2", Gr 5

- hex, 3/8 NC x 1-1/2 inch

10шт.

35

39519

WASHER,10.31mm ID x 34.9mm OD x 3.57mm Thk

- flat, special, specialb

20шт.

36

231-4116

NUT,3/8"-16, GB

NUT - hex, self-locking, 3/8 inch NC

10шт.

345-44

ADHESIVE

- spray can, 3M No. 74, 23 ounce, for attaching foam pads to metal surfaces, buy locally

1шт.

Выбрано товаров: 38